Запчасти Komatsu D155AX-6 ОСНОВН. КОНСТРУКЦИЯ ЭЛЕКТРИЧ. ПРОВОДКА (№88-) ОСНОВН. КОНСТРУКЦИЯ ЭЛЕКТРИЧ. ПРОВОДКА

Схема запчастей Komatsu D155AX-6 - ОСНОВН. КОНСТРУКЦИЯ ЭЛЕКТРИЧ. ПРОВОДКА (№88-) ОСНОВН. КОНСТРУКЦИЯ ЭЛЕКТРИЧ. ПРОВОДКА
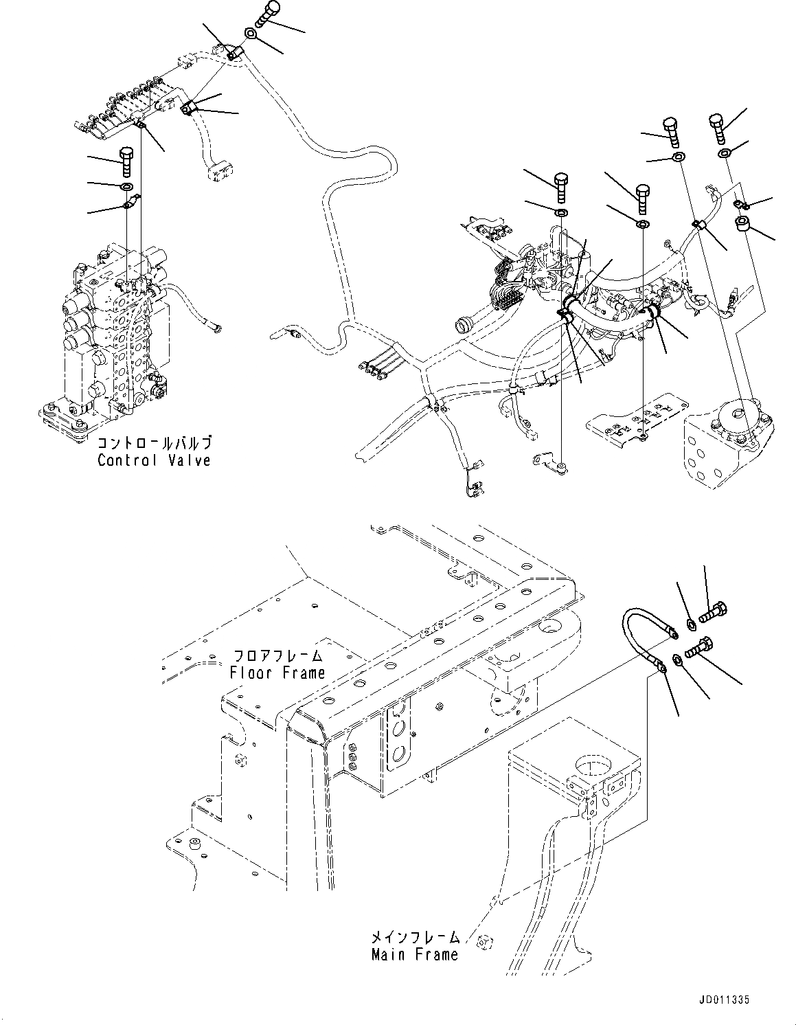
29
27
28
26
22
21
23
25
24
9
10
7
4
5
6
8
16
17
20
15
12
18
19
13
14
11
1
3
2
2
3
FIT
1:1
100%

Артикул

Название

Примечание

Количество

1

175-06-51440

Cable

SN: 81028-UP

1шт.

2

01010-81225

Bolt

SN: 81028-UP

2шт.

3

01643-31232

Washer

SN: 81028-UP

2шт.

4

04434-51412

Clip

SN: 81028-UP

1шт.

5

01010-81225

Bolt

SN: 81028-UP

1шт.

6

01643-31232

Washer

SN: 81028-UP

1шт.

7

08193-21012

Clip

SN: 81028-UP

1шт.

8

144-947-3490

Spacer

SN: 81028-UP

1шт.

9

01010-81240

Bolt

SN: 81028-UP

1шт.

10

01643-31232

Washer

SN: 81028-UP

1шт.

11

04434-53412

Clip

SN: 81028-UP

1шт.

12

07095-20627

Cushion

SN: 81028-UP

1шт.

13

01010-81225

Bolt

SN: 81028-UP

1шт.

14

01643-31232

Washer

SN: 81028-UP

1шт.

15

04434-53412

Clip

SN: 81028-UP

1шт.

16

07095-20627

Cushion

SN: 81028-UP

1шт.

17

04434-51912

Clip

SN: 81028-UP

1шт.

18

07095-20213

Cushion

SN: 81028-UP

1шт.

19

01010-81225

Bolt

SN: 81028-UP

1шт.

20

01643-31232

Washer

SN: 81028-UP

1шт.

21

04434-53412

Clip

SN: 81028-UP

1шт.

22

07095-20627

Cushion

SN: 81028-UP

1шт.

23

04434-51912

Clip

SN: 81028-UP

1шт.

24

01010-81225

Bolt

SN: 81028-UP

1шт.

25

01643-31232

Washer

SN: 81028-UP

1шт.

26

08193-21012

Clip

SN: 81028-UP

1шт.

27

01010-81225

Bolt

SN: 81028-UP

1шт.

28

01643-31232

Washer

SN: 81028-UP

1шт.

29

04434-52312

Clip

SN: 81028-UP

1шт.

Выбрано товаров: 29