Запчасти Komatsu D155AX-6 DOZER ЦИЛИНДР ПОДЪЕМА ОТВАЛА СУППОРТ ЧАСТИ (№88-) DOZER ЦИЛИНДР ПОДЪЕМА ОТВАЛА СУППОРТ ЧАСТИ

Схема запчастей Komatsu D155AX-6 - DOZER ЦИЛИНДР ПОДЪЕМА ОТВАЛА СУППОРТ ЧАСТИ (№88-) DOZER ЦИЛИНДР ПОДЪЕМА ОТВАЛА СУППОРТ ЧАСТИ
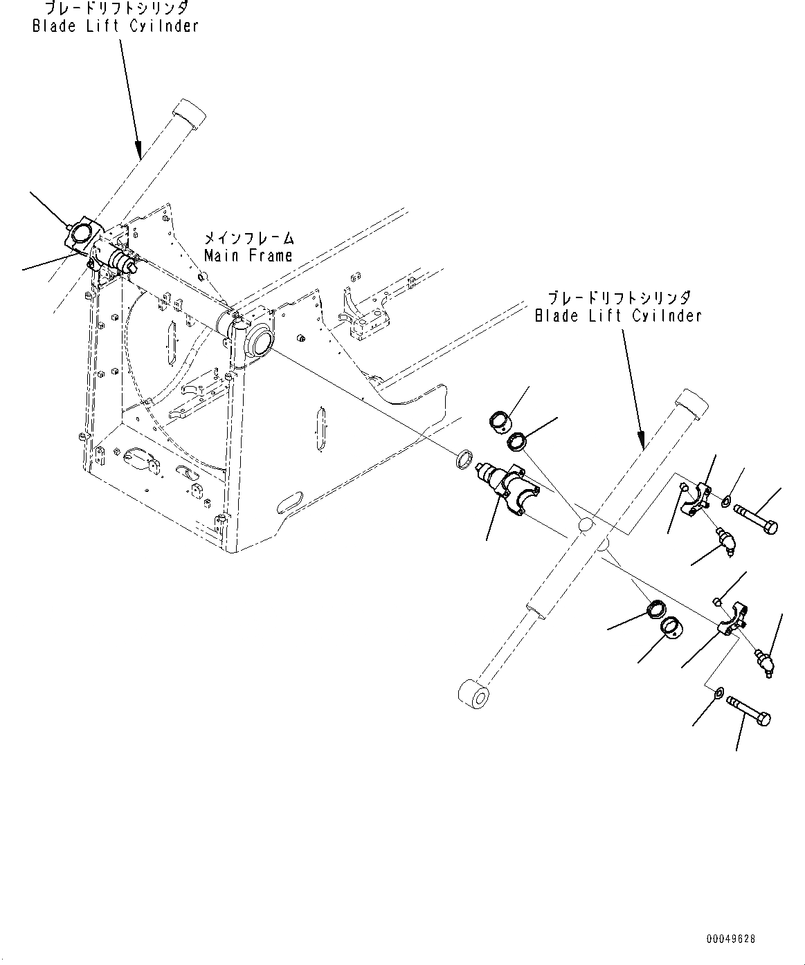
1
4
2
3
3
2
2
4
1
5
6
6
5
7
8
8
7
FIT
1:1
100%

Артикул

Название

Примечание

Количество

1

17A-61-43210

Yoke

SN: 81028-UP

2шт.

2

17A-61-49122

Cap

SN: 81028-UP

4шт.

3

01010-82095

Bolt

SN: 81028-UP

8шт.

4

01643-32060

Washer

SN: 81028-UP

8шт.

5

175-61-15201

Bushing Assembly

SN: 81028-UP

4шт.

6

07145-00085

Seal, Dust

SN: 81028-UP

4шт.

7

154-61-75750

Pin

SN: 81028-UP

4шт.

8

07020-00675

Fitting, Grease

SN: 81028-UP

4шт.

Выбрано товаров: 8