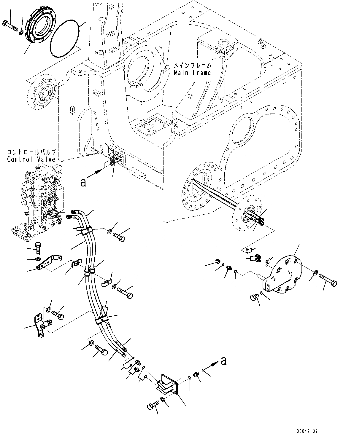
Запчасти Komatsu D155AX-6 ПЕРЕКОС. ОТВАЛА ТРУБЫ (№88-) ПЕРЕКОС. ОТВАЛА ТРУБЫ

Схема запчастей Komatsu D155AX-6 - ПЕРЕКОС. ОТВАЛА ТРУБЫ (№88-) ПЕРЕКОС. ОТВАЛА ТРУБЫ
1
2
3
4
5
6
9
24
23
25
26
27
28
29
30
31
32
30
29
28
33
24
23
22
21
19
16
15
7
8
21
22
1
2
20
20
19
12
13
14
12
14
13
11
10
36
37
34
35
20
19
17
18
FIT
1:1
100%

Артикул

Название

Примечание

Количество

1

17A-61-41441

Hose

SN: 81028-UP

1шт.

2

17A-61-41371

Hose

SN: 81028-UP

1шт.

3

17A-61-41881

Bracket

SN: 81028-UP

1шт.

4

01010-81230

Bolt

SN: 81028-UP

2шт.

5

01643-31232

Washer

SN: 81028-UP

2шт.

6

17A-61-41851

Bracket

SN: 81028-UP

1шт.

7

01010-81230

Bolt

SN: 81028-UP

2шт.

8

01643-31232

Washer

SN: 81028-UP

2шт.

9

17A-61-41690

Flange

SN: 81028-UP

1шт.

10

01010-81230

Bolt

SN: 81028-UP

3шт.

11

01643-31232

Washer

SN: 81028-UP

3шт.

12

02781-00422

Union

SN: 81028-UP

4шт.

13

02896-11012

O-ring

SN: 81028-UP

4шт.

14

07002-12034

O-ring

SN: 81028-UP

4шт.

15

07094-30417

Clamp

SN: 81028-UP

2шт.

16

07095-00420

Cushion

SN: 81028-UP

2шт.

17

01010-81265

Bolt

SN: 81028-UP

1шт.

18

01643-31232

Washer

SN: 81028-UP

1шт.

19

07094-30417

Clamp

SN: 81028-UP

4шт.

20

07095-00420

Cushion

SN: 81028-UP

4шт.

21

01010-81265

Bolt

SN: 81028-UP

2шт.

22

01643-31232

Washer

SN: 81028-UP

2шт.

23

17A-61-41161

Hose

SN: 81028-UP

1шт.

24

17A-61-41151

Hose

SN: 81028-UP

1шт.

25

17A-50-41151

Cover Assembly

SN: 81028-UP

1шт.

26

01010-81680

Bolt

SN: 81028-UP

6шт.

27

01643-31645

Washer

SN: 81028-UP

6шт.

28

02781-00422

Union

SN: 81028-UP

4шт.

29

02896-11012

O-ring

SN: 81028-UP

4шт.

30

07002-12034

O-ring

SN: 81028-UP

4шт.

31

07040-12012

Plug

SN: 81028-UP

2шт.

32

07002-12034

O-ring

SN: 81028-UP

2шт.

33

02789-10422

Plug

SN: 81028-UP

2шт.

34

17A-50-41171

Cover

SN: 81028-UP

1шт.

35

07000-15230

O-ring

SN: 81028-UP

1шт.

36

01010-81660

Bolt

SN: 81028-UP

8шт.

37

01643-31645

Washer

SN: 81028-UP

8шт.

Выбрано товаров: 0