Запчасти Komatsu D155AX-6 ГУСЕНИЧНАЯ РАМА, GUIDE ПЛАСТИНА, ПРАВ. (№88-89) ГУСЕНИЧНАЯ РАМА, ПОЛН. LENGTH ЗАЩИТА ОПОРНЫХ КАТКОВ

Схема запчастей Komatsu D155AX-6 - ГУСЕНИЧНАЯ РАМА, GUIDE ПЛАСТИНА, ПРАВ. (№88-89) ГУСЕНИЧНАЯ РАМА, ПОЛН. LENGTH ЗАЩИТА ОПОРНЫХ КАТКОВ
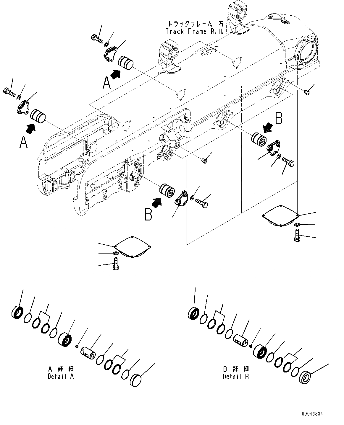
11
8
6
8
9
10
8
7
1
2
3
4
5
6
7
8
9
10
FIT
1:1
100%

Артикул

Название

Примечание

Количество

1

195-30-17960

Plate

SN: 81028-81149

4шт.

2

155-30-13230

Spring

SN: 81028-81149

4шт.

3

17A-30-12241

Plate Assembly

SN: 81028-81149

2шт.

4

01016-51260

Bolt

SN: 81028-81149

4шт.

5

01643-31232

Washer

SN: 81028-81149

4шт.

6

17A-30-12170

Guide Assembly

SN: 81028-81149

2шт.

7

17A-30-12190

Plate

SN: 81028-81149

1шт.

8

17A-30-12211

Shim, T=1.0mm

SN: 81028-81149

32шт.

9

01010-81655

Bolt

SN: 81028-81149

16шт.

10

01643-31645

Washer

SN: 81028-81149

16шт.

11

07049-02430

Plug

SN: 81028-81149

1шт.

Выбрано товаров: 0