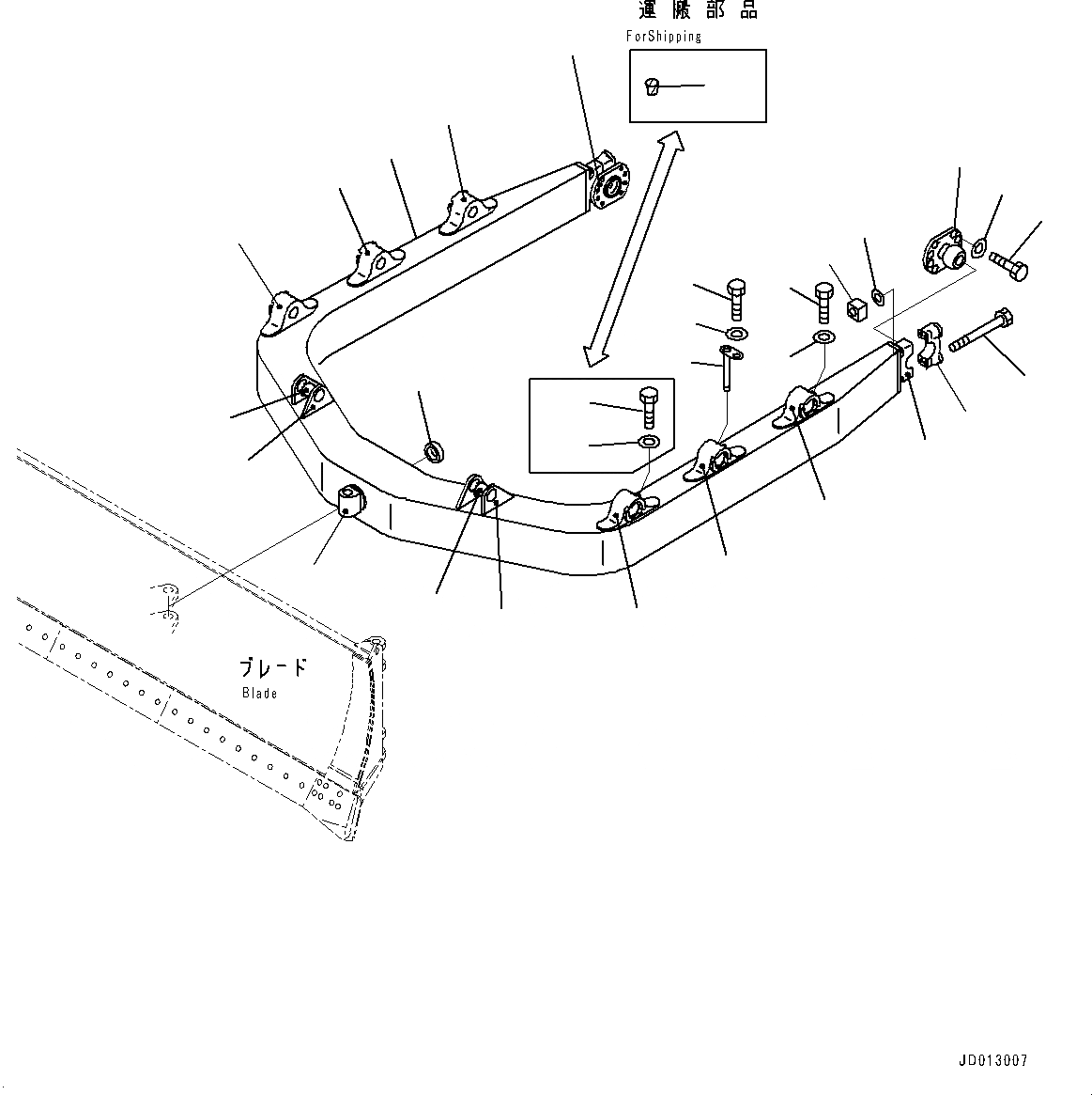
Запчасти Komatsu D155AX-6 DOZER РАМА (№88-) DOZER РАМА, ДЛЯ МЕХАНИЧ. ПОВОРОТНЫЙ ОТВАЛ

Схема запчастей Komatsu D155AX-6 - DOZER РАМА (№88-) DOZER РАМА, ДЛЯ МЕХАНИЧ. ПОВОРОТНЫЙ ОТВАЛ
15
4
9
7
5
10
14
2
11
21
20
19
18
17
16
15
6
1
13
7
8
3
12
15
16
16
8
8
18
7
FIT
1:1
100%

Артикул

Название

Примечание

Количество

1

17A-70-71110

C-frame

SN: 81028-UP

1шт.

2

17A-70-71121

Bracket,Welded

SN: 81028-UP

1шт.

3

154-71-41120

Trunnion,Welded

SN: 81028-UP

1шт.

4

17A-70-71131

Bracket,Welded

SN: 81028-UP

1шт.

5

154-71-41120

Trunnion,Welded

SN: 81028-UP

1шт.

6

175-70-23261

Bracket,Welded

SN: 81028-UP

2шт.

7

175-70-23114

Bracket,Welded

SN: 81028-UP

3шт.

8

175-70-23124

Bracket,Welded

SN: 81028-UP

3шт.

9

175-70-13314

Joint,Welded

SN: 81028-UP

1шт.

10

150-70-23320

Bushing,Welded

SN: 81028-UP

1шт.

11

175-71-11482

Cap

SN: 81028-UP

2шт.

12

175-71-11491

Bolt

SN: 81028-UP

8шт.

13

175-71-11520

Nut

SN: 81028-UP

8шт.

14

01643-32260

Washer

SN: 81028-UP

8шт.

15

01010-81420

Bolt

SN: 81028-UP

6шт.

16

205-06-62270

Washer

SN: 81028-UP

6шт.

17

154-70-19181

Pin

SN: 81028-UP

2шт.

18

17A-70-71141

Trunnion

SN: 81028-UP

2шт.

19

01010-82450

Bolt

SN: 81028-UP

16шт.

20

01643-32460

Washer

SN: 81028-UP

16шт.

21

07049-03342

Plug, Cork

SN: 81028-UP

6шт.

Выбрано товаров: 0