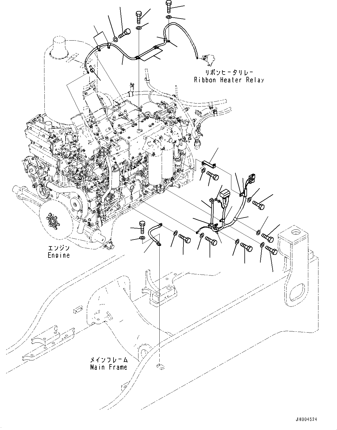
Запчасти Komatsu D155AX-6 ДВИГАТЕЛЬ ПРОВОДКА, (№88-) ДВИГАТЕЛЬ ПРОВОДКА

Схема запчастей Komatsu D155AX-6 - ДВИГАТЕЛЬ ПРОВОДКА, (№88-) ДВИГАТЕЛЬ ПРОВОДКА
35
34
33
32
20
19
18
17
14
15
12
11
9
8
3
4
5
2
16
10
13
6
7
1
31
27
26
29
30
28
30
29
28
24
25
23
22
21
FIT
1:1
100%

Артикул

Название

Примечание

Количество

1

17A-06-41191

Wiring Harness

SN: 81028-UP

1шт.

2

19M-06-31720

Resistor

SN: 81028-UP

1шт.

3

17A-911-4391

Bracket

SN: 81028-UP

1шт.

4

01010-81030

Bolt

SN: 81028-UP

1шт.

5

01643-31032

Washer

SN: 81028-UP

1шт.

6

04434-52711

Clip

SN: 81028-UP

1шт.

7

07095-20419

Cushion

SN: 81028-UP

1шт.

8

01010-81020

Bolt

SN: 81028-UP

1шт.

9

01643-31032

Washer

SN: 81028-UP

1шт.

10

600-051-2190

Clip

SN: 81028-UP

1шт.

11

01010-81020

Bolt

SN: 81028-UP

1шт.

12

01643-31032

Washer

SN: 81028-UP

1шт.

13

600-051-2140

Clip

SN: 81028-UP

1шт.

14

01010-81020

Bolt

SN: 81028-UP

1шт.

15

01643-31032

Washer

SN: 81028-UP

1шт.

16

600-051-2140

Clip

SN: 81028-UP

1шт.

17

01010-81020

Bolt

SN: 81028-UP

1шт.

18

01643-31032

Washer

SN: 81028-UP

1шт.

19

01010-81020

Bolt

SN: 81028-UP

1шт.

20

01643-31032

Washer

SN: 81028-UP

1шт.

21

08034-20519

Band

SN: 81082-UP

1шт.

22

17A-06-41292

Wiring Harness

SN: 81028-UP

1шт.

23

08038-02027

Cap, Terminal

SN: 81028-UP

1шт.

24

04434-51910

Clip

SN: 81028-UP

1шт.

25

07095-20213

Cushion

SN: 81028-UP

1шт.

26

01010-81020

Bolt

SN: 81028-UP

1шт.

27

01643-31032

Washer

SN: 81028-UP

1шт.

28

600-051-2140

Clip

SN: 81028-UP

4шт.

29

01010-81020

Bolt

SN: 81028-UP

4шт.

30

01643-31032

Washer

SN: 81028-UP

4шт.

31

175-06-51440

Cable

SN: 81028-UP

1шт.

32

01010-81020

Bolt

SN: 81028-UP

1шт.

33

01643-31032

Washer

SN: 81028-UP

1шт.

34

01010-81225

Bolt

SN: 81028-UP

1шт.

35

01643-31232

Washer

SN: 81028-UP

1шт.

Выбрано товаров: 35