Запчасти Komatsu D155AX-6 ЭЛЕКТРИЧ. ПРОВОДКА, РАДИАТОР (№88-) ЭЛЕКТРИЧ. ПРОВОДКА

Схема запчастей Komatsu D155AX-6 - ЭЛЕКТРИЧ. ПРОВОДКА, РАДИАТОР (№88-) ЭЛЕКТРИЧ. ПРОВОДКА
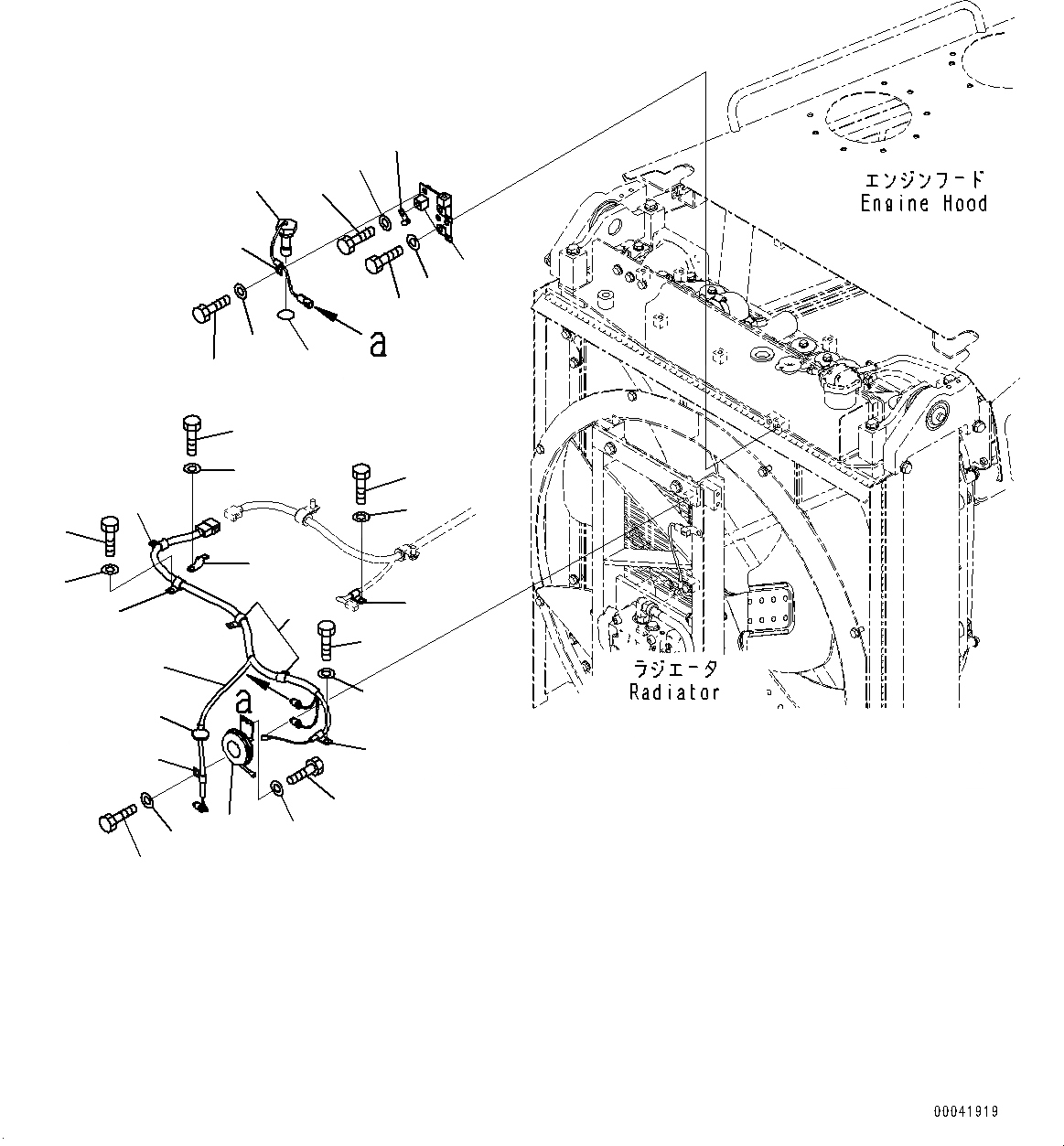
1
2
3
4
5
6
7
8
9
10
11
14
15
17
18
19
20
21
22
23
24
25
26
27
28
29
16
12
13
30
31
14
14
FIT
1:1
100%

Артикул

Название

Примечание

Количество

1

17A-06-41242

Wiring Harness

SN: 81028-UP

1шт.

2

08037-11025

Grommet

SN: 81028-UP

1шт.

3

17A-06-41711

Bracket

SN: 81028-UP

1шт.

4

01010-81225

Bolt

SN: 81028-UP

2шт.

5

01643-31232

Washer

SN: 81028-UP

2шт.

6

19M-06-18220

Horn

SN: 81028-UP

1шт.

7

01010-80820

Bolt

SN: 81028-UP

2шт.

8

01643-30823

Washer

SN: 81028-UP

2шт.

9

7861-93-4520

Sensor

SN: 81028-UP

1шт.

10

07002-13634

O-ring

SN: 81028-UP

1шт.

11

08193-21012

Clip

SN: 81028-UP

1шт.

12

01010-81225

Bolt

SN: 81028-UP

1шт.

13

01643-31232

Washer

SN: 81028-UP

1шт.

14

04434-51712

Clip

SN: 81028-UP

4шт.

15

01010-81225

Bolt

SN: 81028-UP

4шт.

16

01643-31232

Washer

SN: 81028-UP

4шт.

17

04434-51012

Clip

SN: 81028-UP

1шт.

18

01010-81225

Bolt

SN: 81028-UP

1шт.

19

01643-31232

Washer

SN: 81028-UP

1шт.

20

04434-51012

Clip

SN: 81028-UP

1шт.

21

01010-81225

Bolt

SN: 81028-UP

1шт.

22

01643-31232

Washer

SN: 81028-UP

1шт.

23

04434-50612

Clip

SN: 81028-UP

1шт.

24

01010-81225

Bolt

SN: 81028-UP

1шт.

25

01643-31232

Washer

SN: 81028-UP

1шт.

26

04434-50612

Clip

SN: 81028-UP

1шт.

27

01010-81225

Bolt

SN: 81028-UP

1шт.

28

01643-31232

Washer

SN: 81028-UP

1шт.

29

600-051-3100

Clip

SN: 81028-UP

1шт.

30

01010-81225

Bolt

SN: 81028-UP

1шт.

31

01643-31232

Washer

SN: 81028-UP

1шт.

Выбрано товаров: 0