Запчасти Komatsu D155AX-6 СИЛОВАЯ ПЕРЕДАЧА, КЛАПАН КРЫШКА(№88-) СИЛОВАЯ ПЕРЕДАЧА

Схема запчастей Komatsu D155AX-6 - СИЛОВАЯ ПЕРЕДАЧА, КЛАПАН КРЫШКА(№88-) СИЛОВАЯ ПЕРЕДАЧА
2
1
3
4
5
6
7
8
FIT
1:1
100%

Артикул

Название

Примечание

Количество

|$0

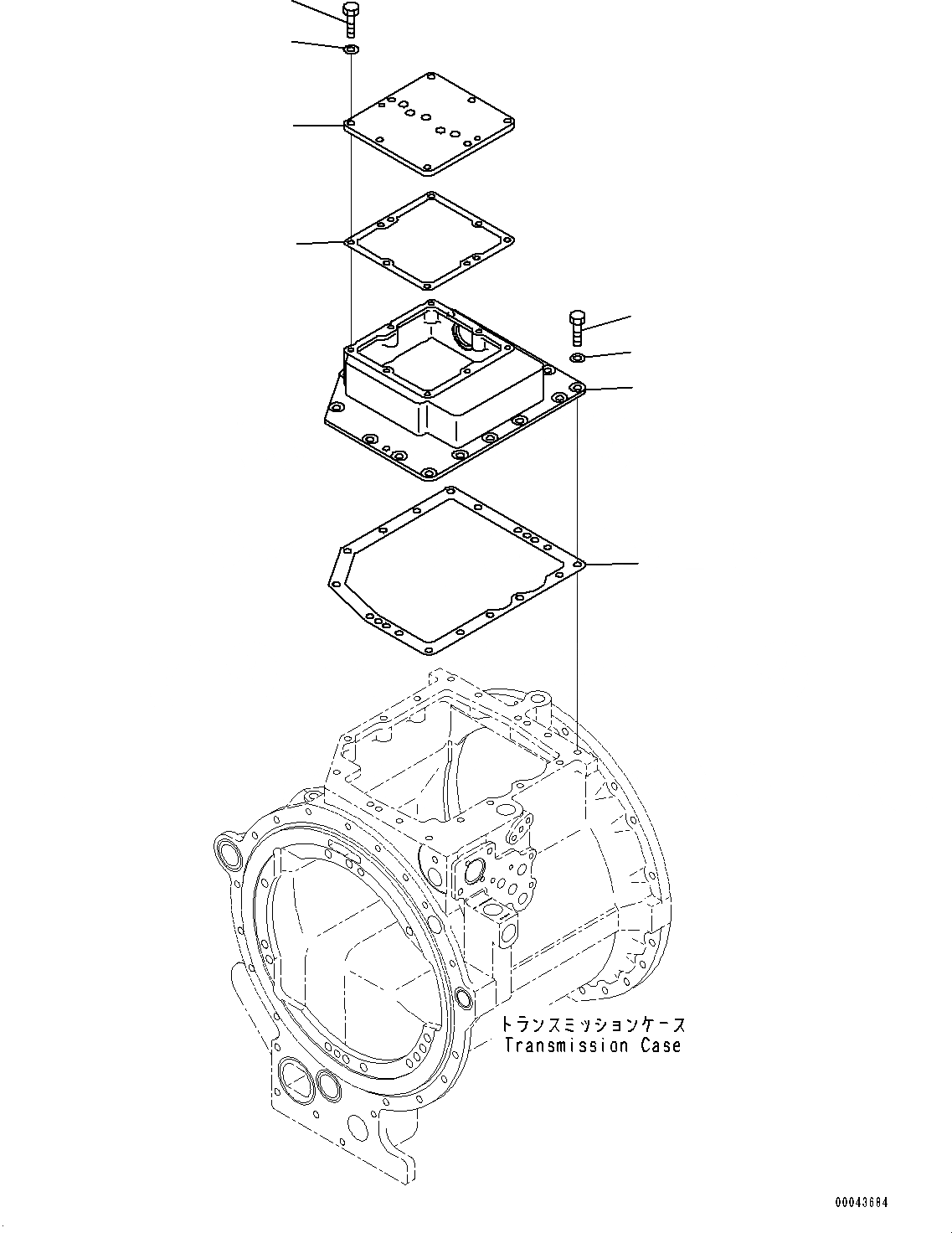
17A-15-41000

Transmission Assembly

SN: 81028-UP

1шт.

1

17M-15-45810

Cover

SN: 81028-UP

1шт.

2

17A-15-25911

Gasket, (Kit : K07)

SN: 81028-UP

1шт.

3

01010-81230

Bolt

SN: 81028-UP

16шт.

4

01643-31232

Washer

SN: 81028-UP

16шт.

5

17A-15-41220

Cover

SN: 81028-UP

1шт.

6

195-15-71230

Gasket, (Kit : K07)

SN: 81028-UP

1шт.

7

01010-81030

Bolt

SN: 81028-UP

8шт.

8

01643-31032

Washer

SN: 81028-UP

8шт.

Выбрано товаров: 0