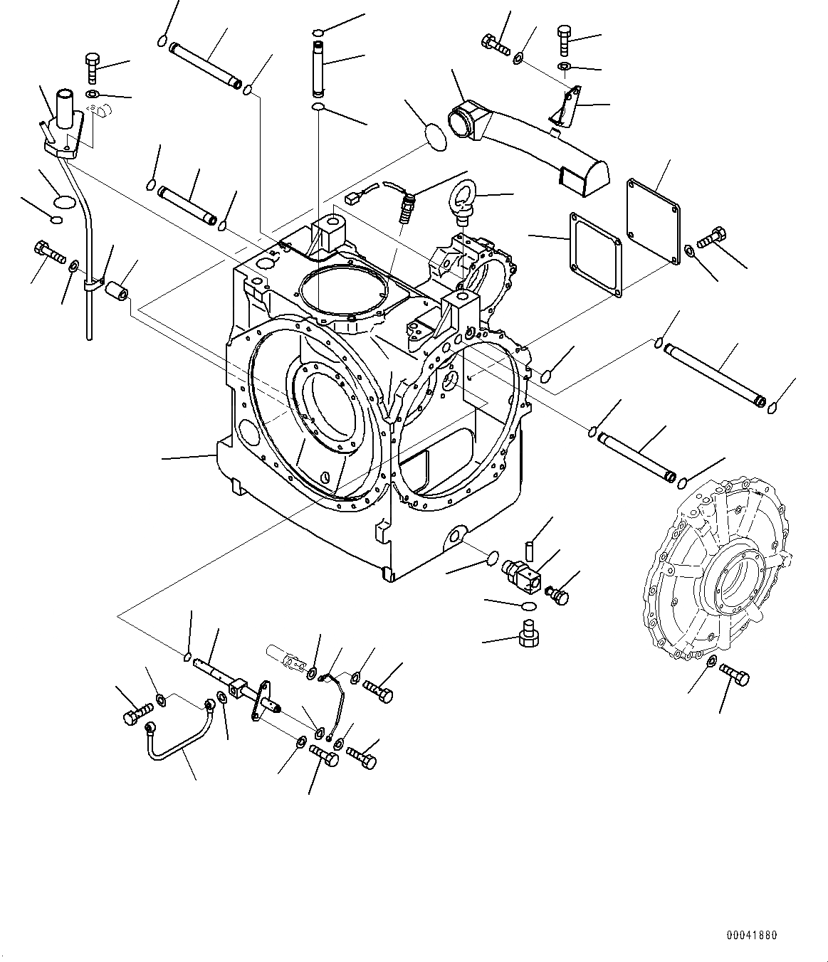
Запчасти Komatsu D155AX-6 СИЛОВАЯ ПЕРЕДАЧА, КОРПУС ГИДРОТРАНСФОРМАТОРА (/) (№88-) СИЛОВАЯ ПЕРЕДАЧА

Схема запчастей Komatsu D155AX-6 - СИЛОВАЯ ПЕРЕДАЧА, КОРПУС ГИДРОТРАНСФОРМАТОРА (/) (№88-) СИЛОВАЯ ПЕРЕДАЧА
2
3
6
12
11
18
15
19
20
21
23
25
24
26
28
27
33
32
29
33
32
30
31
33
32
35
37
36
38
39
42
45
53
1
8
7
22
34
52
4
5
9
10
13
14
17
16
16
17
40
41
43
44
44
48
49
46
47
49
47
51
50
FIT
1:1
100%

Артикул

Название

Примечание

Количество

|$0

17A-22-41000

Steering Assembly

SN: 81028-UP

1шт.

1

17A-22-47371

Case

SN: 81028-UP

1шт.

2

17A-22-17311

Plate

SN: 81028-UP

1шт.

3

17A-22-17320

Gasket

SN: 81028-UP

1шт.

4

01010-81230

Bolt

SN: 81028-UP

4шт.

5

01643-31232

Washer

SN: 81028-UP

4шт.

6

17A-22-47440

Tube

SN: 81028-UP

1шт.

7

07000-72070

O-ring

SN: 81028-UP

1шт.

8

07000-73038

O-ring

SN: 81028-UP

1шт.

9

01010-81245

Bolt

SN: 81028-UP

2шт.

10

01643-31232

Washer

SN: 81028-UP

2шт.

11

205-03-71330

Collar

SN: 81028-UP

1шт.

12

156-76-21170

Clip

SN: 81028-UP

1шт.

13

01010-81265

Bolt

SN: 81028-UP

1шт.

14

01643-31232

Washer

SN: 81028-UP

1шт.

15

17A-22-47210

Bracket

SN: 81028-UP

1шт.

16

01010-81225

Bolt

SN: 81028-UP

3шт.

17

01643-31232

Washer

SN: 81028-UP

3шт.

18

17A-22-46210

Tube

SN: 81028-UP

1шт.

19

07000-72075

O-ring

SN: 81028-UP

1шт.

20

17A-22-47990

Joint

SN: 81028-UP

1шт.

21

07002-63634

O-ring

SN: 81028-UP

1шт.

22

04020-00514

Pin, Dowel

SN: 81028-UP

1шт.

23

195-49-31280

Valve

SN: 81028-UP

1шт.

24

07040-12412

Plug

SN: 81028-UP

1шт.

25

07002-62434

O-ring

SN: 81028-UP

1шт.

26

17A-22-27291

Tube

SN: 81028-UP

1шт.

27

07000-73022

O-ring

SN: 81028-UP

1шт.

28

07000-72021

O-ring

SN: 81028-UP

1шт.

29

17A-22-27281

Tube

SN: 81028-UP

1шт.

30

17A-22-46181

Tube

SN: 81028-UP

1шт.

31

17A-22-46190

Tube

SN: 81028-UP

1шт.

32

07000-73022

O-ring

SN: 81028-UP

3шт.

33

07000-72021

O-ring

SN: 81028-UP

3шт.

34

07000-73032

O-ring

SN: 81028-UP

6шт.

35

17A-22-46230

Tube

SN: 81028-UP

1шт.

36

07000-73022

O-ring

SN: 81028-UP

1шт.

37

07000-72021

O-ring

SN: 81028-UP

1шт.

38

17A-22-47130

Tube

SN: 81028-UP

1шт.

39

07000-72018

O-ring

SN: 81028-UP

1шт.

40

01010-81235

Bolt

SN: 81028-UP

2шт.

41

01643-31232

Washer

SN: 81028-UP

2шт.

42

17A-22-17160

Tube

SN: 81028-UP

1шт.

43

07206-31216

Bolt, Joint

SN: 81028-UP

2шт.

44

07005-01612

Seal, Washer

SN: 81028-UP

4шт.

45

17A-22-17141

Tube

SN: 81028-UP

1шт.

46

07206-30508

Bolt, Joint

SN: 81028-UP

1шт.

47

07005-00812

Seal, Washer

SN: 81028-UP

2шт.

48

07206-30508

Bolt, Joint

SN: 81028-UP

1шт.

49

07005-00812

Seal, Washer

SN: 81028-UP

2шт.

50

01010-81260

Bolt

SN: 81028-UP

32шт.

51

01643-31232

Washer

SN: 81028-UP

32шт.

52

04530-13045

Bolt, Eye

SN: 81028-UP

2шт.

53

7861-93-2330

Sensor, Magnetic Pick-Up

SN: 81028-UP

1шт.

Выбрано товаров: 54