Запчасти Komatsu D155AX-6 КОМПРЕССОР, КРЕПЛЕНИЕ (№88-) КОМПРЕССОР, LANDFILL СПЕЦ-ЯIFICATION

Схема запчастей Komatsu D155AX-6 - КОМПРЕССОР, КРЕПЛЕНИЕ (№88-) КОМПРЕССОР, LANDFILL СПЕЦ-ЯIFICATION
6
9
8
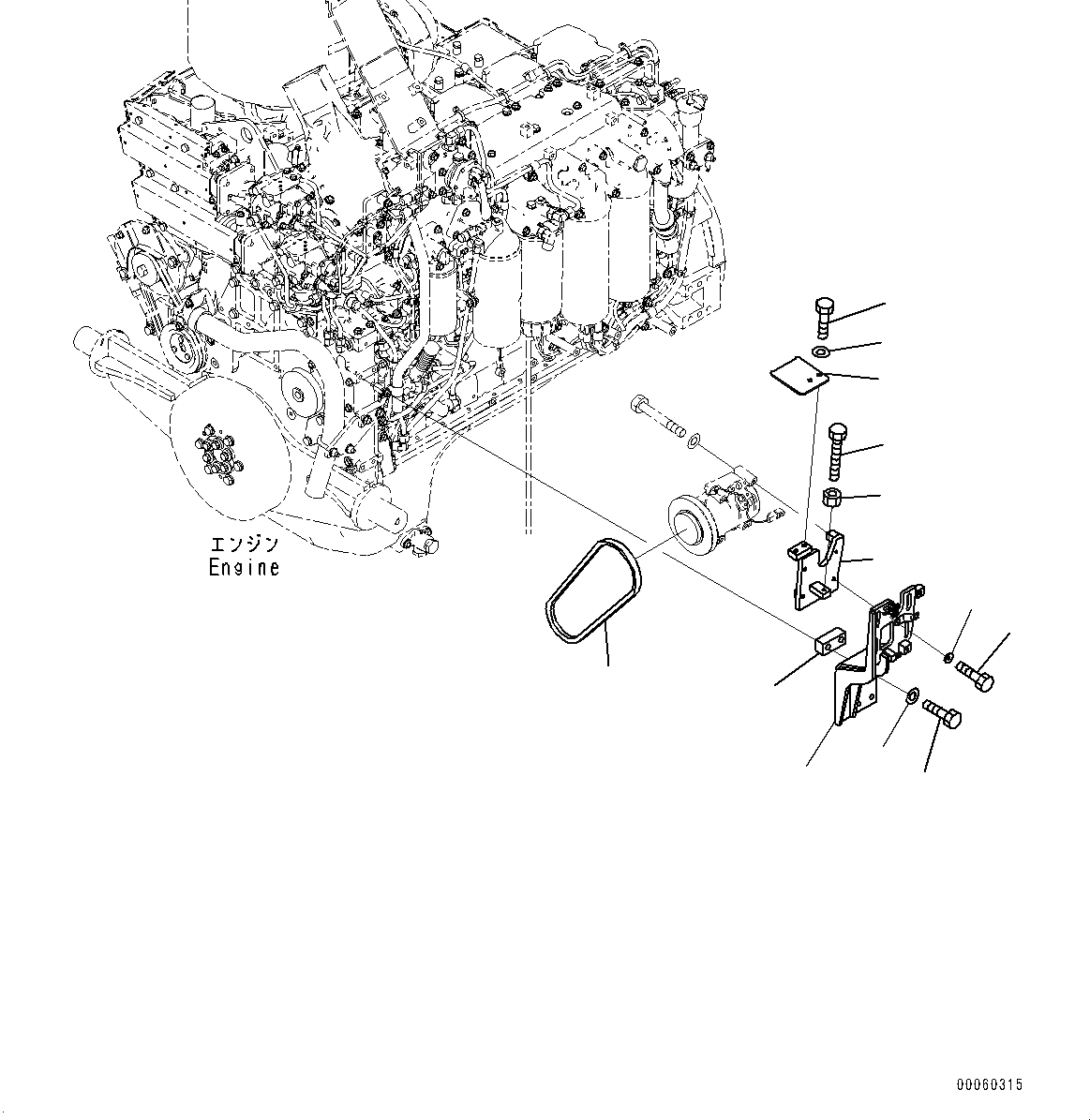
2
4
3
7
1
13
11
12
10
5
FIT
1:1
100%

Артикул

Название

Примечание

Количество

1

17A-911-4663

Bracket

SN: 81028-UP

1шт.

2

17A-911-4762

Spacer

SN: 81028-UP

1шт.

3

01010-81260

Bolt

SN: 81028-UP

4шт.

4

01643-31232

Washer

SN: 81028-UP

4шт.

5

17A-911-4674

Bracket

SN: 81028-UP

1шт.

6

01010-81025

Bolt

SN: 81028-UP

4шт.

7

203-54-56970

Washer

SN: 81028-UP

4шт.

8

01016-51090

Bolt

SN: 81028-UP

1шт.

9

01580-11008

Nut

SN: 81028-UP

1шт.

10

17A-911-4432

Plate

SN: 81028-UP

1шт.

11

01010-81020

Bolt

SN: 81028-UP

2шт.

12

01643-31032

Washer

SN: 81028-UP

2шт.

13

17A-911-4680

V-belt

SN: 81028-UP

1шт.

Выбрано товаров: 13