Запчасти Komatsu D155AX-6 ПРИБОРНАЯ ПАНЕЛЬ, ПЕДАЛЬ УПРАВЛ-Я (/) (№88-) ПРИБОРНАЯ ПАНЕЛЬ, ДЛЯ KOMTRAX, ORBCOMM

Схема запчастей Komatsu D155AX-6 - ПРИБОРНАЯ ПАНЕЛЬ, ПЕДАЛЬ УПРАВЛ-Я (/) (№88-) ПРИБОРНАЯ ПАНЕЛЬ, ДЛЯ KOMTRAX, ORBCOMM
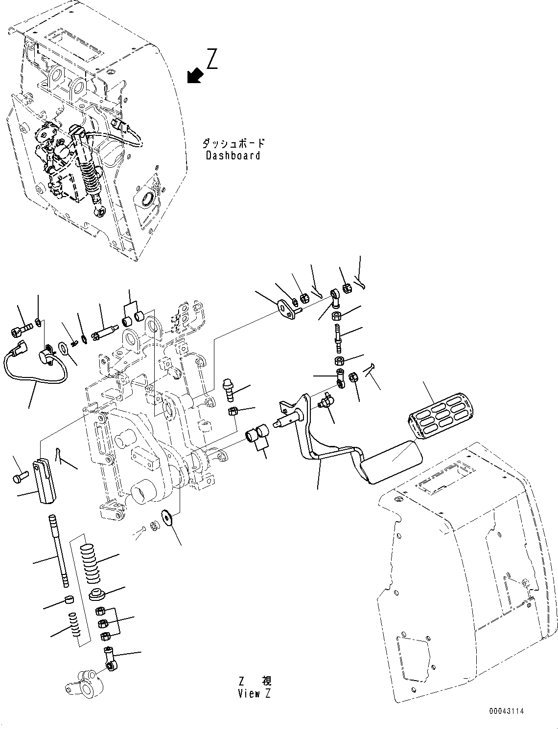
1
2
3
4
5
6
7
8
9
10
11
12
13
14
15
16
17
18
19
20
21
22
23
24
25
26
27
28
29
30
31
32
33
35
36
37
38
34
FIT
1:1
100%

Артикул

Название

Примечание

Количество

1

17A-43-41531

Yoke

SN: 81028-UP

1шт.

2

04250-81056

End

SN: 81028-UP

1шт.

3

01582-11008

Nut

SN: 81028-UP

3шт.

4

17A-43-41521

Guide

SN: 81028-UP

1шт.

5

714-10-17151

Spring

SN: 81028-UP

1шт.

6

202-970-1220

Washer

SN: 81028-UP

1шт.

7

700-92-11690

Spring

SN: 81028-UP

1шт.

8

17A-43-41511

Rod

SN: 81028-UP

1шт.

9

04205-11038

Pin

SN: 81028-UP

1шт.

10

04050-13020

Pin, Cotter

SN: 81028-UP

1шт.

11

17A-43-41131

Pedal

SN: 81028-UP

1шт.

12

06123-02018

Bearing, Needle

SN: 81260-UP

2шт.

12

06123-02020

Bearing, Needle

SN: 81028-81259

2шт.

13

175-54-88110

Washer

SN: 81028-UP

1шт.

14

07020-00000

Fitting, Grease

SN: 81028-UP

1шт.

15

14X-43-13760

Cap

SN: 81028-UP

1шт.

16

09311-41237

Bumper, Pedal

SN: 81028-UP

1шт.

17

01580-11210

Nut

SN: 81028-UP

1шт.

18

01590-30809

Nut

SN: 81028-UP

1шт.

19

04050-12015

Pin, Cotter

SN: 81028-UP

1шт.

20

04250-80847

Rod End

SN: 81028-UP

1шт.

21

01580-10806

Nut

SN: 81028-UP

1шт.

22

04248-30808

Rod

SN: 81028-UP

1шт.

23

01508-40805

Nut

SN: 81028-UP

1шт.

24

04250-90847

Rod End

SN: 81028-UP

1шт.

25

01590-30809

Nut

SN: 81028-UP

1шт.

26

04050-12015

Pin, Cotter

SN: 81028-UP

1шт.

27

17A-06-41980

Sensor

SN: 81028-UP

1шт.

28

01252-70414

Bolt

SN: 81028-UP

2шт.

29

01640-20408

Washer

SN: 81028-UP

2шт.

30

12Y-43-12160

Plate

SN: 81028-UP

1шт.

31

142-43-13180

Spring

SN: 81028-UP

1шт.

32

04064-01610

Ring, Snap

SN: 81028-UP

1шт.

33

17A-43-41161

Shaft

SN: 81028-UP

1шт.

34

06123-01414

Bearing

SN: 81028-UP

2шт.

35

17A-43-41152

Lever

SN: 81028-UP

1шт.

36

01643-30823

Washer

SN: 81028-UP

1шт.

37

01590-30809

Nut

SN: 81028-UP

1шт.

38

04050-12015

Pin, Cotter

SN: 81028-UP

1шт.

Выбрано товаров: 39