Запчасти Komatsu D155AX-6 КРЫЛО, СТУПЕНИS И ВЕЩЕВОЙ ЯЩИК ФИКС. РЕМЕНЬS (№88-88) КРЫЛО, С ВЫСОК. ЕМК. BATTERIES, ДЛЯ ОТВАЛА С ДВОЙН. ПЕРЕКОСОМ, С ЯЩИК Д/ИНСТРУМЕНТА

Схема запчастей Komatsu D155AX-6 - КРЫЛО, СТУПЕНИS И ВЕЩЕВОЙ ЯЩИК ФИКС. РЕМЕНЬS (№88-88) КРЫЛО, С ВЫСОК. ЕМК. BATTERIES, ДЛЯ ОТВАЛА С ДВОЙН. ПЕРЕКОСОМ, С ЯЩИК Д/ИНСТРУМЕНТА
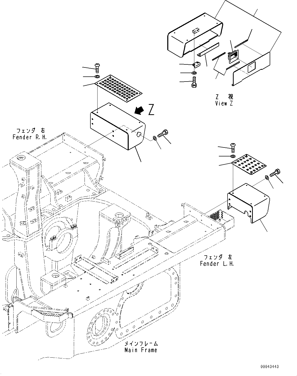
15
14
13
5
6
1
10
12
11
18
16
17
9
8
7
4
2
3
4
1
FIT
1:1
100%

Артикул

Название

Примечание

Количество

1

17A-54-44311

Cover

SN: 81028-81086

1шт.

2

09457-00275

Hinge

SN: 81028-81086

1шт.

3

17A-54-14231

Lock

SN: 81028-81086

1шт.

4

17A-54-44390

Seal

SN: 81028-81086

3шт.

5

01010-81230

Bolt

SN: 81028-81086

4шт.

6

01643-31232

Washer

SN: 81028-81086

4шт.

7

22U-54-24411

Bracket

SN: 81028-81086

1шт.

8

01010-81025

Bolt

SN: 81028-81086

2шт.

9

01643-31032

Washer

SN: 81028-81086

2шт.

10

17A-54-44330

Plate

SN: 81028-81086

1шт.

11

01245-00816

Screw

SN: 81028-81086

4шт.

12

01641-50812

Washer, Flat

SN: 81028-81086

4шт.

13

17A-54-44341

Cover

SN: 81028-81086

1шт.

14

01010-81230

Bolt

SN: 81028-81086

4шт.

15

01643-31232

Washer

SN: 81028-81086

4шт.

16

17A-54-44151

Plate

SN: 81028-81086

1шт.

17

01245-00816

Screw

SN: 81028-81086

4шт.

18

01641-50812

Washer, Flat

SN: 81028-81086

4шт.

Выбрано товаров: 18