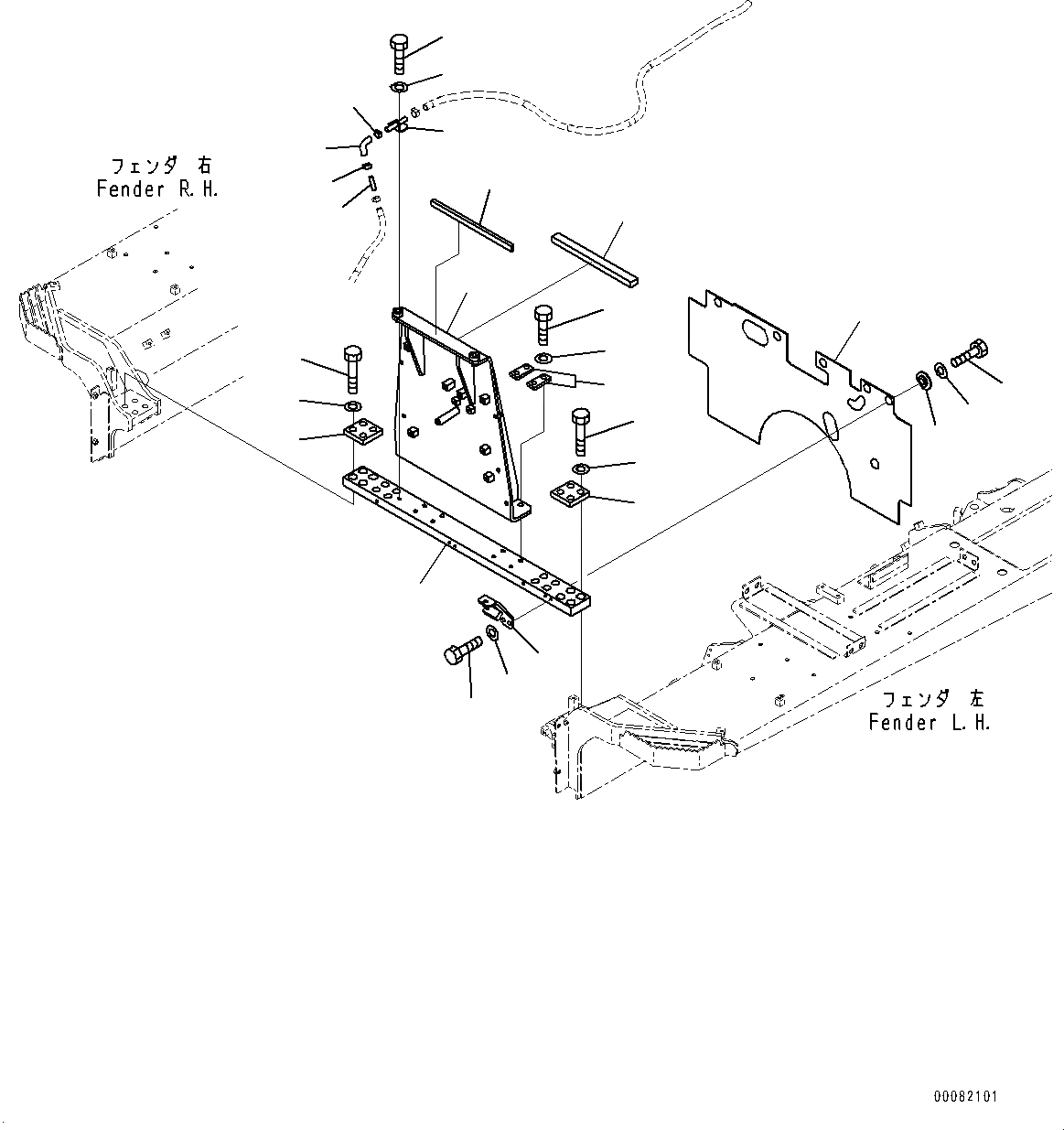
Запчасти Komatsu D155AX-6 КРЫЛО, КРЕПЛЕНИЕ КАПОТАING (№88-88) КРЫЛО, С ВЫСОК. ЕМК. BATTERIES, ДЛЯ ОТВАЛА С ДВОЙН. ПЕРЕКОСОМ, LANDFILL СПЕЦ-ЯIFICATION

Схема запчастей Komatsu D155AX-6 - КРЫЛО, КРЕПЛЕНИЕ КАПОТАING (№88-88) КРЫЛО, С ВЫСОК. ЕМК. BATTERIES, ДЛЯ ОТВАЛА С ДВОЙН. ПЕРЕКОСОМ, LANDFILL СПЕЦ-ЯIFICATION
2
3
4
5
11
15
16
17
18
8
9
10
1
9
10
8
12
13
14
19
20
23
22
21
23
7
6
FIT
1:1
100%

Артикул

Название

Примечание

Количество

|$0

17A-54-43131

Bracket Assembly

SN: 81028-@

1шт.

1

Bracket

SN: 81028-@

1шт.

2

17A-54-42922

Plate

SN: 81028-@

1шт.

3

17A-54-42961

Plate

SN: 81028-@

4шт.

4

01010-81655

Bolt

SN: 81028-@

8шт.

5

01643-31645

Washer

SN: 81028-@

8шт.

6

17A-54-43150

Seal

SN: 81028-@

1шт.

7

17A-54-43160

Seal

SN: 81028-@

1шт.

8

17A-54-42971

Plate

SN: 81028-@

2шт.

9

01011-82400

Bolt

SN: 81028-@

8шт.

10

01643-32460

Washer

SN: 81028-@

8шт.

11

17A-54-45862

Rubber

SN: 81028-@

1шт.

12

17A-54-42981

Plate

SN: 81028-@

5шт.

13

01010-81230

Bolt

SN: 81028-@

5шт.

14

01643-31232

Washer

SN: 81028-@

5шт.

15

17A-54-42531

Bracket

SN: 81028-81481

1шт.

16

01010-81225

Bolt

SN: 81028-@

2шт.

17

01643-31232

Washer

SN: 81028-@

2шт.

18

17A-911-4411

Bracket

SN: 81028-@

1шт.

19

01010-81225

Bolt

SN: 81028-@

1шт.

20

01643-31232

Washer

SN: 81028-@

1шт.

21

09483-70550

Hose

SN: 81028-@

1шт.

22

09484-00560

Connector

SN: 81028-@

1шт.

23

09479-02400

Clip

SN: 81028-@

2шт.

Выбрано товаров: 0