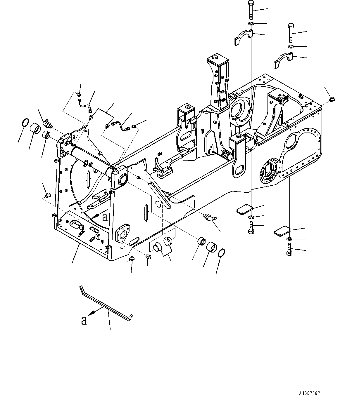
Запчасти Komatsu D155AX-6 ОСНОВН. РАМА (№8-) ОСНОВН. РАМА, LANDFILL СПЕЦ-ЯIFICATION

Схема запчастей Komatsu D155AX-6 - ОСНОВН. РАМА (№8-) ОСНОВН. РАМА, LANDFILL СПЕЦ-ЯIFICATION
4
5
14
16
15
17
17
15
16
6
6
4
5
10
13
11
11
9
10
8
8
9
12
11
13
12
7
2
1
3
18
18
FIT
1:1
100%

Артикул

Название

Примечание

Количество

1

17A-21-41515

Frame Assembly

SN: 81630-UP

1шт.

2

17A-21-41550

Seal

SN: 81630-UP

1шт.

3

07049-02430

Plug

SN: 81630-UP

10шт.

4

17A-21-11151

Plate

SN: 81630-UP

2шт.

5

01010-81225

Bolt

SN: 81630-UP

8шт.

6

01643-31232

Washer

SN: 81630-UP

8шт.

7

17A-50-42211

Bushing

SN: 81630-UP

2шт.

8

175-61-15450

Bushing

SN: 81630-UP

2шт.

9

175-61-15460

Bushing

SN: 81630-UP

2шт.

10

07145-00125

Seal, Dust

SN: 81630-UP

2шт.

11

201-62-41910

Elbow

SN: 81630-UP

4шт.

12

07020-00675

Fitting, Grease

SN: 81630-UP

2шт.

13

17A-61-41820

Hose

SN: 81630-UP

2шт.

14

07049-03949

Plug, Cork

SN: 81630-UP

22шт.

15

17A-21-41391

Cap

SN: 81630-UP

2шт.

16

01011-81655

Bolt

SN: 81630-UP

8шт.

17

01643-31645

Washer

SN: 81630-UP

8шт.

18

07049-01215

Plug

SN: 81630-UP

4шт.

Выбрано товаров: 18