Запчасти Komatsu D155AX-6 КАБИНА, ЗАМОК ДВЕРИ, ПРАВ. (№89-) КАБИНА, С AM-FM STEREO РАДИО, CASSETTE, ЕСКАНАТ, ASIA

Схема запчастей Komatsu D155AX-6 - КАБИНА, ЗАМОК ДВЕРИ, ПРАВ. (№89-) КАБИНА, С AM-FM STEREO РАДИО, CASSETTE, ЕСКАНАТ, ASIA
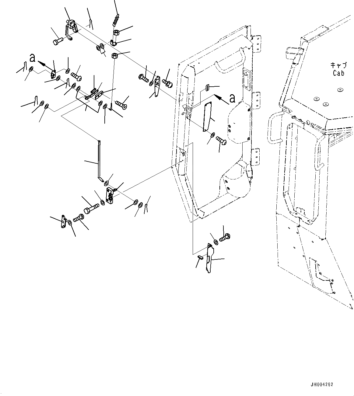
1
2
3
4
5
6
7
8
9
10
11
12
13
14
15
16
19
20
21
22
23
24
25
26
27
28
29
31
31
30
33
34
35
36
37
38
39
40
41
42
43
44
45
14
32
18
16
17
46
FIT
1:1
100%

Артикул

Название

Примечание

Количество

1

11Y-979-2571

Handle Assembly

SN: 81049-UP

1шт.

2

01023-10520

Screw

SN: 81028-UP

5шт.

3

12Y-978-3210

Plate

SN: 81028-UP

1шт.

4

01245-00620

Screw

SN: 81028-UP

3шт.

5

01643-70623

Washer

SN: 81028-UP

3шт.

6

04205-10622

Pin

SN: 81028-UP

1шт.

7

01643-70623

Washer

SN: 81028-UP

4шт.

8

04050-11612

Pin, Cotter

SN: 81028-UP

1шт.

9

12Y-978-3281

Knob

SN: 81028-UP

1шт.

10

12Y-978-3290

Plate

SN: 81028-UP

1шт.

11

01023-20410

Screw

SN: 81028-UP

2шт.

12

12Y-978-3231

Plate

SN: 81028-UP

1шт.

13

12Y-978-3241

Rod

SN: 81028-UP

1шт.

14

01580-00605

Nut

SN: 81028-UP

2шт.

15

176-06-42170

Spring

SN: 81028-UP

1шт.

16

01643-70623

Washer

SN: 81028-UP

2шт.

17

12Y-978-3310

Rubber

SN: 81028-UP

2шт.

18

04050-11612

Pin, Cotter

SN: 81028-UP

1шт.

19

12Y-978-3470

Plate

SN: 81028-UP

1шт.

20

12Y-978-3271

Plate

SN: 81028-UP

1шт.

21

01643-70823

Washer

SN: 81028-UP

1шт.

22

12Y-978-3360

Rubber

SN: 81028-UP

1шт.

23

04050-12012

Pin, Cotter

SN: 81028-UP

1шт.

24

01245-00620

Screw

SN: 81028-UP

2шт.

25

01643-70623

Washer

SN: 81028-UP

2шт.

26

17A-979-3330

Plate

SN: 81028-UP

1шт.

27

01640-20610

Washer

SN: 81028-UP

1шт.

28

12Y-978-3310

Rubber

SN: 81028-UP

2шт.

29

04050-11612

Pin, Cotter

SN: 81028-UP

1шт.

30

01643-70623

Washer

SN: 81028-UP

1шт.

31

12Y-978-3310

Rubber

SN: 81028-UP

2шт.

32

04050-11612

Pin, Cotter

SN: 81028-UP

1шт.

33

195-Z11-4510

Lock

SN: 81028-UP

1шт.

34

01010-D0635

Bolt

SN: 81028-UP

4шт.

35

01643-70623

Washer

SN: 81028-UP

4шт.

36

12Y-978-3480

Striker

SN: 81028-UP

1шт.

37

01245-00825

Screw

SN: 81028-UP

4шт.

38

01643-70823

Washer

SN: 81028-UP

4шт.

39

12Y-978-3340

Plate

SN: 81028-UP

1шт.

40

01245-00620

Screw

SN: 81028-UP

3шт.

41

01643-70623

Washer

SN: 81028-UP

3шт.

42

17A-979-3751

Cover

SN: 81028-UP

1шт.

43

01245-00620

Screw

SN: 81028-UP

2шт.

44

01643-70623

Washer

SN: 81028-UP

2шт.

45

17A-979-3811

Sheet

SN: 81028-UP

1шт.

46

17A-979-4120

Sheet

SN: 81049-UP

1шт.

Выбрано товаров: 46