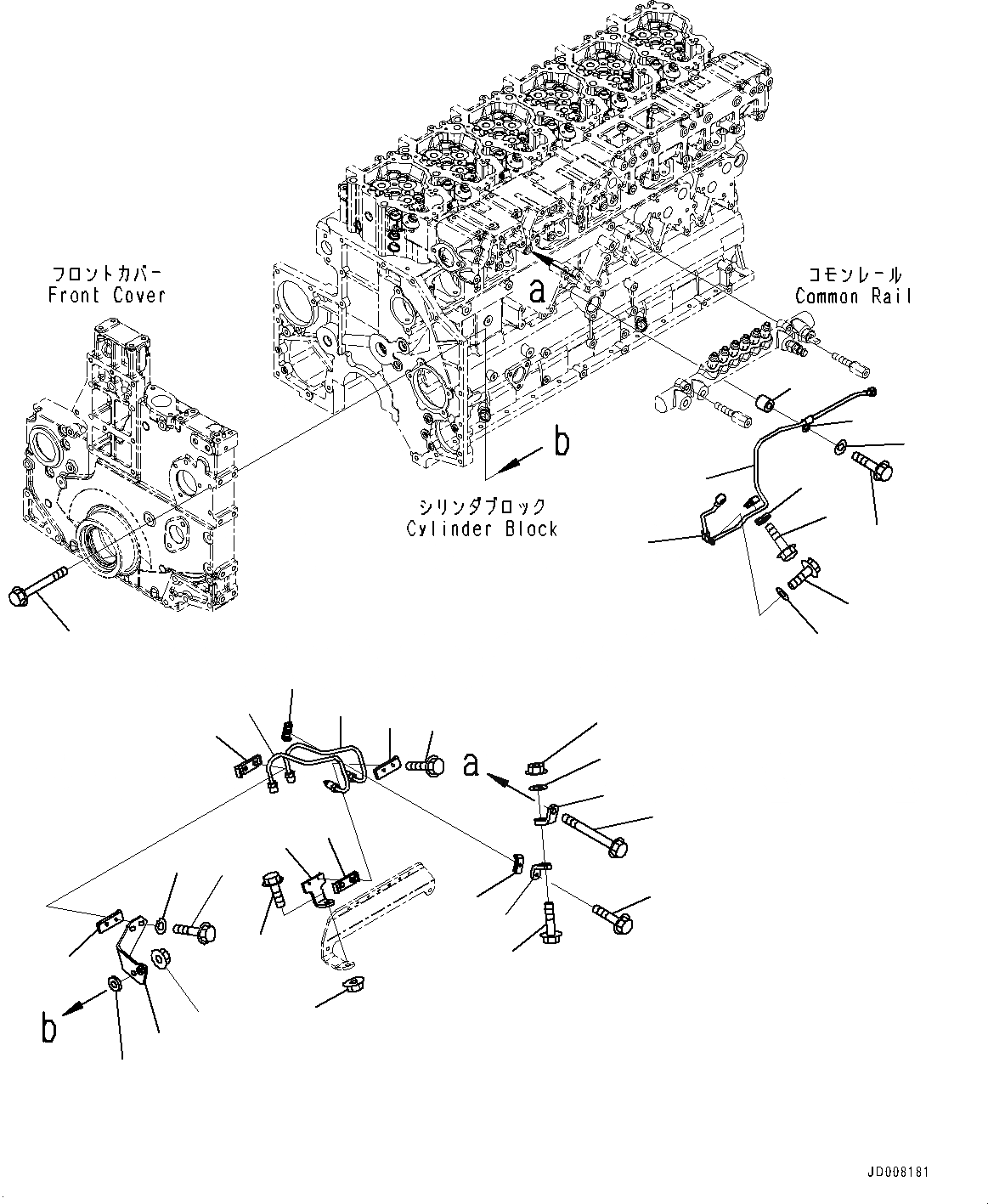
Запчасти Komatsu SAA6D140E-5G ТОПЛИВН. НАСОС, ТОПЛИВОПРОВОД. (№7-) ТОПЛИВН. НАСОС

Схема запчастей Komatsu SAA6D140E-5G - ТОПЛИВН. НАСОС, ТОПЛИВОПРОВОД. (№7-) ТОПЛИВН. НАСОС
1
2
3
4
5
6
7
8
9
10
13
14
15
16
17
18
19
20
3
10
3
12
18
18
11
29
28
27
26
25
24
23
22
21
29
1
2
3
4
5
6
7
8
9
10
13
14
15
16
17
18
19
20
3
10
3
12
18
18
11
29
28
27
26
25
24
23
22
21
29
FIT
1:1
100%

Артикул

Название

Примечание

Количество

1

6110-23-6490

Spacer

SN: 535751-UP

1шт.

2

6217-71-5171

Clamp

SN: 535820-UP

1шт.

2

6217-71-5170

Clamp

SN: 535751-535819

1шт.

3

6217-71-5211

Clamp

SN: 535820-UP

3шт.

3

6217-71-5210

Clamp

SN: 535751-535819

3шт.

4

6217-71-5281

Bracket

SN: 535751-UP

1шт.

5

6261-71-5910

Bracket

SN: 535751-UP

1шт.

6

6217-71-6640

Clamp

SN: 535751-UP

1шт.

7

6217-71-6650

Clamp

SN: 535751-UP

1шт.

8

6261-71-5670

Bracket

SN: 535751-UP

1шт.

9

6261-71-5690

Bracket

SN: 535751-UP

1шт.

10

6261-71-4112

Tube, Supply

SN: 535912-UP

2шт.

10

6261-71-4111

Tube, Supply

SN: 535751-535911

2шт.

11

01436-01010

Bolt

SN: 535751-UP

1шт.

12

01435-00630

Bolt

SN: 535751-UP

2шт.

13

01435-00635

Bolt

SN: 535751-UP

1шт.

14

01643-30823

Washer

SN: 535751-UP

2шт.

15

01435-00640

Bolt

SN: 535751-UP

2шт.

16

01435-01035

Bolt

SN: 535751-UP

1шт.

17

01435-01025

Bolt

SN: 535751-UP

1шт.

18

01584-01008

Nut

SN: 535751-UP

3шт.

19

01643-31032

Washer

SN: 535751-UP

1шт.

20

01436-01080

Bolt

SN: 535751-UP

1шт.

21

175-79-83760

Spacer

SN: 535751-UP

1шт.

22

6210-51-8320

Clip

SN: 535751-UP

1шт.

23

6261-71-5411

Tube, Over Flow

SN: 535751-UP

1шт.

24

6217-71-6650

Clamp

SN: 535751-UP

2шт.

25

01435-00630

Bolt

SN: 535751-UP

1шт.

26

01435-01040

Bolt

SN: 535751-UP

1шт.

27

6210-51-8320

Clip

SN: 535751-UP

1шт.

28

01435-01020

Bolt

SN: 535751-UP

1шт.

29

01643-31032

Washer

SN: 535751-UP

2шт.

1

6110-23-6490

Spacer

SN: 535751-UP

1шт.

2

6217-71-5171

Clamp

SN: 535820-UP

1шт.

2

6217-71-5170

Clamp

SN: 535751-535819

1шт.

3

6217-71-5211

Clamp

SN: 535820-UP

3шт.

3

6217-71-5210

Clamp

SN: 535751-535819

3шт.

4

6217-71-5281

Bracket

SN: 535751-UP

1шт.

5

6261-71-5910

Bracket

SN: 535751-UP

1шт.

6

6217-71-6640

Clamp

SN: 535751-UP

1шт.

7

6217-71-6650

Clamp

SN: 535751-UP

1шт.

8

6261-71-5670

Bracket

SN: 535751-UP

1шт.

9

6261-71-5690

Bracket

SN: 535751-UP

1шт.

10

6261-71-4112

Tube, Supply

SN: 535912-UP

2шт.

10

6261-71-4111

Tube, Supply

SN: 535751-535911

2шт.

11

01436-01010

Bolt

SN: 535751-UP

1шт.

12

01435-00630

Bolt

SN: 535751-UP

2шт.

13

01435-00635

Bolt

SN: 535751-UP

1шт.

14

01643-30823

Washer

SN: 535751-UP

2шт.

15

01435-00640

Bolt

SN: 535751-UP

2шт.

16

01435-01035

Bolt

SN: 535751-UP

1шт.

17

01435-01025

Bolt

SN: 535751-UP

1шт.

18

01584-01008

Nut

SN: 535751-UP

3шт.

19

01643-31032

Washer

SN: 535751-UP

1шт.

20

01436-01080

Bolt

SN: 535751-UP

1шт.

21

175-79-83760

Spacer

SN: 535751-UP

1шт.

22

6210-51-8320

Clip

SN: 535751-UP

1шт.

23

6261-71-5411

Tube, Over Flow

SN: 535751-UP

1шт.

24

6217-71-6650

Clamp

SN: 535751-UP

2шт.

25

01435-00630

Bolt

SN: 535751-UP

1шт.

26

01435-01040

Bolt

SN: 535751-UP

1шт.

27

6210-51-8320

Clip

SN: 535751-UP

1шт.

28

01435-01020

Bolt

SN: 535751-UP

1шт.

29

01643-31032

Washer

SN: 535751-UP

2шт.

Выбрано товаров: 64