Запчасти Komatsu SAA6D140E-5G ТЕРМОЗАЩИТА, (/) (№7-) ТЕРМОЗАЩИТА, LANDFILL СПЕЦ-ЯIFICATION

Схема запчастей Komatsu SAA6D140E-5G - ТЕРМОЗАЩИТА, (/) (№7-) ТЕРМОЗАЩИТА, LANDFILL СПЕЦ-ЯIFICATION
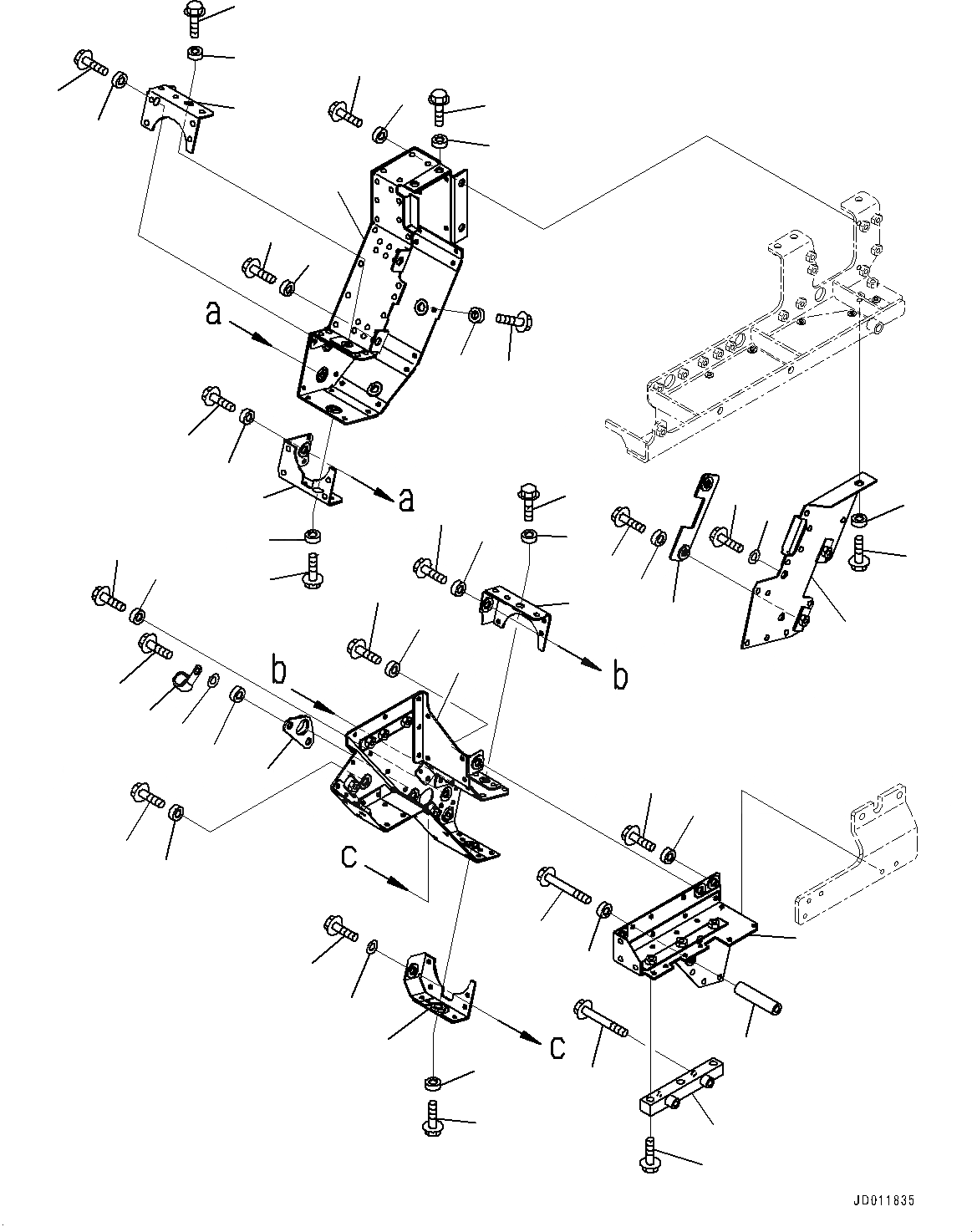
5
8
9
7
6
10
12
11
38
36
37
38
37
26
33
31
35
34
19
20
21
32
21
20
29
27
21
20
24
28
30
22
25
23
40
41
39
43
42
15
17
18
13
17
18
3
4
15
14
1
4
2
4
2
14
2
4
16
5
8
9
7
6
10
12
11
38
36
37
38
37
26
33
31
35
34
19
20
21
32
21
20
29
27
21
20
24
28
30
22
25
23
40
41
39
43
42
15
17
18
13
17
18
3
4
15
14
1
4
2
4
2
14
2
4
16
FIT
1:1
100%

Артикул

Название

Примечание

Количество

1

6261-11-2820

Cover

SN: 535751-UP

1шт.

2

01435-01030

Bolt

SN: 535751-UP

6шт.

3

01435-01035

Bolt

SN: 535751-UP

2шт.

4

6164-11-9190

Spacer

SN: 535751-UP

8шт.

5

6261-11-2810

Cover

SN: 535751-UP

1шт.

6

01435-01025

Bolt

SN: 535751-UP

2шт.

7

203-54-56970

Washer

SN: 535751-UP

2шт.

8

01435-01030

Bolt

SN: 535751-UP

1шт.

9

6164-11-9190

Spacer

SN: 535751-UP

1шт.

10

6261-11-2790

Cover

SN: 535751-UP

1шт.

11

01435-01030

Bolt

SN: 535751-UP

2шт.

12

6164-11-9190

Spacer

SN: 535751-UP

2шт.

13

6261-11-2830

Cover

SN: 535751-UP

1шт.

14

01435-01025

Bolt

SN: 535751-UP

2шт.

15

6164-11-9190

Spacer

SN: 535751-UP

2шт.

16

6261-11-2840

Cover

SN: 535751-UP

1шт.

17

01435-01025

Bolt

SN: 535751-UP

2шт.

18

6164-11-9190

Spacer

SN: 535751-UP

2шт.

19

6261-11-2860

Cover

SN: 535751-UP

1шт.

20

01435-01030

Bolt

SN: 535751-UP

3шт.

21

6164-11-9190

Spacer

SN: 535751-UP

3шт.

22

6261-11-2850

Bracket

SN: 535751-UP

1шт.

23

01438-01010

Bolt

SN: 535751-UP

2шт.

24

6261-11-2890

Cover

SN: 535751-UP

1шт.

25

01435-01040

Bolt

SN: 535751-UP

3шт.

26

01435-01025

Bolt

SN: 535751-UP

2шт.

27

6164-11-9190

Spacer

SN: 535751-UP

2шт.

28

01436-01040

Bolt

SN: 535751-UP

2шт.

29

6164-11-9190

Spacer

SN: 535751-UP

2шт.

30

195-01-16420

Collar

SN: 535751-UP

2шт.

31

6261-11-2990

Cover

SN: 535751-UP

1шт.

32

01435-01030

Bolt

SN: 535751-UP

2шт.

33

6164-11-9190

Spacer

SN: 535751-UP

2шт.

34

600-051-2180

Clip

SN: 535751-UP

1шт.

35

01643-31032

Washer

SN: 535751-UP

1шт.

36

6261-11-2870

Cover

SN: 535751-UP

1шт.

37

01435-01025

Bolt

SN: 535751-UP

2шт.

38

6164-11-9190

Spacer

SN: 535751-UP

2шт.

39

6261-11-2880

Cover

SN: 535751-UP

1шт.

40

01435-01025

Bolt

SN: 535751-UP

1шт.

41

6164-11-9190

Spacer

SN: 535751-UP

1шт.

42

01435-01020

Bolt

SN: 535751-UP

1шт.

43

203-54-56970

Washer

SN: 535751-UP

1шт.

1

6261-11-2820

Cover

SN: 535751-UP

1шт.

2

01435-01030

Bolt

SN: 535751-UP

6шт.

3

01435-01035

Bolt

SN: 535751-UP

2шт.

4

6164-11-9190

Spacer

SN: 535751-UP

8шт.

5

6261-11-2810

Cover

SN: 535751-UP

1шт.

6

01435-01025

Bolt

SN: 535751-UP

2шт.

7

203-54-56970

Washer

SN: 535751-UP

2шт.

8

01435-01030

Bolt

SN: 535751-UP

1шт.

9

6164-11-9190

Spacer

SN: 535751-UP

1шт.

10

6261-11-2790

Cover

SN: 535751-UP

1шт.

11

01435-01030

Bolt

SN: 535751-UP

2шт.

12

6164-11-9190

Spacer

SN: 535751-UP

2шт.

13

6261-11-2830

Cover

SN: 535751-UP

1шт.

14

01435-01025

Bolt

SN: 535751-UP

2шт.

15

6164-11-9190

Spacer

SN: 535751-UP

2шт.

16

6261-11-2840

Cover

SN: 535751-UP

1шт.

17

01435-01025

Bolt

SN: 535751-UP

2шт.

18

6164-11-9190

Spacer

SN: 535751-UP

2шт.

19

6261-11-2860

Cover

SN: 535751-UP

1шт.

20

01435-01030

Bolt

SN: 535751-UP

3шт.

21

6164-11-9190

Spacer

SN: 535751-UP

3шт.

22

6261-11-2850

Bracket

SN: 535751-UP

1шт.

23

01438-01010

Bolt

SN: 535751-UP

2шт.

24

6261-11-2890

Cover

SN: 535751-UP

1шт.

25

01435-01040

Bolt

SN: 535751-UP

3шт.

26

01435-01025

Bolt

SN: 535751-UP

2шт.

27

6164-11-9190

Spacer

SN: 535751-UP

2шт.

28

01436-01040

Bolt

SN: 535751-UP

2шт.

29

6164-11-9190

Spacer

SN: 535751-UP

2шт.

30

195-01-16420

Collar

SN: 535751-UP

2шт.

31

6261-11-2990

Cover

SN: 535751-UP

1шт.

32

01435-01030

Bolt

SN: 535751-UP

2шт.

33

6164-11-9190

Spacer

SN: 535751-UP

2шт.

34

600-051-2180

Clip

SN: 535751-UP

1шт.

35

01643-31032

Washer

SN: 535751-UP

1шт.

36

6261-11-2870

Cover

SN: 535751-UP

1шт.

37

01435-01025

Bolt

SN: 535751-UP

2шт.

38

6164-11-9190

Spacer

SN: 535751-UP

2шт.

39

6261-11-2880

Cover

SN: 535751-UP

1шт.

40

01435-01025

Bolt

SN: 535751-UP

1шт.

41

6164-11-9190

Spacer

SN: 535751-UP

1шт.

42

01435-01020

Bolt

SN: 535751-UP

1шт.

43

203-54-56970

Washer

SN: 535751-UP

1шт.

Выбрано товаров: 86