Запчасти Komatsu SAA6D140E-5G ВЫПУСКН. GAS RE-CIRCULATION (EGR) КЛАПАН, EGR BY-PASS КЛАПАН ТРУБЫ (№7-) ВЫПУСКН. GAS RE-CIRCULATION (EGR) КЛАПАН

Схема запчастей Komatsu SAA6D140E-5G - ВЫПУСКН. GAS RE-CIRCULATION (EGR) КЛАПАН, EGR BY-PASS КЛАПАН ТРУБЫ (№7-) ВЫПУСКН. GAS RE-CIRCULATION (EGR) КЛАПАН
31
30
19
32
17
18
31
20
9
10
11
12
13
14
15
16
17
18
19
21
22
30
33
34
31
26
31
28
31
29
24
23
27
25
31
31
28
1
8
7
6
4
3
2
1
7
6
6
5
31
30
19
32
17
18
31
20
9
10
11
12
13
14
15
16
17
18
19
21
22
30
33
34
31
26
31
28
31
29
24
23
27
25
31
31
28
1
8
7
6
4
3
2
1
7
6
6
5
FIT
1:1
100%

Артикул

Название

Примечание

Количество

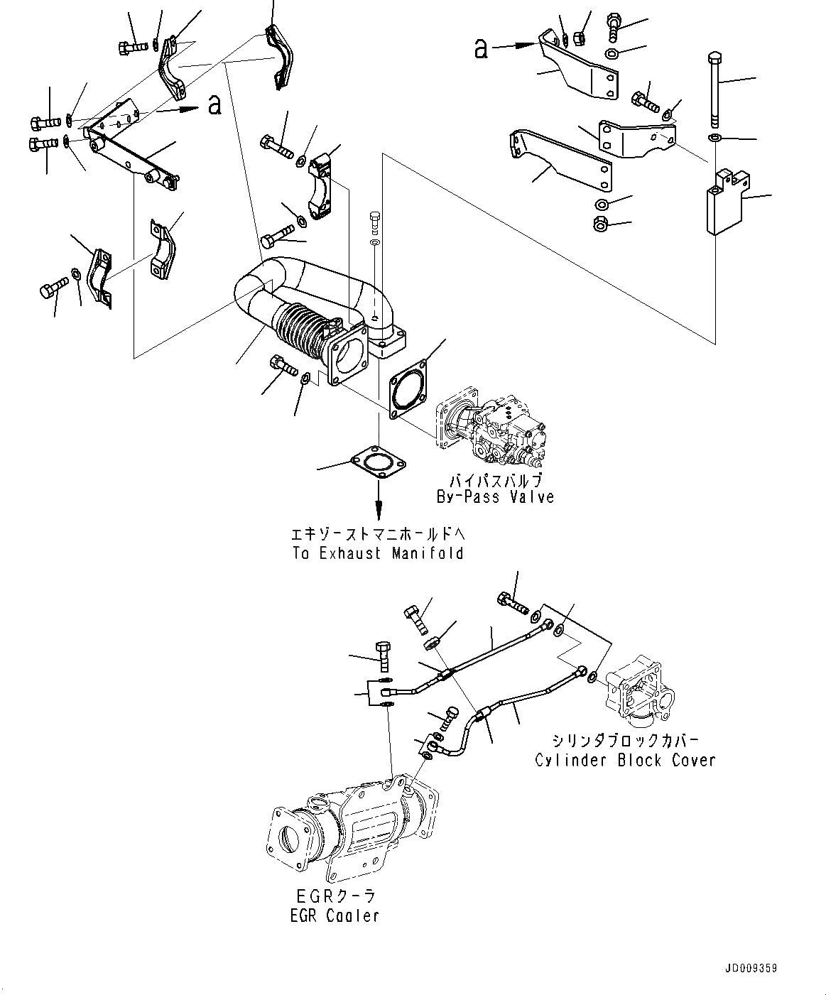
1

6210-51-8320

Clip

SN: 535751-UP

2шт.

2

6261-61-7310

Tube

SN: 535751-UP

1шт.

3

6261-61-7320

Tube

SN: 535751-UP

1шт.

4

01435-01025

Bolt

SN: 535751-UP

1шт.

5

6162-73-5940

Spacer

SN: 535751-UP

1шт.

6

07005-01212

Seal, Washer

SN: 535751-UP

7шт.

7

07206-30812

Bolt, Joint

SN: 535751-UP

2шт.

8

6354-71-5560

Bolt, Joint

SN: 535751-UP

1шт.

9

6207-11-5390

Gasket

SN: 535751-UP

1шт.

10

6261-11-9520

Gasket

SN: 535751-UP

1шт.

11

6261-11-9412

Tube, Bypass Valve

SN: 535751-UP

1шт.

11

6261-11-9411

Tube, Bypass Valve

SN: 535751-535895

1шт.

12

6261-11-4880

Bracket

SN: 535751-UP

1шт.

13

6261-11-4780

Bolt

SN: 535751-UP

2шт.

14

01643-31032

Washer

SN: 535751-UP

2шт.

15

01010-E1030

Bolt

SN: 535751-UP

2шт.

16

01010-E1060

Bolt

SN: 535751-UP

2шт.

17

01643-31032

Washer

SN: 535751-UP

4шт.

18

6261-11-9870

Clamp

SN: 535751-UP

2шт.

19

6261-11-9880

Clamp

SN: 535751-UP

2шт.

20

01010-E1025

Bolt

SN: 535751-UP

4шт.

21

01643-31032

Washer

SN: 535751-UP

4шт.

22

6261-11-4870

Bracket

SN: 535751-UP

1шт.

23

6261-11-4891

Bracket

SN: 535751-UP

1шт.

24

6261-11-4791

Bracket

SN: 535751-UP

1шт.

25

6261-11-5990

Bracket

SN: 535751-UP

1шт.

26

01010-E1035

Bolt

SN: 535751-UP

4шт.

27

01010-E1045

Bolt

SN: 535751-UP

2шт.

28

01580-01008

Nut

SN: 535751-UP

6шт.

29

01010-E1030

Bolt

SN: 535751-UP

2шт.

30

01010-E1025

Bolt

SN: 535751-UP

1шт.

31

01643-31032

Washer

SN: 535751-UP

15шт.

32

6251-11-9150

Plate

SN: 535751-UP

1шт.

33

01010-E1050

Bolt

SN: 535751-UP

2шт.

34

01643-31032

Washer

SN: 535751-UP

2шт.

1

6210-51-8320

Clip

SN: 535751-UP

2шт.

2

6261-61-7310

Tube

SN: 535751-UP

1шт.

3

6261-61-7320

Tube

SN: 535751-UP

1шт.

4

01435-01025

Bolt

SN: 535751-UP

1шт.

5

6162-73-5940

Spacer

SN: 535751-UP

1шт.

6

07005-01212

Seal, Washer

SN: 535751-UP

7шт.

7

07206-30812

Bolt, Joint

SN: 535751-UP

2шт.

8

6354-71-5560

Bolt, Joint

SN: 535751-UP

1шт.

9

6207-11-5390

Gasket

SN: 535751-UP

1шт.

10

6261-11-9520

Gasket

SN: 535751-UP

1шт.

11

6261-11-9412

Tube, Bypass Valve

SN: 535751-UP

1шт.

11

6261-11-9411

Tube, Bypass Valve

SN: 535751-535895

1шт.

12

6261-11-4880

Bracket

SN: 535751-UP

1шт.

13

6261-11-4780

Bolt

SN: 535751-UP

2шт.

14

01643-31032

Washer

SN: 535751-UP

2шт.

15

01010-E1030

Bolt

SN: 535751-UP

2шт.

16

01010-E1060

Bolt

SN: 535751-UP

2шт.

17

01643-31032

Washer

SN: 535751-UP

4шт.

18

6261-11-9870

Clamp

SN: 535751-UP

2шт.

19

6261-11-9880

Clamp

SN: 535751-UP

2шт.

20

01010-E1025

Bolt

SN: 535751-UP

4шт.

21

01643-31032

Washer

SN: 535751-UP

4шт.

22

6261-11-4870

Bracket

SN: 535751-UP

1шт.

23

6261-11-4891

Bracket

SN: 535751-UP

1шт.

24

6261-11-4791

Bracket

SN: 535751-UP

1шт.

25

6261-11-5990

Bracket

SN: 535751-UP

1шт.

26

01010-E1035

Bolt

SN: 535751-UP

4шт.

27

01010-E1045

Bolt

SN: 535751-UP

2шт.

28

01580-01008

Nut

SN: 535751-UP

6шт.

29

01010-E1030

Bolt

SN: 535751-UP

2шт.

30

01010-E1025

Bolt

SN: 535751-UP

1шт.

31

01643-31032

Washer

SN: 535751-UP

15шт.

32

6251-11-9150

Plate

SN: 535751-UP

1шт.

33

01010-E1050

Bolt

SN: 535751-UP

2шт.

34

01643-31032

Washer

SN: 535751-UP

2шт.

Выбрано товаров: 70