Запчасти Komatsu SAA6D140E-5G РАСПРЕДВАЛ КОМПОНЕНТЫ, РЕЗИН. (№7-) РАСПРЕДВАЛ КОМПОНЕНТЫ

Схема запчастей Komatsu SAA6D140E-5G - РАСПРЕДВАЛ КОМПОНЕНТЫ, РЕЗИН. (№7-) РАСПРЕДВАЛ КОМПОНЕНТЫ
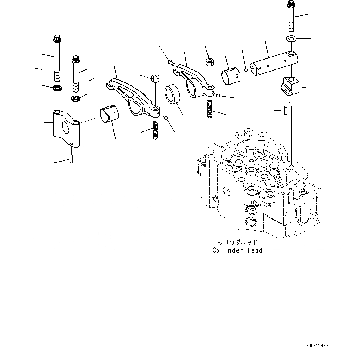
1
2
4
5
6
7
8
9
10
11
12
13
14
15
16
17
18
19
20
21
22
3
1
2
4
5
6
7
8
9
10
11
12
13
14
15
16
17
18
19
20
21
22
3
FIT
1:1
100%

Артикул

Название

Примечание

Количество

|$0

6261-41-5040

Rocker Arm Assembly

SN: 535751-UP

6шт.

|$1

6261-41-5400

Arm Assembly

SN: 535751-UP

1шт.

1

Arm Assembly, Rocker

SN: 535751-UP

1шт.

2

6261-41-5420

Bushing

SN: 535751-UP

1шт.

3

6162-43-5340

Rivet

SN: 535751-UP

1шт.

4

04260-00317

Ball, Steel

SN: 535751-UP

1шт.

5

6217-41-5550

Screw

SN: 535751-UP

1шт.

6

01582-01008

Nut

SN: 535751-UP

1шт.

6

6261-41-5050

Rocker Arm Assembly

SN: 535751-UP

6шт.

6

6261-41-5500

Arm Assembly

SN: 535751-UP

1шт.

7

Arm

SN: 535751-UP

1шт.

8

6261-41-5520

Bushing

SN: 535751-UP

1шт.

9

04260-00317

Ball, Steel

SN: 535751-UP

1шт.

10

6217-41-5550

Screw

SN: 535751-UP

1шт.

11

01582-01008

Nut

SN: 535751-UP

1шт.

11

6934-42-5300

Shaft Assembly

SN: 535751-UP

6шт.

12

Shaft

SN: 535751-UP

1шт.

13

04260-00635

Ball, Steel

SN: 535751-UP

1шт.

14

6261-41-5530

Bracket

SN: 535751-UP

6шт.

15

6210-41-5440

Collar

SN: 535751-UP

6шт.

16

04020-00514

Pin, Dowel

SN: 535751-UP

6шт.

17

04020-00514

Pin, Dowel

SN: 535751-UP

12шт.

18

6217-41-5540

Spacer

SN: 535751-UP

6шт.

19

6217-41-5570

Bolt

SN: 535751-UP

6шт.

20

6217-41-5560

Bolt

SN: 535751-UP

6шт.

21

6217-81-8311

Bolt

SN: 535751-UP

6шт.

22

01643-51232

Washer

SN: 535751-UP

6шт.

|$0

6261-41-5040

Rocker Arm Assembly

SN: 535751-UP

6шт.

|$1

6261-41-5400

Arm Assembly

SN: 535751-UP

1шт.

1

Arm Assembly, Rocker

SN: 535751-UP

1шт.

2

6261-41-5420

Bushing

SN: 535751-UP

1шт.

3

6162-43-5340

Rivet

SN: 535751-UP

1шт.

4

04260-00317

Ball, Steel

SN: 535751-UP

1шт.

5

6217-41-5550

Screw

SN: 535751-UP

1шт.

6

01582-01008

Nut

SN: 535751-UP

1шт.

6

6261-41-5050

Rocker Arm Assembly

SN: 535751-UP

6шт.

6

6261-41-5500

Arm Assembly

SN: 535751-UP

1шт.

7

Arm

SN: 535751-UP

1шт.

8

6261-41-5520

Bushing

SN: 535751-UP

1шт.

9

04260-00317

Ball, Steel

SN: 535751-UP

1шт.

10

6217-41-5550

Screw

SN: 535751-UP

1шт.

11

01582-01008

Nut

SN: 535751-UP

1шт.

11

6934-42-5300

Shaft Assembly

SN: 535751-UP

6шт.

12

Shaft

SN: 535751-UP

1шт.

13

04260-00635

Ball, Steel

SN: 535751-UP

1шт.

14

6261-41-5530

Bracket

SN: 535751-UP

6шт.

15

6210-41-5440

Collar

SN: 535751-UP

6шт.

16

04020-00514

Pin, Dowel

SN: 535751-UP

6шт.

17

04020-00514

Pin, Dowel

SN: 535751-UP

12шт.

18

6217-41-5540

Spacer

SN: 535751-UP

6шт.

19

6217-41-5570

Bolt

SN: 535751-UP

6шт.

20

6217-41-5560

Bolt

SN: 535751-UP

6шт.

21

6217-81-8311

Bolt

SN: 535751-UP

6шт.

22

01643-51232

Washer

SN: 535751-UP

6шт.

Выбрано товаров: 54