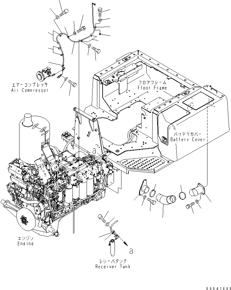
Запчасти Komatsu D155AX-6A КОМПРЕССОР (ВОЗДУХОВОДЫ И ЭЛЕКТРОПРОВОДКА)(№8-) КОМПОНЕНТЫ ДВИГАТЕЛЯ

Схема запчастей Komatsu D155AX-6A - КОМПРЕССОР (ВОЗДУХОВОДЫ И ЭЛЕКТРОПРОВОДКА)(№8-) КОМПОНЕНТЫ ДВИГАТЕЛЯ
1
2
3
4
5
6
6
7
8
9
10
11
12
13
14
15
16
17
18
19
20
21
21
21
22
22
23
23
24
25
26
FIT
1:1
100%

Артикул

Название

Примечание

Количество

1

04434-52112

CLIP

SN: 80001-UP

1шт.

2

07095-20314

CUSHION

SN: 80001-UP

1шт.

3

01010-81220

BOLT

SN: 80001-UP

1шт.

4

01643-31232

WASHER

SN: 80001-UP

1шт.

5

142-979-3470

HOSE

SN: 80001-UP

1шт.

6

07281-01159

CLAMP

SN: 80001-UP

2шт.

7

17A-911-4244

DUCT

SN: 80002-UP

1шт.

7

0

DUCT

SN: 80001-80001

1шт.

8

01010-81020

BOLT

SN: 80001-UP

2шт.

9

01643-31032

WASHER

SN: 80001-UP

2шт.

10

17A-979-2222

DUCT

SN: 80002-UP

1шт.

10

0

DUCT

SN: 80001-80001

1шт.

11

01010-81030

BOLT

SN: 80001-UP

3шт.

12

01643-31032

WASHER

SN: 80001-UP

3шт.

13

17A-06-41360

WIRING HARNESS

SN: 80001-UP

1шт.

14

600-051-2100

CLIP

SN: 80001-UP

1шт.

15

208-01-11270

WASHER

SN: 80001-UP

1шт.

16

01010-81030

BOLT

SN: 80001-UP

1шт.

17

01643-31032

WASHER

SN: 80001-UP

1шт.

18

600-051-2100

CLIP

SN: 80001-UP

2шт.

19

01010-81020

BOLT

SN: 80001-UP

2шт.

20

01643-31032

WASHER

SN: 80001-UP

2шт.

21

600-051-2100

CLIP

SN: 80001-UP

4шт.

22

01010-81020

BOLT

SN: 80001-UP

3шт.

23

01643-31032

WASHER

SN: 80001-UP

3шт.

24

08034-20414

BAND

SN: 80001-UP

2шт.

25

01010-81020

BOLT

SN: 80001-UP

1шт.

26

01643-31032

WASHER

SN: 80001-UP

1шт.

Выбрано товаров: 28