Запчасти Komatsu D155AX-6A СИЛОВАЯ ЛИНИЯ КРЕПЛЕНИЕ(№8-) СИЛОВАЯ ПЕРЕДАЧА И КОНЕЧНАЯ ПЕРЕДАЧА

Схема запчастей Komatsu D155AX-6A - СИЛОВАЯ ЛИНИЯ КРЕПЛЕНИЕ(№8-) СИЛОВАЯ ПЕРЕДАЧА И КОНЕЧНАЯ ПЕРЕДАЧА
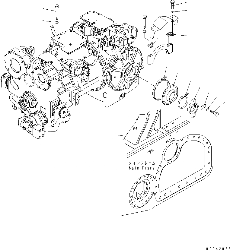
1
2
3
4
5
6
7
8
9
10
11
12
13
14
FIT
1:1
100%

Артикул

Название

Примечание

Количество

1

01011-82485

BOLT

SN: 80001-UP

4шт.

2

01643-32460

WASHER

SN: 80001-UP

4шт.

3

17A-21-41382

COVER

SN: 80341-UP

2шт.

3

0

COVER

SN: 80001-80340

2шт.

4

01010-81225

BOLT

SN: 80001-UP

4шт.

5

01643-31232

WASHER

SN: 80001-UP

4шт.

6

17A-21-41341

PLATE

SN: 80001-UP

2шт.

7

17A-21-41371

PLATE

SN: 80001-UP

2шт.

8

14Y-21-13210

COUPLING

SN: 80001-UP

2шт.

9

14Y-21-11231

PLATE

SN: 80001-UP

4шт.

10

01010-81030

BOLT

SN: 80001-UP

4шт.

11

01643-31032

WASHER

SN: 80001-UP

4шт.

12

14Y-21-13160

SEAL

SN: 80001-UP

2шт.

13

14Y-21-13190

CLAMP

SN: 80001-UP

2шт.

14

17A-21-44131

CAGE

SN: 80001-UP

2шт.

Выбрано товаров: 15