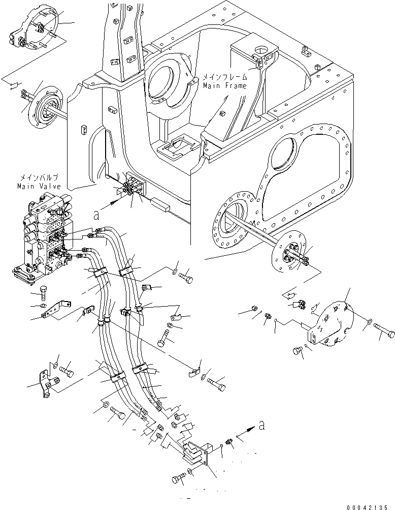
Запчасти Komatsu D155AX-6A ПЕРЕКОС. ОТВАЛА ЛИНИЯ (ДЛЯ ОТВАЛА С ДВОЙН. ПЕРЕКОСОМ)(№8-) ГИДРАВЛИКА

Схема запчастей Komatsu D155AX-6A - ПЕРЕКОС. ОТВАЛА ЛИНИЯ (ДЛЯ ОТВАЛА С ДВОЙН. ПЕРЕКОСОМ)(№8-) ГИДРАВЛИКА
1
1
2
2
3
3
4
4
5
6
7
8
9
10
11
12
13
14
14
14
15
15
15
16
16
16
17
17
18
18
19
20
21
21
21
21
22
22
22
22
23
23
24
24
25
25
25
26
26
27
28
29
29
30
30
31
31
32
32
33
33
34
35
36
36
36
37
37
37
38
38
39
40
41
FIT
1:1
100%

Артикул

Название

Примечание

Количество

1

17A-61-41441

HOSE

SN: 80004-UP

1шт.

1

0

HOSE

SN: 80001-80003

1шт.

2

17A-61-41371

HOSE

SN: 80004-UP

1шт.

2

0

HOSE

SN: 80001-80003

1шт.

3

17A-61-41451

HOSE

SN: 80004-UP

1шт.

3

0

HOSE

SN: 80001-80003

1шт.

4

17A-61-41383

HOSE

SN: 80004-UP

1шт.

4

0

HOSE

SN: 80001-80004

1шт.

5

17A-61-41881

BRACKET

SN: 80001-UP

1шт.

6

01010-81230

BOLT

SN: 80001-UP

2шт.

7

01643-31232

WASHER

SN: 80001-UP

2шт.

8

17A-61-41851

BRACKET

SN: 80001-UP

1шт.

9

01010-81230

BOLT

SN: 80001-UP

2шт.

10

01643-31232

WASHER

SN: 80001-UP

2шт.

11

17A-61-41841

FLANGE

SN: 80001-UP

1шт.

12

01010-81230

BOLT

SN: 80001-UP

3шт.

13

01643-31232

WASHER

SN: 80001-UP

3шт.

14

02781-00422

UNION

SN: 80001-UP

8шт.

15

02896-11012

O-RING

SN: 80001-UP

8шт.

16

07002-12034

O-RING

SN: 80001-UP

8шт.

17

07094-30417

CLAMP

SN: 80004-UP

4шт.

17

0

CLAMP

SN: 80001-80003

10шт.

18

07095-00420

CUSHION

SN: 80004-UP

4шт.

18

0

CUSHION

SN: 80001-80003

12шт.

19

01010-81265

BOLT

SN: 80004-UP

2шт.

19

01010-81265

BOLT

SN: 80001-80003

7шт.

20

01643-31232

WASHER

SN: 80004-UP

2шт.

20

01643-31232

WASHER

SN: 80001-80003

7шт.

21

07094-30417

CLAMP

SN: 80004-UP

6шт.

22

07095-00420

CUSHION

SN: 80004-UP

6шт.

23

01010-81265

BOLT

SN: 80004-UP

3шт.

24

01643-31232

WASHER

SN: 80004-UP

3шт.

25

07094-10417

CLAMP

SN: 80001-UP

4шт.

26

07095-00420

CUSHION

SN: 80004-UP

2шт.

27

01010-81265

BOLT

SN: 80004-UP

2шт.

28

01643-31232

WASHER

SN: 80004-UP

2шт.

29

17A-61-41161

HOSE

SN: 80001-UP

1шт.

30

17A-61-41151

HOSE

SN: 80001-UP

1шт.

31

17A-61-41141

HOSE

SN: 80001-UP

1шт.

32

17A-61-41171

HOSE

SN: 80001-UP

1шт.

33

17A-50-41151

COVER ASS'Y

SN: 80001-UP

2шт.

34

01010-81680

BOLT

SN: 80001-UP

12шт.

35

01643-31645

WASHER

SN: 80001-UP

12шт.

36

02781-00422

UNION

SN: 80001-UP

8шт.

37

02896-11012

O-RING

SN: 80001-UP

8шт.

38

07002-12034

O-RING

SN: 80001-UP

8шт.

39

07040-12012

PLUG

SN: 80001-UP

4шт.

40

07002-12034

O-RING

SN: 80001-UP

4шт.

41

02789-10422

PLUG

SN: 80001-UP

4шт.

Выбрано товаров: 49