Запчасти Komatsu D155AX-6A ОСНОВН. РАМА(№8-) ОСНОВН. РАМА И КОМПОНЕНТЫ

Схема запчастей Komatsu D155AX-6A - ОСНОВН. РАМА(№8-) ОСНОВН. РАМА И КОМПОНЕНТЫ
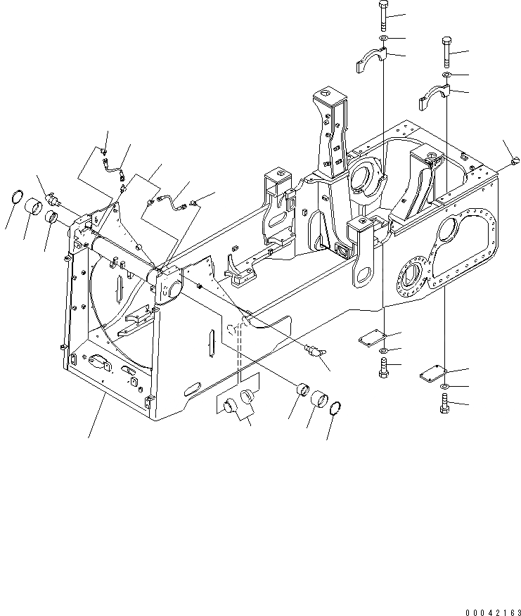
1
2
2
3
3
4
4
5
6
6
7
7
8
8
9
9
9
10
10
11
11
12
13
13
14
14
15
15
FIT
1:1
100%

Артикул

Название

Примечание

Количество

1

17A-21-41211

FRAME ASS'Y

SN: 80244-UP

1шт.

1

0

FRAME ASS'Y

SN: 80001-80243

1шт.

2

17A-21-11151

PLATE

SN: 80001-UP

2шт.

3

01010-81225

BOLT

SN: 80001-UP

8шт.

4

01643-31232

WASHER

SN: 80001-UP

8шт.

5

17A-50-42211

BUSHING

SN: 80001-UP

2шт.

6

175-61-15450

BUSHING

SN: 80001-UP

2шт.

7

175-61-15460

BUSHING

SN: 80001-UP

2шт.

8

07145-00125

SEAL

SN: 80001-UP

2шт.

9

201-62-41910

ELBOW

SN: 80001-UP

4шт.

10

07020-00675

FITTING

SN: 80001-UP

2шт.

11

17A-61-41820

HOSE

SN: 80001-UP

2шт.

12

07049-03949

PLUG

SN: 80001-UP

22шт.

13

17A-21-41391

CAP

SN: 80001-UP

2шт.

14

01011-81655

BOLT

SN: 80001-UP

8шт.

15

01643-31645

WASHER

SN: 80001-UP

8шт.

Выбрано товаров: 16