Запчасти Komatsu D155AX-6A ОСНОВН. РАМА (СПЕЦ-Я ДЛЯ СВАЛОК)(№8-) ОСНОВН. РАМА И КОМПОНЕНТЫ

Схема запчастей Komatsu D155AX-6A - ОСНОВН. РАМА (СПЕЦ-Я ДЛЯ СВАЛОК)(№8-) ОСНОВН. РАМА И КОМПОНЕНТЫ
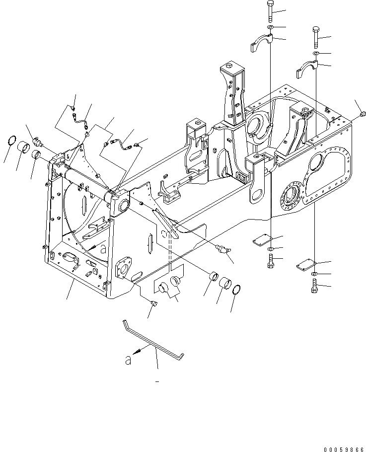
1
2
3
4
4
5
5
6
6
7
8
8
9
9
10
10
11
11
11
12
12
13
13
14
15
15
16
16
17
17
FIT
1:1
100%

Артикул

Название

Примечание

Количество

1

17A-21-41512

FRAME ASS'Y

SN: 80001-UP

1шт.

2

17A-21-41550

SEAL (BONDED)

SN: 80001-UP

1шт.

3

07049-02430

PLUG

SN: 80001-UP

10шт.

4

17A-21-11151

PLATE

SN: 80001-UP

2шт.

5

01010-81225

BOLT

SN: 80001-UP

8шт.

6

01643-31232

WASHER

SN: 80001-UP

8шт.

7

17A-50-42211

BUSHING

SN: 80001-UP

2шт.

8

175-61-15450

BUSHING

SN: 80001-UP

2шт.

9

175-61-15460

BUSHING

SN: 80001-UP

2шт.

10

07145-00125

SEAL

SN: 80001-UP

2шт.

11

201-62-41910

ELBOW

SN: 80001-UP

4шт.

12

07020-00675

FITTING,GREASE

SN: 80001-UP

2шт.

13

17A-61-41820

HOSE

SN: 80001-UP

2шт.

14

07049-03949

PLUG

SN: 80001-UP

22шт.

15

17A-21-41391

CAP

SN: 80001-UP

2шт.

16

01011-81655

BOLT

SN: 80001-UP

8шт.

17

01643-31645

WASHER

SN: 80001-UP

8шт.

Выбрано товаров: 17