Запчасти Komatsu D155AX-6A ПРИБОРНАЯ ПАНЕЛЬ (ПЕДАЛЬ УПРАВЛ-Е) (/)(№8-877) КАБИНА ОПЕРАТОРА И СИСТЕМА УПРАВЛЕНИЯ

Схема запчастей Komatsu D155AX-6A - ПРИБОРНАЯ ПАНЕЛЬ (ПЕДАЛЬ УПРАВЛ-Е) (/)(№8-877) КАБИНА ОПЕРАТОРА И СИСТЕМА УПРАВЛЕНИЯ
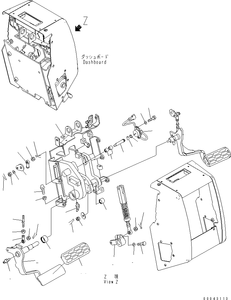
1
2
3
4
5
6
7
8
9
10
11
12
13
14
15
16
17
18
19
20
21
22
23
24
25
26
27
28
29
30
31
32
33
34
35
FIT
1:1
100%

Артикул

Название

Примечание

Количество

1

17A-43-41112

BRACKET

SN: 80004-@

1шт.

1

0

BRACKET

SN: 80001-80003

1шт.

2

17A-43-41121

PEDAL

SN: 80001-@

1шт.

3

17A-43-41140

LEVER

SN: 80001-@

1шт.

4

01010-81245

BOLT

SN: 80001-@

1шт.

5

01643-31232

WASHER

SN: 80001-@

1шт.

6

06124-03020

BEARING

SN: 80001-@

1шт.

7

06124-02020

BEARING

SN: 80001-@

1шт.

8

07020-00000

FITTING

SN: 80001-@

1шт.

9

09311-41237

BUMPER

SN: 80001-@

1шт.

10

01580-11210

NUT

SN: 80001-@

1шт.

11

14X-43-12110

PEDAL CAP

SN: 80001-@

1шт.

12

04250-80847

END

SN: 80001-@

1шт.

13

01590-30809

NUT

SN: 80001-@

1шт.

14

04050-12015

PIN

SN: 80001-@

1шт.

15

01580-10806

NUT

SN: 80001-@

1шт.

16

04248-30808

ROD

SN: 80001-@

1шт.

17

04250-90847

END

SN: 80001-@

1шт.

18

01590-30809

NUT

SN: 80001-@

1шт.

19

04050-12015

PIN

SN: 80001-@

1шт.

20

01593-31008

NUT

SN: 80001-@

1шт.

21

04050-12018

PIN

SN: 80001-@

1шт.

22

7861-93-4130

SENSOR

SN: 80001-80772

1шт.

23

01010-80616

BOLT

SN: 80001-@

2шт.

24

01643-30623

WASHER

SN: 80001-@

2шт.

25

142-43-13180

SPRING

SN: 80001-@

1шт.

26

04064-01610

RING

SN: 80001-@

1шт.

27

17A-43-41182

SHAFT

SN: 80001-@

1шт.

28

06123-01414

BEARING

SN: 80001-@

2шт.

29

17A-43-41172

PLATE

SN: 80001-@

1шт.

30

01590-30809

NUT

SN: 80001-@

1шт.

31

01643-30823

WASHER

SN: 80001-@

1шт.

32

04050-12015

PIN

SN: 80001-@

1шт.

33

01593-31008

NUT

SN: 80001-80003

1шт.

34

04050-12018

PIN

SN: 80001-80003

1шт.

35

07020-00675

FITTING

SN: 80001-@

1шт.

Выбрано товаров: 36