Запчасти Komatsu D155AX-6A КРЫЛО (ЗАДН. СТУПЕНИ И ИНСТРУМЕНТКОРПУС) (НИЗ. NOIES СПЕЦ-Я.)(№8-) ЧАСТИ КОРПУСА

Схема запчастей Komatsu D155AX-6A - КРЫЛО (ЗАДН. СТУПЕНИ И ИНСТРУМЕНТКОРПУС) (НИЗ. NOIES СПЕЦ-Я.)(№8-) ЧАСТИ КОРПУСА
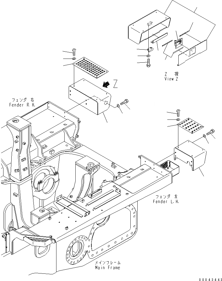
1
1
2
3
4
4
5
6
7
8
9
10
11
12
13
14
15
16
17
18
FIT
1:1
100%

Артикул

Название

Примечание

Количество

1

17A-54-44311

COVER

SN: 80001-UP

1шт.

2

09457-00275

HINGE

SN: 80001-UP

1шт.

3

17A-54-14231

LOCK

SN: 80001-UP

1шт.

4

17A-54-44390

SEAL

SN: 80001-UP

3шт.

5

01010-81230

BOLT

SN: 80001-UP

4шт.

6

01643-31232

WASHER

SN: 80001-UP

4шт.

7

22U-54-24411

BRACKET

SN: 80001-UP

1шт.

8

01010-81025

BOLT

SN: 80001-UP

2шт.

9

01643-31032

WASHER

SN: 80001-UP

2шт.

10

17A-54-44330

PLATE

SN: 80001-UP

1шт.

11

01245-00816

SCREW

SN: 80020-UP

4шт.

11

0

SCREW

SN: 80001-80019

4шт.

12

01641-50812

WASHER

SN: 80020-UP

4шт.

12

0

WASHER

SN: 80001-80019

4шт.

13

17A-54-44341

COVER

SN: 80001-UP

1шт.

14

01010-81230

BOLT

SN: 80001-UP

4шт.

15

01643-31232

WASHER

SN: 80001-UP

4шт.

16

17A-54-44151

PLATE

SN: 80001-UP

1шт.

17

01245-00816

SCREW

SN: 80020-UP

4шт.

17

0

SCREW

SN: 80001-80019

4шт.

18

01641-50812

WASHER

SN: 80020-UP

4шт.

18

0

WASHER

SN: 80001-80019

4шт.

Выбрано товаров: 22