Запчасти Komatsu D155AX-6A ГУСЕНИЧНАЯ РАМА (ТЕЛЕЖКА КРЕПЛЕНИЕ) (ПРАВ.)(№8-) ХОДОВАЯ

Схема запчастей Komatsu D155AX-6A - ГУСЕНИЧНАЯ РАМА (ТЕЛЕЖКА КРЕПЛЕНИЕ) (ПРАВ.)(№8-) ХОДОВАЯ
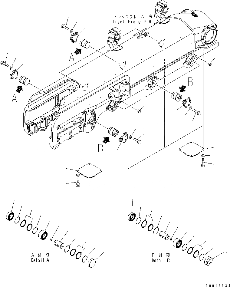
1
2
3
3
4
4
5
5
6
6
7
7
8
8
9
9
9
9
10
10
10
10
10
10
10
10
11
11
12
12
12
12
13
13
13
13
14
14
14
14
15
15
FIT
1:1
100%

Артикул

Название

Примечание

Количество

1

17A-30-46141

PAD

SN: 80001-UP

1шт.

2

17A-30-46131

PAD

SN: 80001-UP

3шт.

3

01010-81025

BOLT

SN: 80001-UP

16шт.

4

01643-31032

WASHER

SN: 80001-UP

16шт.

|$12

17A-30-46202

PIN ASS'Y

SN: 80004-UP

8шт.

|$13

0

PIN ASS'Y

SN: 80001-80003

8шт.

5

17A-30-46221

RING

SN: 80001-UP

1шт.

6

17A-30-46231

RING

SN: 80001-UP

1шт.

7

17A-30-46241

RING

SN: 80001-UP

1шт.

8

17A-30-46252

SHAFT

SN: 80004-UP

1шт.

8

0

SHAFT

SN: 80001-80003

1шт.

|$19

17M-30-00500

FLOATING SEAL ASS'Y

SN: 80001-UP

2шт.

9

0

SEAL

SN: 80001-UP

2шт.

10

0

O-RING

SN: 80001-UP

2шт.

11

209-30-63150

PLUG

SN: 80001-UP

1шт.

12

17M-30-56331

COVER

SN: 80001-UP

8шт.

13

01010-61640

BOLT

SN: 80001-UP

24шт.

14

01643-31645

WASHER

SN: 80001-UP

24шт.

15

07049-03038

PLUG

SN: 80001-UP

13шт.

Выбрано товаров: 19