Запчасти Komatsu D155AX-6A ОСВЕЩЕНИЕ(№8-) РАБОЧЕЕ ОБОРУДОВАНИЕ

Схема запчастей Komatsu D155AX-6A - ОСВЕЩЕНИЕ(№8-) РАБОЧЕЕ ОБОРУДОВАНИЕ
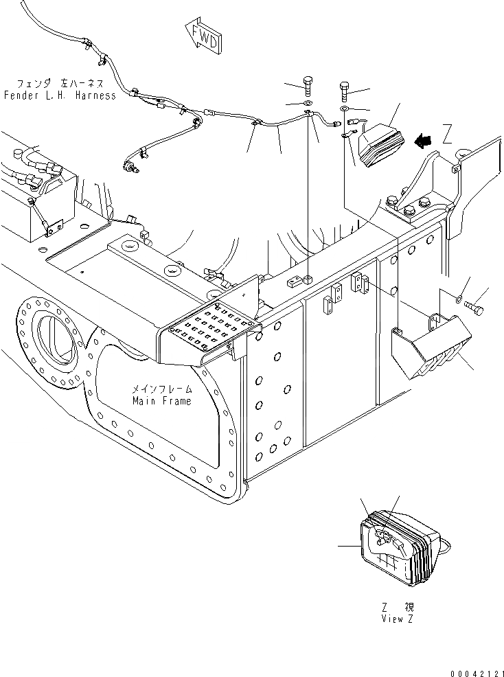
1
2
3
4
4
5
6
7
8
9
10
11
11
12
13
FIT
1:1
100%

Артикул

Название

Примечание

Количество

1

17A-06-41791

COVER

SN: 80001-UP

1шт.

2

01010-81230

BOLT

SN: 80001-UP

4шт.

3

01643-31232

WASHER

SN: 80001-UP

4шт.

4

17A-06-17931

LAMP ASS'Y

SN: 80150-UP

1шт.

4

0

LAMP ASS'Y

SN: 80001-80149

1шт.

5

17A-06-17970

BULB, 70W

SN: 80001-UP

1шт.

6

17A-06-17980

SLEEVE

SN: 80001-UP

1шт.

7

08193-21012

CLIP

SN: 80001-UP

1шт.

8

01010-81225

BOLT

SN: 80001-UP

1шт.

9

01643-31232

WASHER

SN: 80001-UP

1шт.

10

17A-06-41261

WIRING HARNESS

SN: 80001-UP

1шт.

11

04434-51012

CLIP

SN: 80001-UP

2шт.

12

01010-81225

BOLT

SN: 80001-UP

2шт.

13

01643-31232

WASHER

SN: 80001-UP

2шт.

Выбрано товаров: 14