Качественные детали и логистика
Оригинальные и аналоговые запчасти с доставкой по России, Казахстану и Беларуси
©2022 PartSell ООО "Система" ИНН 2463123282 ОГРН 1212400004838
Центральный офис: г. Красноярск, Академика Киренского, д.87, пом.4
Телефон: 8 (800) 777-65-74 Email: zakaz@partsell.ru
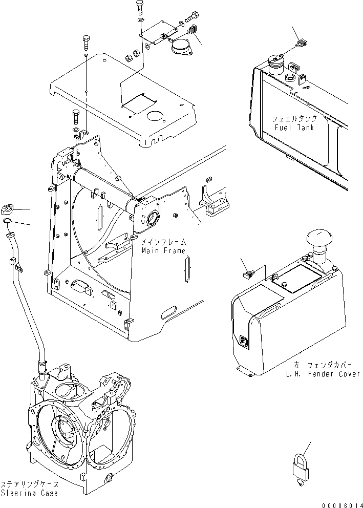
АНТИВАНДАЛЬНАЯ КРЫШКА(№887-)
№
Артикул
Название
Примечание
Количество
1
17A-04-41440
LOCK
SN: 80807-UP
3шт.
2
07092-01000
CAP
SN: 80001-UP
1шт.
3
07051-00005
GASKET
4
09460-00000
Выбрано товаров: 0