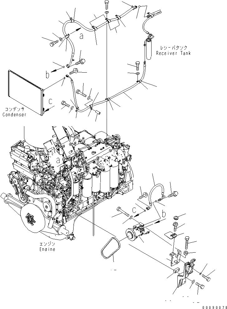
Запчасти Komatsu D155AX-6A КОМПРЕССОР (КРЕПЛЕНИЕ И ШЛАНГИ) (ДЛЯ СТРАН ЕС)(№8-) КОМПОНЕНТЫ ДВИГАТЕЛЯ

Схема запчастей Komatsu D155AX-6A - КОМПРЕССОР (КРЕПЛЕНИЕ И ШЛАНГИ) (ДЛЯ СТРАН ЕС)(№8-) КОМПОНЕНТЫ ДВИГАТЕЛЯ
1
2
3
4
5
6
7
7
7
8
8
8
9
10
11
12
13
14
15
16
17
18
19
19
20
21
22
23
23
24
25
25
25
25
26
26
26
26
27
28
29
30
31
32
33
34
35
36
37
38
39
40
41
42
FIT
1:1
100%

Артикул

Название

Примечание

Количество

1

17A-911-4810

COMPRESSOR ASS'Y

SN: 80001-UP

1шт.

2

01010-80875

BOLT

SN: 80001-UP

4шт.

3

01643-30823

WASHER

SN: 80001-UP

4шт.

4

17A-911-4361

HOSE

SN: 80001-UP

1шт.

5

20Y-979-3150

O-RING

SN: 80001-UP

1шт.

6

01435-00630

BOLT

SN: 80001-UP

1шт.

7

04434-52112

CLIP

SN: 80001-UP

3шт.

8

07095-20314

CUSHION

SN: 80001-UP

3шт.

9

04434-52112

CLIP

SN: 80001-UP

1шт.

10

07095-20314

CUSHION

SN: 80001-UP

1шт.

11

01010-81225

BOLT

SN: 80001-UP

1шт.

12

01643-31232

WASHER

SN: 80001-UP

1шт.

13

01010-81225

BOLT

SN: 80001-UP

2шт.

14

01643-31232

WASHER

SN: 80001-UP

2шт.

15

175-61-17240

COLLAR

SN: 80001-UP

1шт.

16

01010-81280

BOLT

SN: 80001-UP

1шт.

17

01643-31232

WASHER

SN: 80001-UP

1шт.

18

17A-911-4351

HOSE

SN: 80001-UP

1шт.

19

20Y-979-3140

O-RING

SN: 80001-UP

2шт.

20

01435-00630

BOLT

SN: 80001-UP

1шт.

21

01435-00630

BOLT

SN: 80001-UP

1шт.

22

17A-911-4341

HOSE

SN: 80001-UP

1шт.

23

20Y-979-3130

O-RING

SN: 80001-UP

2шт.

24

01435-00630

BOLT

SN: 80001-UP

1шт.

25

04434-52711

CLIP

SN: 80001-UP

5шт.

26

07095-20420

CUSHION

SN: 80001-UP

5шт.

27

01010-81020

BOLT

SN: 80001-UP

1шт.

28

01643-31032

WASHER

SN: 80001-UP

1шт.

29

08034-20536

BAND

SN: 80001-UP

1шт.

30

17A-911-4663

BRACKET

SN: 80001-UP

1шт.

31

17A-911-4762

SPACER

SN: 80001-UP

1шт.

32

01010-81260

BOLT

SN: 80001-UP

4шт.

33

01643-31232

WASHER

SN: 80001-UP

4шт.

34

17A-911-4674

BRACKET

SN: 80001-UP

1шт.

35

01010-81025

BOLT

SN: 80001-UP

4шт.

36

203-54-56970

WASHER

SN: 80001-UP

4шт.

37

01016-51090

BOLT

SN: 80001-UP

1шт.

38

01580-11008

NUT

SN: 80001-UP

1шт.

39

17A-911-4640

COVER

SN: 80001-UP

1шт.

40

01026-A1020

BOLT

SN: 80001-UP

2шт.

41

17M-911-6330

GROMMET

SN: 80001-UP

2шт.

42

17A-911-4680

V-BELT

SN: 80001-UP

1шт.

Выбрано товаров: 42