Запчасти Komatsu D155AX-6A КЛАПАН ТРАНСМИССИИ (/)¤ ФИЛЬТР. И Э/ПРОВОДКА(№8-) СИЛОВАЯ ПЕРЕДАЧА И КОНЕЧНАЯ ПЕРЕДАЧА

Схема запчастей Komatsu D155AX-6A - КЛАПАН ТРАНСМИССИИ (/)¤ ФИЛЬТР. И Э/ПРОВОДКА(№8-) СИЛОВАЯ ПЕРЕДАЧА И КОНЕЧНАЯ ПЕРЕДАЧА
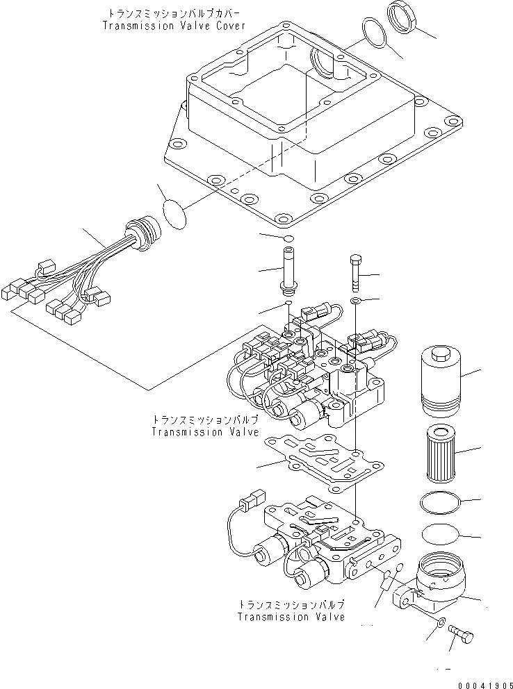
1
2
3
4
5
6
7
7
8
9
10
11
12
13
14
15
16
17
FIT
1:1
100%

Артикул

Название

Примечание

Количество

|$$1

SERIAL NO. IN ( ) INDICATES TRANSMISSION SERIAL NO.

-1шт.

|$2

17A-15-41000

TRANSMISSION ASS'Y

SN: 80001-UP

1шт.

|$$3

THIS ASSEMBLY CONSISTS OF ALL PARTS SHOWN IN FIGS.F2320-51A0 TO F2320-61A0.

-1шт.

|$5

17M-15-55501

T/M VALVE ASS'Y

SN: 80001-UP

1шт.

|$6

0

T/M VALVE ASS'Y

SN: (80001-80509)

1шт.

|$$6

THESE ASSEMBLY CONSISTS OF ALL PARTS SHOWN IN FIGS.F2320-57A0 TO F2320-59A0.

-1шт.

1

195-15-75531

GASKET (K4)

SN: 80001-UP

1шт.

|$$8

THIS ASSEMBLY CONSISTS OF ALL PARTS SHOWN IN FIGS.F2320-57A0 TO F2320-59A0.

-1шт.

2

01010-81055

BOLT

SN: 80001-UP

2шт.

3

01643-31032

WASHER

SN: 80001-UP

2шт.

4

17A-15-45540

SLEEVE

SN: 80001-UP

5шт.

5

07000-72016

O-RING (K4)

SN: 80001-UP

5шт.

6

07002-61823

O-RING (K4)

SN: 80001-UP

5шт.

7

154-15-65553

FILTER ASS'Y

SN: (160193)-UP

1шт.

7

154-15-65552

FILTER ASS'Y

SN: 80127-(160192)

1шт.

7

154-15-65551

FILTER ASS'Y

SN: 80001-80126

1шт.

8

154-15-65561

ELEMENT

SN: 80127-UP

1шт.

8

154-15-65560

ELEMENT

SN: 80001-80126

1шт.

9

154-15-65590

O-RING (K4)

SN: (160193)-UP

1шт.

9

209-38-12480

O-RING (K4)

SN: 80001-(160192)

1шт.

10

209-38-12490

RING,BACK UP (K4)

SN: 80001-(160192)

1шт.

11

07000-72014

O-RING (K4)

SN: (160193)-UP

2шт.

11

07000-72015

O-RING (K4)

SN: 80001-(160192)

2шт.

12

01010-81035

BOLT

SN: 80001-UP

2шт.

13

01643-31032

WASHER

SN: 80001-UP

2шт.

14

195-15-77200

HARNESS

SN: 80001-UP

1шт.

15

195-15-75740

O-RING (K4)

SN: 80001-UP

1шт.

16

08191-50809

WASHER, LOCK

SN: 80001-UP

1шт.

17

08191-50808

NUT

SN: 80001-UP

1шт.

Выбрано товаров: 29