Запчасти Komatsu SAA6D140E-6B ВЫПУСКН. GAS RE-CIRCULATION (EGR) КЛАПАН, EGR КЛАПАН И ОХЛАДИТЕЛЬ КРЕПЛЕНИЕ (№7777-) ВЫПУСКН. GAS RE-CIRCULATION (EGR) КЛАПАН, ДЛЯ LANDFILL СПЕЦ-ЯIFICATION

Схема запчастей Komatsu SAA6D140E-6B - ВЫПУСКН. GAS RE-CIRCULATION (EGR) КЛАПАН, EGR КЛАПАН И ОХЛАДИТЕЛЬ КРЕПЛЕНИЕ (№7777-) ВЫПУСКН. GAS RE-CIRCULATION (EGR) КЛАПАН, ДЛЯ LANDFILL СПЕЦ-ЯIFICATION
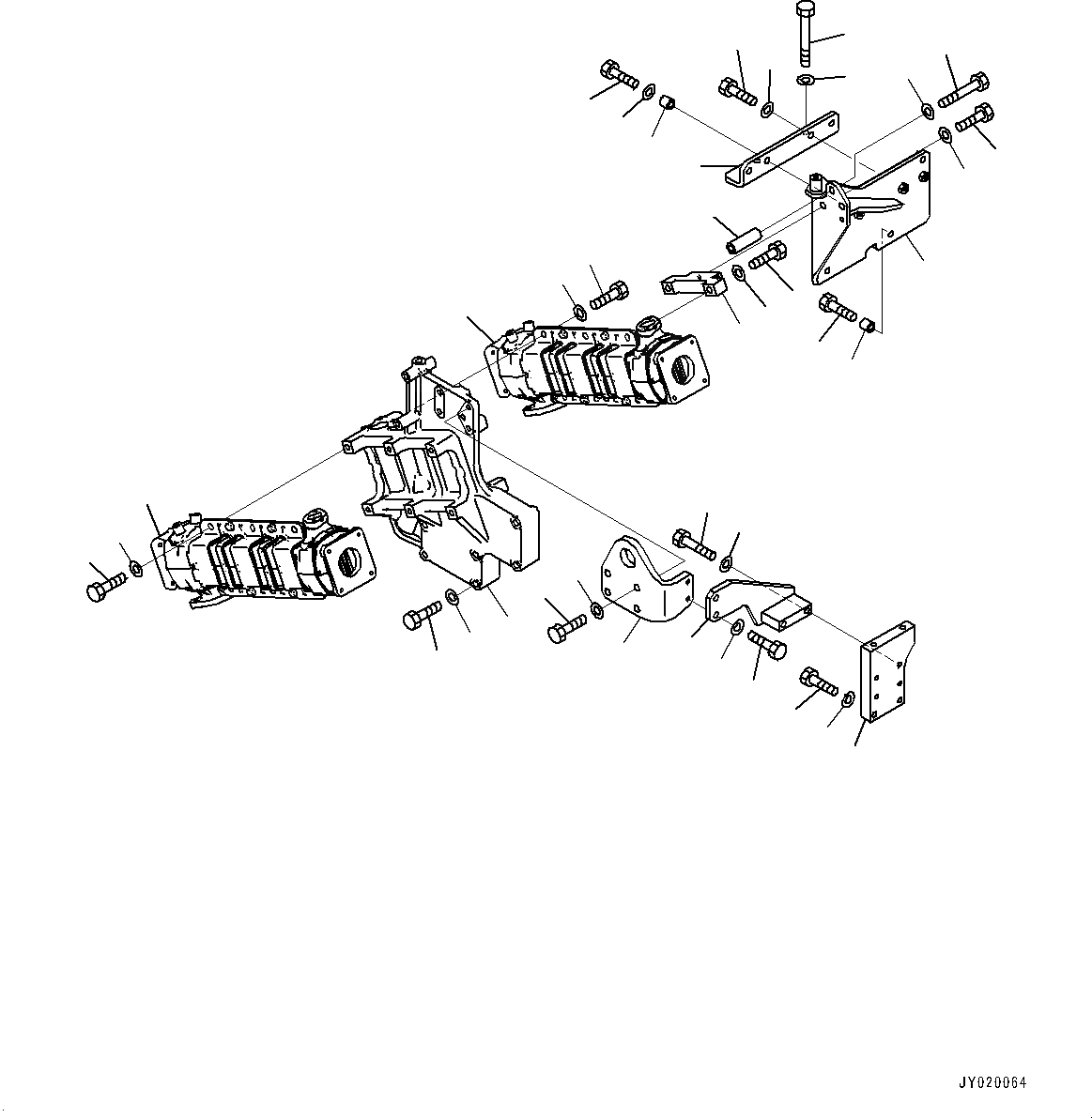
1
2
3
4
5
6
8
7
10
9
11
12
13
14
15
16
18
17
22
23
19
20
21
24
31
30
25
26
29
28
27
33
34
32
35
38
39
36
37
1
2
3
4
5
6
8
7
10
9
11
12
13
14
15
16
18
17
22
23
19
20
21
24
31
30
25
26
29
28
27
33
34
32
35
38
39
36
37
FIT
1:1
100%

Артикул

Название

Примечание

Количество

1

6262-21-6110

Bracket

SN: 730777-UP

1шт.

2

6262-21-6940

Plate

SN: 730777-UP

1шт.

3

01010-81240

Bolt

SN: 730777-UP

4шт.

4

01643-31232

Washer

SN: 730777-UP

4шт.

5

6252-61-7100

Cooler Assembly

SN: 730777-UP

1шт.

6

6262-61-7520

Bracket

SN: 730777-UP

1шт.

7

01010-81255

Bolt

SN: 730777-UP

2шт.

8

01643-31232

Washer

SN: 730777-UP

2шт.

9

01010-81230

Bolt

SN: 730777-UP

4шт.

10

01643-31232

Washer

SN: 730777-UP

4шт.

11

6252-61-7100

Cooler Assembly

SN: 730777-UP

1шт.

12

01010-81230

Bolt

SN: 730777-UP

6шт.

13

01643-31232

Washer

SN: 730777-UP

6шт.

14

01010-81275

Bolt

SN: 730777-UP

4шт.

15

01643-31232

Washer

SN: 730777-UP

4шт.

16

6262-61-7540

Plate

SN: 730777-UP

1шт.

17

01010-81045

Bolt

SN: 730777-UP

2шт.

18

01643-31032

Washer

SN: 730777-UP

2шт.

19

6262-21-7590

Bracket

SN: 730777-UP

1шт.

20

01010-81080

Bolt

SN: 730777-UP

2шт.

21

01643-31032

Washer

SN: 730777-UP

2шт.

22

01010-81035

Bolt

SN: 730777-UP

2шт.

23

01643-31032

Washer

SN: 730777-UP

2шт.

24

6262-11-7970

Bracket

SN: 730777-UP

1шт.

25

6631-11-5630

Spacer

SN: 730777-UP

2шт.

26

01010-E1045

Bolt

SN: 730777-UP

2шт.

27

6262-61-7530

Spacer

SN: 730777-UP

1шт.

28

01011-81000

Bolt

SN: 730777-UP

1шт.

29

01643-31032

Washer

SN: 730777-UP

1шт.

30

01010-81025

Bolt

SN: 730777-UP

2шт.

31

01643-31032

Washer

SN: 730777-UP

2шт.

32

6262-11-7980

Bracket

SN: 730777-UP

1шт.

33

6631-11-5630

Spacer

SN: 730777-UP

2шт.

34

01010-81055

Bolt

SN: 730777-UP

2шт.

35

01643-31032

Washer

SN: 730777-UP

2шт.

36

01010-81030

Bolt

SN: 730777-UP

2шт.

37

01643-31032

Washer

SN: 730777-UP

2шт.

38

01011-E1005

Bolt

SN: 730777-UP

2шт.

39

01643-31032

Washer

SN: 730777-UP

2шт.

1

6262-21-6110

Bracket

SN: 730777-UP

1шт.

2

6262-21-6940

Plate

SN: 730777-UP

1шт.

3

01010-81240

Bolt

SN: 730777-UP

4шт.

4

01643-31232

Washer

SN: 730777-UP

4шт.

5

6252-61-7100

Cooler Assembly

SN: 730777-UP

1шт.

6

6262-61-7520

Bracket

SN: 730777-UP

1шт.

7

01010-81255

Bolt

SN: 730777-UP

2шт.

8

01643-31232

Washer

SN: 730777-UP

2шт.

9

01010-81230

Bolt

SN: 730777-UP

4шт.

10

01643-31232

Washer

SN: 730777-UP

4шт.

11

6252-61-7100

Cooler Assembly

SN: 730777-UP

1шт.

12

01010-81230

Bolt

SN: 730777-UP

6шт.

13

01643-31232

Washer

SN: 730777-UP

6шт.

14

01010-81275

Bolt

SN: 730777-UP

4шт.

15

01643-31232

Washer

SN: 730777-UP

4шт.

16

6262-61-7540

Plate

SN: 730777-UP

1шт.

17

01010-81045

Bolt

SN: 730777-UP

2шт.

18

01643-31032

Washer

SN: 730777-UP

2шт.

19

6262-21-7590

Bracket

SN: 730777-UP

1шт.

20

01010-81080

Bolt

SN: 730777-UP

2шт.

21

01643-31032

Washer

SN: 730777-UP

2шт.

22

01010-81035

Bolt

SN: 730777-UP

2шт.

23

01643-31032

Washer

SN: 730777-UP

2шт.

24

6262-11-7970

Bracket

SN: 730777-UP

1шт.

25

6631-11-5630

Spacer

SN: 730777-UP

2шт.

26

01010-E1045

Bolt

SN: 730777-UP

2шт.

27

6262-61-7530

Spacer

SN: 730777-UP

1шт.

28

01011-81000

Bolt

SN: 730777-UP

1шт.

29

01643-31032

Washer

SN: 730777-UP

1шт.

30

01010-81025

Bolt

SN: 730777-UP

2шт.

31

01643-31032

Washer

SN: 730777-UP

2шт.

32

6262-11-7980

Bracket

SN: 730777-UP

1шт.

33

6631-11-5630

Spacer

SN: 730777-UP

2шт.

34

01010-81055

Bolt

SN: 730777-UP

2шт.

35

01643-31032

Washer

SN: 730777-UP

2шт.

36

01010-81030

Bolt

SN: 730777-UP

2шт.

37

01643-31032

Washer

SN: 730777-UP

2шт.

38

01011-E1005

Bolt

SN: 730777-UP

2шт.

39

01643-31032

Washer

SN: 730777-UP

2шт.

Выбрано товаров: 78