Запчасти Komatsu SAA6D140E-6B ВЫПУСКН. GAS RE-CIRCULATION (EGR) КЛАПАН, EGR ЛИНИЯ ОХЛАЖДЕНИЯ И ВОЗДУШН. ВЕНТИЛЯЦИЯ (№7777-) ВЫПУСКН. GAS RE-CIRCULATION (EGR) КЛАПАН, ДЛЯ LANDFILL СПЕЦ-ЯIFICATION

Схема запчастей Komatsu SAA6D140E-6B - ВЫПУСКН. GAS RE-CIRCULATION (EGR) КЛАПАН, EGR ЛИНИЯ ОХЛАЖДЕНИЯ И ВОЗДУШН. ВЕНТИЛЯЦИЯ (№7777-) ВЫПУСКН. GAS RE-CIRCULATION (EGR) КЛАПАН, ДЛЯ LANDFILL СПЕЦ-ЯIFICATION
8
7
10
9
11
12
13
18
29
30
31
32
33
34
35
39
40
1
4
5
3
5
6
12
13
12
13
12
13
11
30
41
15
16
14
25
3
4
17
19
20
21
22
23
24
25
26
27
28
36
37
38
6
6
2
1
2
5
6
5
6
6
7
10
9
26
27
28
8
8
7
10
9
11
12
13
18
29
30
31
32
33
34
35
39
40
1
4
5
3
5
6
12
13
12
13
12
13
11
30
41
15
16
14
25
3
4
17
19
20
21
22
23
24
25
26
27
28
36
37
38
6
6
2
1
2
5
6
5
6
6
7
10
9
26
27
28
8
FIT
1:1
100%

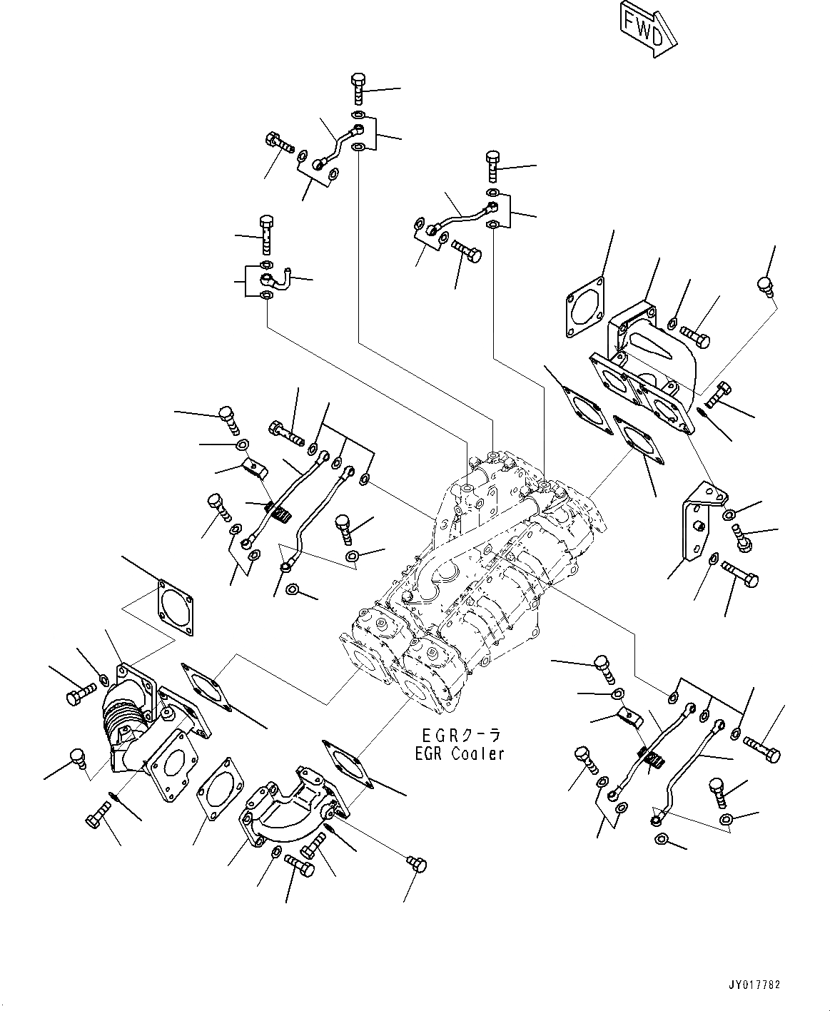
Артикул

Название

Примечание

Количество

1

6262-61-9220

Tube

SN: 730777-UP

2шт.

2

6262-61-9230

Tube

SN: 730777-UP

2шт.

3

6354-71-5560

Bolt, Joint

SN: 730777-UP

2шт.

4

07005-01212

Seal, Washer

SN: 730777-UP

6шт.

5

07206-30812

Bolt, Joint

SN: 730777-UP

4шт.

6

07005-01212

Seal, Washer

SN: 730777-UP

8шт.

7

6166-85-6721

Clamp

SN: 730777-UP

2шт.

8

6246-61-9290

Clamp

SN: 730777-UP

2шт.

9

01010-80835

Bolt

SN: 730777-UP

2шт.

10

01643-30823

Washer

SN: 730777-UP

2шт.

11

6262-61-9210

Tube

SN: 730777-UP

2шт.

12

07206-30812

Bolt, Joint

SN: 730777-UP

4шт.

13

07005-01212

Seal, Washer

SN: 730777-UP

8шт.

14

6144-71-5760

Joint

SN: 730777-UP

1шт.

15

7700-45-1710

Bolt, Joint

SN: 730777-UP

1шт.

16

07005-01412

Seal, Washer

SN: 730777-UP

2шт.

17

6262-11-7910

Connector

SN: 730777-UP

1шт.

18

6138-13-4240

Gasket

SN: 730777-UP

1шт.

19

01020-11030

Bolt, Stainless

SN: 730777-UP

4шт.

20

01643-31032

Washer

SN: 730777-UP

4шт.

21

6207-11-5390

Gasket

SN: 730777-UP

1шт.

22

01020-11030

Bolt, Stainless

SN: 730777-UP

4шт.

23

01643-31032

Washer

SN: 730777-UP

4шт.

24

6262-11-7950

Connector

SN: 730777-UP

1шт.

25

6207-11-5390

Gasket

SN: 730777-UP

2шт.

26

01020-11030

Bolt, Stainless

SN: 730777-UP

8шт.

27

01643-31032

Washer

SN: 730777-UP

8шт.

28

6215-11-5920

Plug

SN: 730777-UP

2шт.

29

6262-11-9170

Connector

SN: 730777-UP

1шт.

30

6207-11-5390

Gasket

SN: 730777-UP

2шт.

31

01010-E1030

Bolt

SN: 730777-UP

8шт.

32

01643-31032

Washer

SN: 730777-UP

8шт.

33

6207-11-5390

Gasket

SN: 730777-UP

1шт.

34

01010-E1050

Bolt

SN: 730777-UP

4шт.

35

01643-31032

Washer

SN: 730777-UP

4шт.

36

6262-11-9180

Bracket

SN: 730777-UP

1шт.

37

01010-81280

Bolt

SN: 730777-UP

2шт.

38

01643-31232

Washer

SN: 730777-UP

2шт.

39

01010-81025

Bolt

SN: 730777-UP

2шт.

40

01643-31032

Washer

SN: 730777-UP

2шт.

41

6215-11-5920

Plug

SN: 730777-UP

2шт.

1

6262-61-9220

Tube

SN: 730777-UP

2шт.

2

6262-61-9230

Tube

SN: 730777-UP

2шт.

3

6354-71-5560

Bolt, Joint

SN: 730777-UP

2шт.

4

07005-01212

Seal, Washer

SN: 730777-UP

6шт.

5

07206-30812

Bolt, Joint

SN: 730777-UP

4шт.

6

07005-01212

Seal, Washer

SN: 730777-UP

8шт.

7

6166-85-6721

Clamp

SN: 730777-UP

2шт.

8

6246-61-9290

Clamp

SN: 730777-UP

2шт.

9

01010-80835

Bolt

SN: 730777-UP

2шт.

10

01643-30823

Washer

SN: 730777-UP

2шт.

11

6262-61-9210

Tube

SN: 730777-UP

2шт.

12

07206-30812

Bolt, Joint

SN: 730777-UP

4шт.

13

07005-01212

Seal, Washer

SN: 730777-UP

8шт.

14

6144-71-5760

Joint

SN: 730777-UP

1шт.

15

7700-45-1710

Bolt, Joint

SN: 730777-UP

1шт.

16

07005-01412

Seal, Washer

SN: 730777-UP

2шт.

17

6262-11-7910

Connector

SN: 730777-UP

1шт.

18

6138-13-4240

Gasket

SN: 730777-UP

1шт.

19

01020-11030

Bolt, Stainless

SN: 730777-UP

4шт.

20

01643-31032

Washer

SN: 730777-UP

4шт.

21

6207-11-5390

Gasket

SN: 730777-UP

1шт.

22

01020-11030

Bolt, Stainless

SN: 730777-UP

4шт.

23

01643-31032

Washer

SN: 730777-UP

4шт.

24

6262-11-7950

Connector

SN: 730777-UP

1шт.

25

6207-11-5390

Gasket

SN: 730777-UP

2шт.

26

01020-11030

Bolt, Stainless

SN: 730777-UP

8шт.

27

01643-31032

Washer

SN: 730777-UP

8шт.

28

6215-11-5920

Plug

SN: 730777-UP

2шт.

29

6262-11-9170

Connector

SN: 730777-UP

1шт.

30

6207-11-5390

Gasket

SN: 730777-UP

2шт.

31

01010-E1030

Bolt

SN: 730777-UP

8шт.

32

01643-31032

Washer

SN: 730777-UP

8шт.

33

6207-11-5390

Gasket

SN: 730777-UP

1шт.

34

01010-E1050

Bolt

SN: 730777-UP

4шт.

35

01643-31032

Washer

SN: 730777-UP

4шт.

36

6262-11-9180

Bracket

SN: 730777-UP

1шт.

37

01010-81280

Bolt

SN: 730777-UP

2шт.

38

01643-31232

Washer

SN: 730777-UP

2шт.

39

01010-81025

Bolt

SN: 730777-UP

2шт.

40

01643-31032

Washer

SN: 730777-UP

2шт.

41

6215-11-5920

Plug

SN: 730777-UP

2шт.

Выбрано товаров: 82