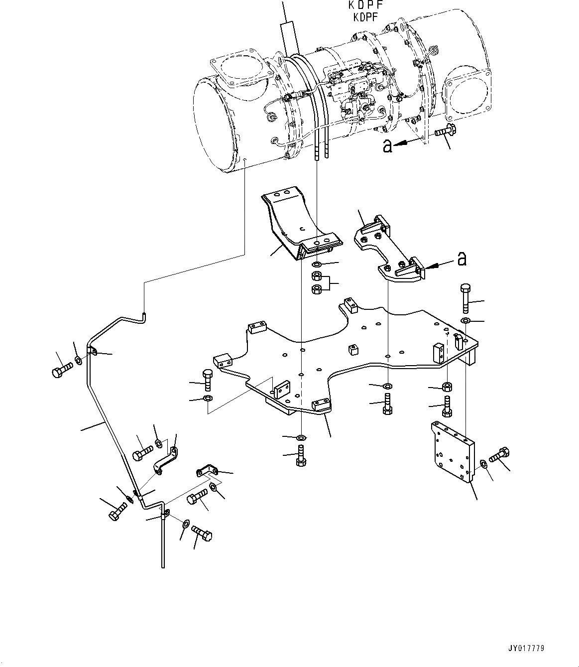
Запчасти Komatsu SAA6D140E-6B KOMATSU DIESEL ЧАСТЬICULATE ФИЛЬТР. (KDPF), КРЕПЛЕНИЕ (№7777-) KOMATSU DIESEL ЧАСТЬICULATE ФИЛЬТР. (KDPF), ДЛЯ LANDFILL СПЕЦ-ЯIFICATION

Схема запчастей Komatsu SAA6D140E-6B - KOMATSU DIESEL ЧАСТЬICULATE ФИЛЬТР. (KDPF), КРЕПЛЕНИЕ (№7777-) KOMATSU DIESEL ЧАСТЬICULATE ФИЛЬТР. (KDPF), ДЛЯ LANDFILL СПЕЦ-ЯIFICATION
1
3
2
4
6
7
10
9
5
9
10
8
10
9
8
8
11
13
12
14
15
16
18
17
20
21
19
23
24
22
26
27
29
30
25
28
1
3
2
4
6
7
10
9
5
9
10
8
10
9
8
8
11
13
12
14
15
16
18
17
20
21
19
23
24
22
26
27
29
30
25
28
FIT
1:1
100%

Артикул

Название

Примечание

Количество

1

17A-01-51441

Tube

SN: 730777-UP

1шт.

2

17A-01-51421

Bracket

SN: 730777-UP

1шт.

3

01010-81025

Bolt

SN: 730777-UP

1шт.

4

01643-31032

Washer

SN: 730777-UP

1шт.

5

17A-01-51450

Bracket

SN: 730777-UP

1шт.

6

01010-81025

Bolt

SN: 730777-UP

1шт.

7

01643-31032

Washer

SN: 730777-UP

1шт.

8

6991-11-5990

Clamp

SN: 730777-UP

3шт.

9

01010-81020

Bolt

SN: 730777-UP

3шт.

10

01643-31032

Washer

SN: 730777-UP

3шт.

11

6262-11-2310

Plate

SN: 730777-UP

1шт.

12

01010-81030

Bolt

SN: 730777-UP

4шт.

13

01643-31032

Washer

SN: 730777-UP

4шт.

14

17A-01-51122

Bracket

SN: 730777-UP

1шт.

15

01011-81205

Bolt

SN: 730777-UP

4шт.

16

01643-31232

Washer

SN: 730777-UP

4шт.

17

01010-E1265

Bolt

SN: 730777-UP

4шт.

18

01643-A1232

Washer

SN: 730777-UP

4шт.

19

17A-01-51182

Bracket

SN: 730777-UP

1шт.

20

01010-81240

Bolt

SN: 730777-UP

4шт.

21

01643-31232

Washer

SN: 730777-UP

4шт.

22

17A-01-51192

Bracket

SN: 730777-UP

1шт.

23

01010-81260

Bolt

SN: 730777-UP

4шт.

24

01643-31232

Washer

SN: 730777-UP

4шт.

25

208-01-41551

Bolt

SN: 730777-UP

2шт.

26

208-01-41560

Washer

SN: 730777-UP

4шт.

27

01581-01210

Nut, Stainless

SN: 730777-UP

8шт.

28

01435-01245

Bolt

SN: 730777-UP

4шт.

29

01016-51290

Bolt

SN: 730777-UP

1шт.

30

01581-01210

Nut, Stainless

SN: 730777-UP

1шт.

1

17A-01-51441

Tube

SN: 730777-UP

1шт.

2

17A-01-51421

Bracket

SN: 730777-UP

1шт.

3

01010-81025

Bolt

SN: 730777-UP

1шт.

4

01643-31032

Washer

SN: 730777-UP

1шт.

5

17A-01-51450

Bracket

SN: 730777-UP

1шт.

6

01010-81025

Bolt

SN: 730777-UP

1шт.

7

01643-31032

Washer

SN: 730777-UP

1шт.

8

6991-11-5990

Clamp

SN: 730777-UP

3шт.

9

01010-81020

Bolt

SN: 730777-UP

3шт.

10

01643-31032

Washer

SN: 730777-UP

3шт.

11

6262-11-2310

Plate

SN: 730777-UP

1шт.

12

01010-81030

Bolt

SN: 730777-UP

4шт.

13

01643-31032

Washer

SN: 730777-UP

4шт.

14

17A-01-51122

Bracket

SN: 730777-UP

1шт.

15

01011-81205

Bolt

SN: 730777-UP

4шт.

16

01643-31232

Washer

SN: 730777-UP

4шт.

17

01010-E1265

Bolt

SN: 730777-UP

4шт.

18

01643-A1232

Washer

SN: 730777-UP

4шт.

19

17A-01-51182

Bracket

SN: 730777-UP

1шт.

20

01010-81240

Bolt

SN: 730777-UP

4шт.

21

01643-31232

Washer

SN: 730777-UP

4шт.

22

17A-01-51192

Bracket

SN: 730777-UP

1шт.

23

01010-81260

Bolt

SN: 730777-UP

4шт.

24

01643-31232

Washer

SN: 730777-UP

4шт.

25

208-01-41551

Bolt

SN: 730777-UP

2шт.

26

208-01-41560

Washer

SN: 730777-UP

4шт.

27

01581-01210

Nut, Stainless

SN: 730777-UP

8шт.

28

01435-01245

Bolt

SN: 730777-UP

4шт.

29

01016-51290

Bolt

SN: 730777-UP

1шт.

30

01581-01210

Nut, Stainless

SN: 730777-UP

1шт.

Выбрано товаров: 60