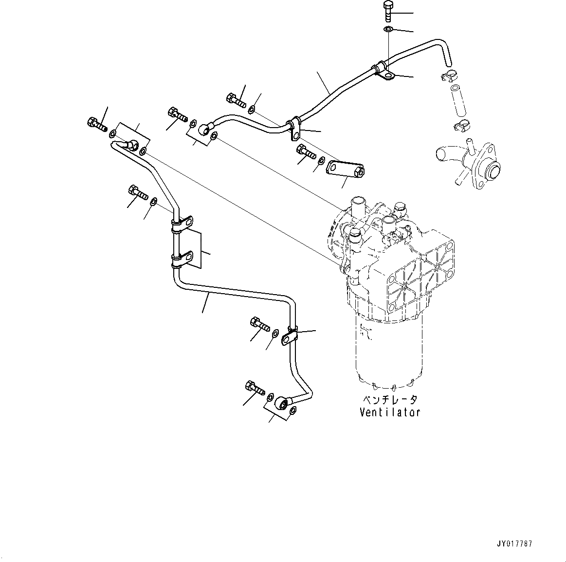
Запчасти Komatsu SAA6D140E-6B KOMATSU ЗАКРЫТ.D CRANKКОРПУС ВЕНТИЛЯТОРILATION (KCCV), ХЛАДАГЕНТ ТРУБЫ (№7-) KOMATSU ЗАКРЫТ.D CRANKКОРПУС ВЕНТИЛЯТОРILATION (KCCV)

Схема запчастей Komatsu SAA6D140E-6B - KOMATSU ЗАКРЫТ.D CRANKКОРПУС ВЕНТИЛЯТОРILATION (KCCV), ХЛАДАГЕНТ ТРУБЫ (№7-) KOMATSU ЗАКРЫТ.D CRANKКОРПУС ВЕНТИЛЯТОРILATION (KCCV)
7
6
5
2
4
3
1
10
11
13
7
9
8
9
8
12
15
14
15
14
13
16
17
7
6
5
2
4
3
1
10
11
13
7
9
8
9
8
12
15
14
15
14
13
16
17
FIT
1:1
100%

Артикул

Название

Примечание

Количество

1

6262-11-2660

Tube

SN: 730004-UP

1шт.

2

07206-30812

Bolt, Joint

SN: 730004-UP

1шт.

3

07005-01212

Seal, Washer

SN: 730004-UP

2шт.

4

01010-81020

Bolt

SN: 730004-UP

1шт.

5

01643-31032

Washer

SN: 730004-UP

1шт.

6

6262-11-2590

Plate

SN: 730004-UP

1шт.

7

600-052-3100

Clip

SN: 730004-UP

2шт.

8

01010-81020

Bolt

SN: 730004-UP

2шт.

9

01643-31032

Washer

SN: 730004-UP

2шт.

10

6262-11-2390

Tube

SN: 730004-UP

1шт.

11

07206-30812

Bolt, Joint

SN: 730004-UP

1шт.

12

07005-01212

Seal, Washer

SN: 730004-UP

2шт.

13

600-052-3100

Clip

SN: 730004-UP

3шт.

14

01010-81020

Bolt

SN: 730004-UP

3шт.

15

01643-31032

Washer

SN: 730004-UP

3шт.

16

07206-31014

Bolt, Joint

SN: 730004-UP

1шт.

17

07005-01412

Seal, Washer

SN: 730004-UP

2шт.

1

6262-11-2660

Tube

SN: 730004-UP

1шт.

2

07206-30812

Bolt, Joint

SN: 730004-UP

1шт.

3

07005-01212

Seal, Washer

SN: 730004-UP

2шт.

4

01010-81020

Bolt

SN: 730004-UP

1шт.

5

01643-31032

Washer

SN: 730004-UP

1шт.

6

6262-11-2590

Plate

SN: 730004-UP

1шт.

7

600-052-3100

Clip

SN: 730004-UP

2шт.

8

01010-81020

Bolt

SN: 730004-UP

2шт.

9

01643-31032

Washer

SN: 730004-UP

2шт.

10

6262-11-2390

Tube

SN: 730004-UP

1шт.

11

07206-30812

Bolt, Joint

SN: 730004-UP

1шт.

12

07005-01212

Seal, Washer

SN: 730004-UP

2шт.

13

600-052-3100

Clip

SN: 730004-UP

3шт.

14

01010-81020

Bolt

SN: 730004-UP

3шт.

15

01643-31032

Washer

SN: 730004-UP

3шт.

16

07206-31014

Bolt, Joint

SN: 730004-UP

1шт.

17

07005-01412

Seal, Washer

SN: 730004-UP

2шт.

Выбрано товаров: 34