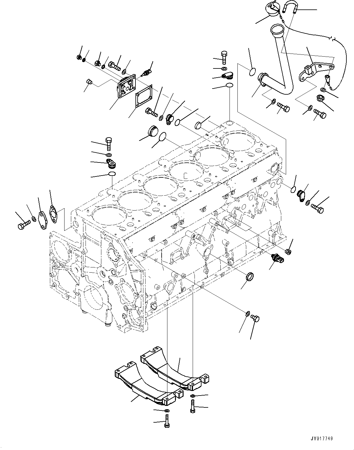
Запчасти Komatsu SAA6D140E-6B ЭЛЕМЕНТЫ БЛОКА ЦИЛИНДРОВ (№7-) ЭЛЕМЕНТЫ БЛОКА ЦИЛИНДРОВ

Схема запчастей Komatsu SAA6D140E-6B - ЭЛЕМЕНТЫ БЛОКА ЦИЛИНДРОВ (№7-) ЭЛЕМЕНТЫ БЛОКА ЦИЛИНДРОВ
42
1
2
3
4
13
38
37
40
14
39
36
38
6
5
8
7
9
10
20
25
24
31
41
42
41
42
41
21
22
19
23
26
28
27
29
43
44
33
32
35
34
30
17
18
15
12
11
39
40
17
18
16
42
41
42
1
2
3
4
13
38
37
40
14
39
36
38
6
5
8
7
9
10
20
25
24
31
41
42
41
42
41
21
22
19
23
26
28
27
29
43
44
33
32
35
34
30
17
18
15
12
11
39
40
17
18
16
42
41
FIT
1:1
100%

Артикул

Название

Примечание

Количество

1

6252-21-6240

Cover

SN: 730004-UP

1шт.

2

6210-21-1971

Gasket

SN: 730004-UP

1шт.

3

01010-81030

Bolt

SN: 730004-UP

4шт.

4

01643-31032

Washer

SN: 730004-UP

4шт.

5

6110-53-5910

Plug

SN: 730004-UP

1шт.

6

07005-01412

Seal, Washer

SN: 730004-UP

1шт.

7

07040-11209

Plug

SN: 730004-UP

1шт.

8

07005-01212

Seal, Washer

SN: 730004-UP

1шт.

9

07043-A0415

Plug

SN: 730004-UP

1шт.

10

07046-43516

Plug

SN: 730004-UP

1шт.

11

07043-70108

Plug

SN: 730004-UP

2шт.

11

6219-81-1961

Sensor Assembly

SN: 730004-UP

1шт.

12

6219-81-1991

O-ring

SN: 730004-UP

1шт.

13

6150-21-1180

Plug

SN: 730004-UP

1шт.

14

6150-21-1190

O-ring

SN: 730004-UP

1шт.

15

6217-21-1210

Bracket

SN: 730004-UP

2шт.

16

6217-21-1220

Bracket

SN: 730004-UP

1шт.

17

01010-81050

Bolt

SN: 730004-UP

12шт.

18

01643-31032

Washer

SN: 730004-UP

12шт.

19

6262-21-7130

Filler

SN: 730004-UP

1шт.

20

07000-73034

O-ring

SN: 730004-UP

1шт.

21

01010-81030

Bolt

SN: 730004-UP

1шт.

22

01643-31032

Washer

SN: 730004-UP

1шт.

23

6262-21-7230

Bracket

SN: 730004-UP

1шт.

24

01010-81025

Bolt

SN: 730004-UP

2шт.

25

01643-31032

Washer

SN: 730004-UP

2шт.

26

07283-34346

Clip

SN: 730004-UP

1шт.

27

01597-01009

Nut

SN: 730004-UP

2шт.

28

01643-31032

Washer

SN: 730004-UP

2шт.

29

07025-00100

Cap, Oil Filler

SN: 730004-UP

1шт.

30

07046-44016

Plug

SN: 730004-UP

1шт.

31

6261-81-6901

Sensor Assembly

SN: 730004-UP

1шт.

31

6216-84-9740

Seal

SN: 730004-UP

1шт.

32

6210-21-1950

Flange

SN: 730004-UP

1шт.

33

6262-61-6480

Gasket

SN: 730004-UP

1шт.

34

01010-81230

Bolt

SN: 730004-UP

2шт.

35

01643-31232

Washer

SN: 730004-UP

2шт.

36

6218-21-1940

Cover

SN: 730004-UP

1шт.

37

6217-21-1940

Cover

SN: 730004-UP

1шт.

38

6215-61-6630

O-ring

SN: 730004-UP

2шт.

39

6217-21-1940

Cover

SN: 730004-UP

2шт.

40

07000-73025

O-ring

SN: 730004-UP

2шт.

41

01010-81025

Bolt

SN: 730004-UP

4шт.

42

01643-31032

Washer

SN: 730004-UP

4шт.

43

600-311-7520

Plug

SN: 730004-UP

1шт.

44

07005-01412

Seal, Washer

SN: 730004-UP

1шт.

1

6252-21-6240

Cover

SN: 730004-UP

1шт.

2

6210-21-1971

Gasket

SN: 730004-UP

1шт.

3

01010-81030

Bolt

SN: 730004-UP

4шт.

4

01643-31032

Washer

SN: 730004-UP

4шт.

5

6110-53-5910

Plug

SN: 730004-UP

1шт.

6

07005-01412

Seal, Washer

SN: 730004-UP

1шт.

7

07040-11209

Plug

SN: 730004-UP

1шт.

8

07005-01212

Seal, Washer

SN: 730004-UP

1шт.

9

07043-A0415

Plug

SN: 730004-UP

1шт.

10

07046-43516

Plug

SN: 730004-UP

1шт.

11

07043-70108

Plug

SN: 730004-UP

2шт.

11

6219-81-1961

Sensor Assembly

SN: 730004-UP

1шт.

12

6219-81-1991

O-ring

SN: 730004-UP

1шт.

13

6150-21-1180

Plug

SN: 730004-UP

1шт.

14

6150-21-1190

O-ring

SN: 730004-UP

1шт.

15

6217-21-1210

Bracket

SN: 730004-UP

2шт.

16

6217-21-1220

Bracket

SN: 730004-UP

1шт.

17

01010-81050

Bolt

SN: 730004-UP

12шт.

18

01643-31032

Washer

SN: 730004-UP

12шт.

19

6262-21-7130

Filler

SN: 730004-UP

1шт.

20

07000-73034

O-ring

SN: 730004-UP

1шт.

21

01010-81030

Bolt

SN: 730004-UP

1шт.

22

01643-31032

Washer

SN: 730004-UP

1шт.

23

6262-21-7230

Bracket

SN: 730004-UP

1шт.

24

01010-81025

Bolt

SN: 730004-UP

2шт.

25

01643-31032

Washer

SN: 730004-UP

2шт.

26

07283-34346

Clip

SN: 730004-UP

1шт.

27

01597-01009

Nut

SN: 730004-UP

2шт.

28

01643-31032

Washer

SN: 730004-UP

2шт.

29

07025-00100

Cap, Oil Filler

SN: 730004-UP

1шт.

30

07046-44016

Plug

SN: 730004-UP

1шт.

31

6261-81-6901

Sensor Assembly

SN: 730004-UP

1шт.

31

6216-84-9740

Seal

SN: 730004-UP

1шт.

32

6210-21-1950

Flange

SN: 730004-UP

1шт.

33

6262-61-6480

Gasket

SN: 730004-UP

1шт.

34

01010-81230

Bolt

SN: 730004-UP

2шт.

35

01643-31232

Washer

SN: 730004-UP

2шт.

36

6218-21-1940

Cover

SN: 730004-UP

1шт.

37

6217-21-1940

Cover

SN: 730004-UP

1шт.

38

6215-61-6630

O-ring

SN: 730004-UP

2шт.

39

6217-21-1940

Cover

SN: 730004-UP

2шт.

40

07000-73025

O-ring

SN: 730004-UP

2шт.

41

01010-81025

Bolt

SN: 730004-UP

4шт.

42

01643-31032

Washer

SN: 730004-UP

4шт.

43

600-311-7520

Plug

SN: 730004-UP

1шт.

44

07005-01412

Seal, Washer

SN: 730004-UP

1шт.

Выбрано товаров: 92