Запчасти Komatsu D155AX-7 КАБИНА ЭЛЕКТР. БЛОК, GPS КОРПУС КРЕПЛЕНИЕ (№9-) КАБИНА ЭЛЕКТР. БЛОК, С AM-FM STEREO РАДИО, AUX, ЕСКАНАТ, ASIA, ДЛЯ IB СПЕЦ-ЯIFICATION

Схема запчастей Komatsu D155AX-7 - КАБИНА ЭЛЕКТР. БЛОК, GPS КОРПУС КРЕПЛЕНИЕ (№9-) КАБИНА ЭЛЕКТР. БЛОК, С AM-FM STEREO РАДИО, AUX, ЕСКАНАТ, ASIA, ДЛЯ IB СПЕЦ-ЯIFICATION
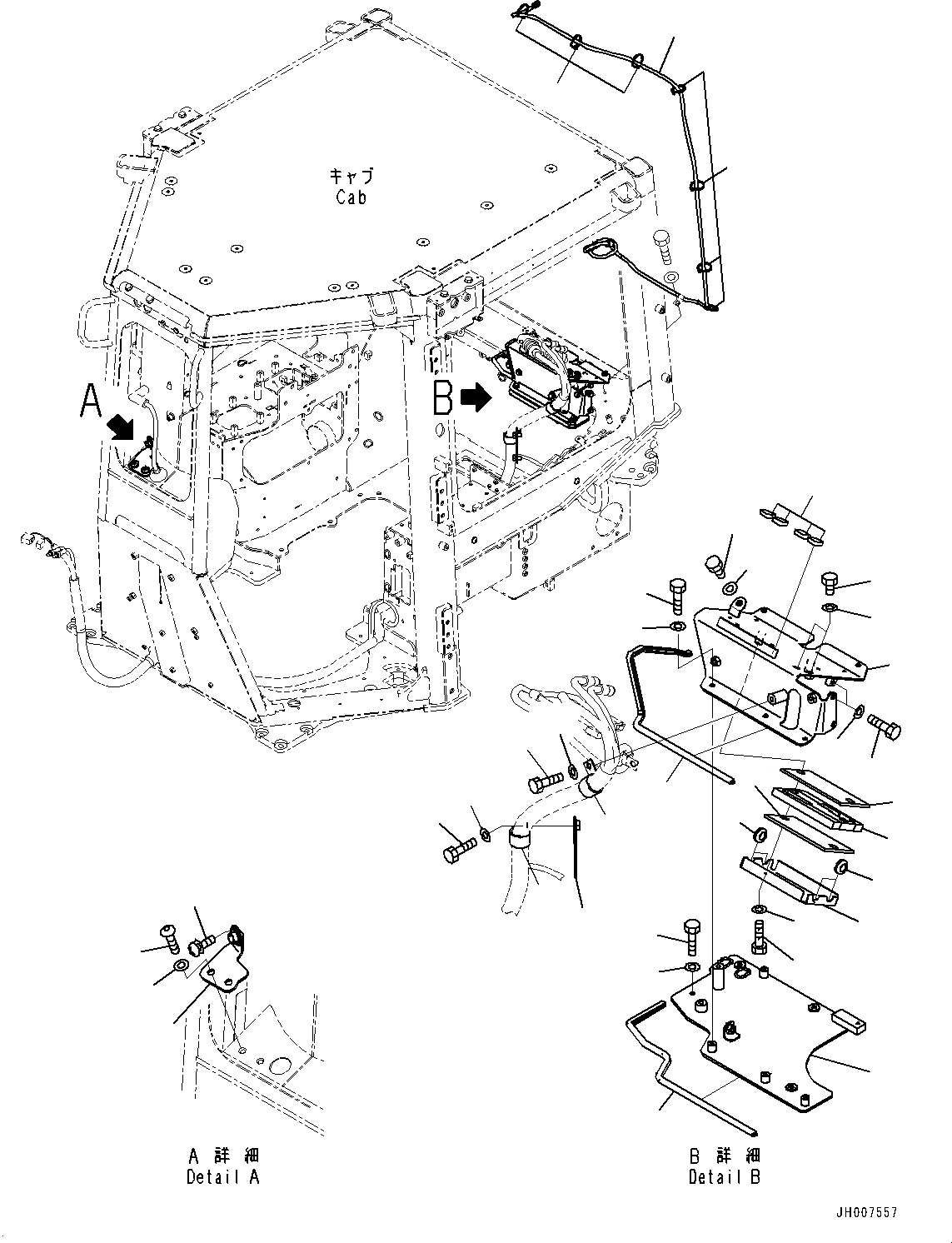
9
10
10
1
2
3
4
5
6
7
8
11
12
13
14
15
16
17
18
19
20
21
22
23
24
25
26
27
28
29
30
31
32
33
34
3
21
FIT
1:1
100%

Артикул

Название

Примечание

Количество

1

12Y-06-27750

Cover

SN: 90001-UP

1шт.

2

11Y-06-32540

Cushion

SN: 90001-UP

1шт.

3

20S-54-12310

Grommet

SN: 90001-UP

4шт.

4

17A-06-52310

Sheet

SN: 90001-UP

1шт.

5

01010-D0816

Bolt

SN: 90001-UP

3шт.

6

01643-70823

Washer

SN: 90001-UP

3шт.

7

01010-D0612

Bolt

SN: 90001-UP

2шт.

8

01643-70623

Washer

SN: 90001-UP

2шт.

9

14X-06-61161

Cable

SN: 90001-UP

1шт.

10

08034-20519

Band

SN: 90001-UP

7шт.

11

14X-06-61851

Bracket

SN: 90001-UP

1шт.

12

423-S35-4260

Finisher

SN: 90001-UP

1шт.

13

14X-06-63833

Bracket

SN: 90001-UP

1шт.

14

11Y-06-32540

Cushion

SN: 90001-UP

1шт.

15

14X-06-63391

Sheet

SN: 90001-UP

4шт.

16

425-54-32540

Finisher

SN: 90001-UP

1шт.

17

01010-D0650

Bolt

SN: 90001-UP

4шт.

18

01643-70623

Washer

SN: 90001-UP

4шт.

19

01010-D0816

Bolt

SN: 90001-UP

5шт.

20

01643-70823

Washer

SN: 90001-UP

5шт.

21

01643-71032

Washer

SN: 90001-UP

3шт.

22

14X-06-63850

Plug

SN: 90001-UP

2шт.

23

14X-06-63860

Plug

SN: 90001-UP

1шт.

24

14X-06-53370

Plate

SN: 90001-UP

1шт.

25

04434-53411

Clip

SN: 90001-UP

1шт.

26

01010-D1020

Bolt

SN: 90001-UP

3шт.

27

01643-71032

Washer

SN: 90001-UP

3шт.

28

04434-53411

Clip

SN: 90001-UP

1шт.

29

01010-D1020

Bolt

SN: 90001-UP

1шт.

30

01643-71032

Washer

SN: 90001-UP

1шт.

31

14X-06-63311

Bracket

SN: 90001-UP

1шт.

32

01643-71232

Washer

SN: 90001-UP

2шт.

33

01245-01235

Screw, Hexagon Socket Head

SN: 90001-UP

2шт.

34

01023-20208

Screw

SN: 90001-UP

4шт.

Выбрано товаров: 0