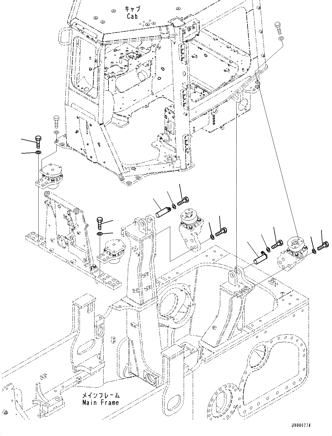
Запчасти Komatsu D155AX-7 КРЕПЛЕНИЕ ПОЛАING, (№9-9) КРЕПЛЕНИЕ ПОЛАING

Схема запчастей Komatsu D155AX-7 - КРЕПЛЕНИЕ ПОЛАING, (№9-9) КРЕПЛЕНИЕ ПОЛАING
2
1
2
1
3
5
4
7
6
3
5
4
7
6
FIT
1:1
100%

Артикул

Название

Примечание

Количество

1

01010-82065

Bolt

SN: 90001-90051

8шт.

2

01643-32060

Washer

SN: 90001-@

8шт.

3

17A-978-4311

Pin

SN: 90001-@

2шт.

4

01010-81230

Bolt

SN: 90001-@

2шт.

5

01643-31232

Washer

SN: 90001-@

2шт.

6

01010-82475

Bolt

SN: 90001-@

8шт.

7

01643-32460

Washer

SN: 90001-@

8шт.

Выбрано товаров: 7