Запчасти Komatsu D155AX-7 ЗАЩИТА РАДИАТОРА ЧАСТИ, КОРПУС (№9-) ЗАЩИТА РАДИАТОРА ЧАСТИ, БЕЗ IB СПЕЦ-ЯIFICATION, LANDFILL СПЕЦ-ЯIFICATION

Схема запчастей Komatsu D155AX-7 - ЗАЩИТА РАДИАТОРА ЧАСТИ, КОРПУС (№9-) ЗАЩИТА РАДИАТОРА ЧАСТИ, БЕЗ IB СПЕЦ-ЯIFICATION, LANDFILL СПЕЦ-ЯIFICATION
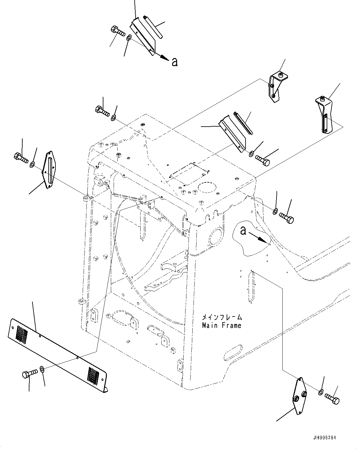
5
6
19
20
15
16
3
2
12
11
8
9
11
12
10
17
18
4
1
13
14
10
7
FIT
1:1
100%

Артикул

Название

Примечание

Количество

1

17A-54-52161

Bracket

SN: 90001-UP

1шт.

2

01010-81655

Bolt

SN: 90001-UP

2шт.

3

01643-31645

Washer

SN: 90001-UP

2шт.

4

17A-54-52171

Bracket

SN: 90001-UP

1шт.

5

01010-81655

Bolt

SN: 90001-UP

2шт.

6

01643-31645

Washer

SN: 90001-UP

2шт.

7

17A-54-51612

Mask

SN: 90001-UP

1шт.

8

01010-D1225

Bolt

SN: 90001-UP

4шт.

9

01643-71232

Washer

SN: 90001-UP

4шт.

10

17A-54-41192

Cover

SN: 90001-UP

2шт.

11

01010-81020

Bolt

SN: 90001-UP

8шт.

12

01643-31032

Washer

SN: 90001-UP

8шт.

13

17A-54-52670

Cover Assembly

SN: 90001-UP

1шт.

14

17A-54-52690

Seal

SN: 90001-UP

1шт.

15

01010-81020

Bolt

SN: 90001-UP

2шт.

16

01643-31032

Washer

SN: 90001-UP

2шт.

17

17A-54-52680

Cover Assembly

SN: 90001-UP

1шт.

18

17A-54-52690

Seal

SN: 90001-UP

1шт.

19

01010-81020

Bolt

SN: 90001-UP

2шт.

20

01643-31032

Washer

SN: 90001-UP

2шт.

Выбрано товаров: 20