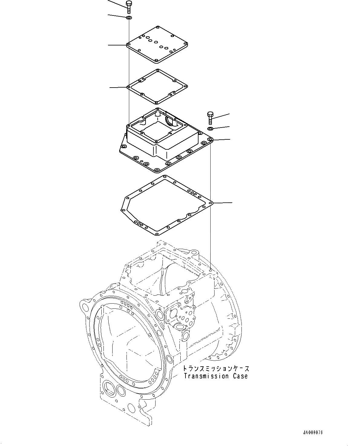
Запчасти Komatsu D155AX-7 СИЛОВАЯ ПЕРЕДАЧА, КЛАПАН КРЫШКА(№9-) СИЛОВАЯ ПЕРЕДАЧА

Схема запчастей Komatsu D155AX-7 - СИЛОВАЯ ПЕРЕДАЧА, КЛАПАН КРЫШКА(№9-) СИЛОВАЯ ПЕРЕДАЧА
2
1
3
4
5
6
7
8
FIT
1:1
100%

Артикул

Название

Примечание

Количество

|$0

17A-15-41002

Transmission Assembly

SN: 90001-UP

1шт.

1

17M-15-45810

Cover

SN: 90001-UP

1шт.

2

17A-15-25911

Gasket, (Kit : K03)

SN: 90001-UP

1шт.

3

01010-81230

Bolt

SN: 90001-UP

14шт.

4

01643-31232

Washer

SN: 90001-UP

14шт.

5

17A-15-41220

Cover

SN: 90001-UP

1шт.

6

195-15-71230

Gasket, (Kit : K03)

SN: 90001-UP

1шт.

7

01010-81030

Bolt

SN: 90001-UP

4шт.

8

01643-31032

Washer

SN: 90001-UP

4шт.

Выбрано товаров: 9