Запчасти Komatsu D155AX-7 СИЛОВАЯ ПЕРЕДАЧА, АКСЕССУАРЫ (№9-) СИЛОВАЯ ПЕРЕДАЧА

Схема запчастей Komatsu D155AX-7 - СИЛОВАЯ ПЕРЕДАЧА, АКСЕССУАРЫ (№9-) СИЛОВАЯ ПЕРЕДАЧА
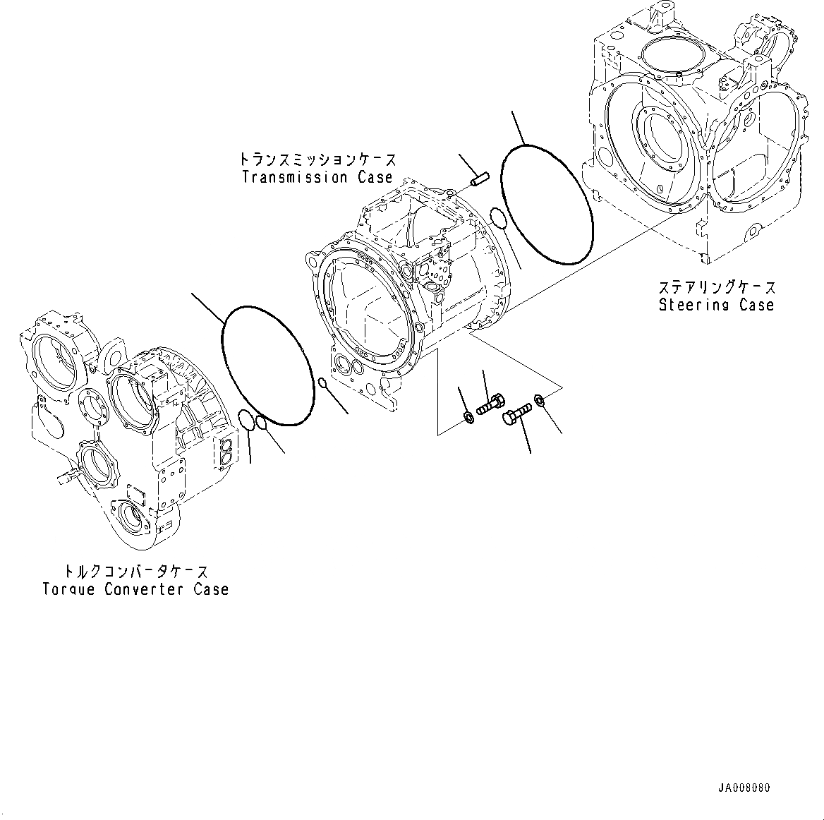
1
2
3
4
5
6
8
10
9
11
7
FIT
1:1
100%

Артикул

Название

Примечание

Количество

1

17M-15-45980

O-ring

SN: 90001-UP

1шт.

2

07000-72085

O-ring

SN: 90001-UP

1шт.

3

07000-72055

O-ring

SN: 90001-UP

1шт.

4

01010-81240

Bolt

SN: 90001-UP

18шт.

5

01643-31232

Washer

SN: 90001-UP

18шт.

6

17M-15-45980

O-ring

SN: 90001-UP

1шт.

7

07000-72085

O-ring

SN: 90001-UP

1шт.

8

07000-73038

O-ring

SN: 90001-UP

1шт.

9

01010-81235

Bolt

SN: 90001-UP

19шт.

10

01643-31232

Washer

SN: 90001-UP

19шт.

11

04020-01228

Pin, Dowel

SN: 90001-UP

1шт.

Выбрано товаров: 11