Запчасти Komatsu D155AX-7 КРЫЛО КОМПОНЕНТЫ, КРЫШКА КРЫЛА ДРУГОЕ ЧАСТИ (№9-) КРЫЛО КОМПОНЕНТЫ, ДЛЯ LANDFILL СПЕЦ-ЯIFICATION

Схема запчастей Komatsu D155AX-7 - КРЫЛО КОМПОНЕНТЫ, КРЫШКА КРЫЛА ДРУГОЕ ЧАСТИ (№9-) КРЫЛО КОМПОНЕНТЫ, ДЛЯ LANDFILL СПЕЦ-ЯIFICATION
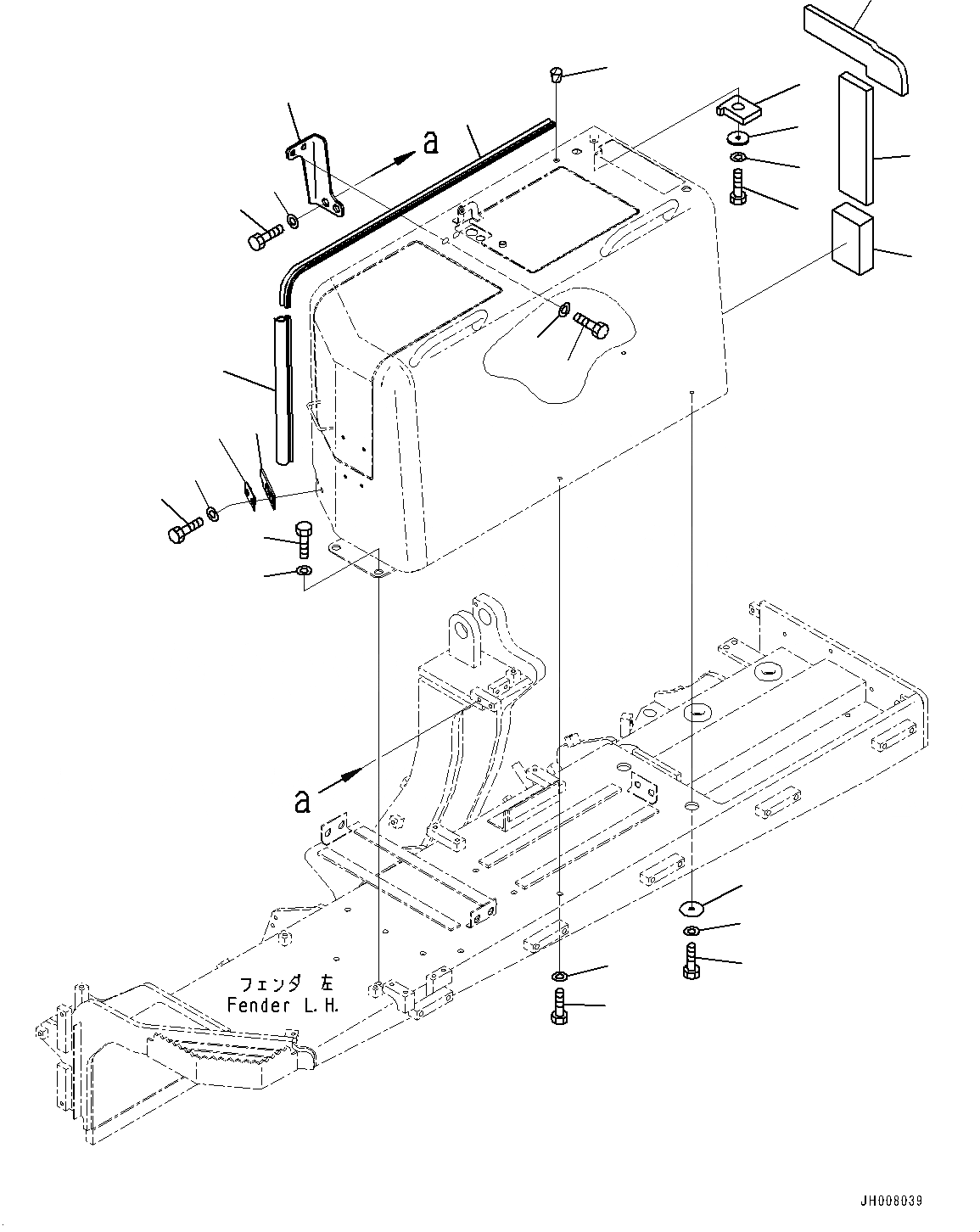
1
2
3
4
5
6
7
8
9
10
11
12
13
14
15
16
17
18
19
20
21
22
16
15
22
21
FIT
1:1
100%

Артикул

Название

Примечание

Количество

1

17A-54-55670

Seal

SN: 90001-UP

1шт.

2

17A-54-55841

Bracket

SN: 90001-UP

1шт.

3

01010-81025

Bolt

SN: 90001-UP

2шт.

4

01643-31032

Washer

SN: 90001-UP

2шт.

5

17A-54-55820

Seal

SN: 90001-UP

1шт.

6

21E-71-11220

Plate

SN: 90001-UP

1шт.

7

01010-81025

Bolt

SN: 90001-UP

1шт.

8

01643-31032

Washer

SN: 90001-UP

1шт.

9

17A-54-55551

Seal

SN: 90001-UP

1шт.

10

17A-54-55540

Seal

SN: 90001-UP

1шт.

11

17A-54-55581

Seal

SN: 90001-UP

1шт.

12

17A-54-55560

Seal

SN: 90001-UP

1шт.

13

17A-54-55570

Seal

SN: 90001-UP

1шт.

14

07049-01215

Plug

SN: 90001-UP

1шт.

15

01010-81230

Bolt

SN: 90001-UP

3шт.

16

01643-31232

Washer

SN: 90001-UP

3шт.

17

195-56-11210

Plate

SN: 90001-UP

2шт.

18

01010-81230

Bolt

SN: 90001-UP

2шт.

19

175-54-34170

Washer

SN: 90001-UP

2шт.

20

17A-54-55170

Bracket

SN: 90001-UP

1шт.

21

01010-81230

Bolt

SN: 90001-UP

4шт.

22

175-54-34170

Washer

SN: 90001-UP

4шт.

Выбрано товаров: 22