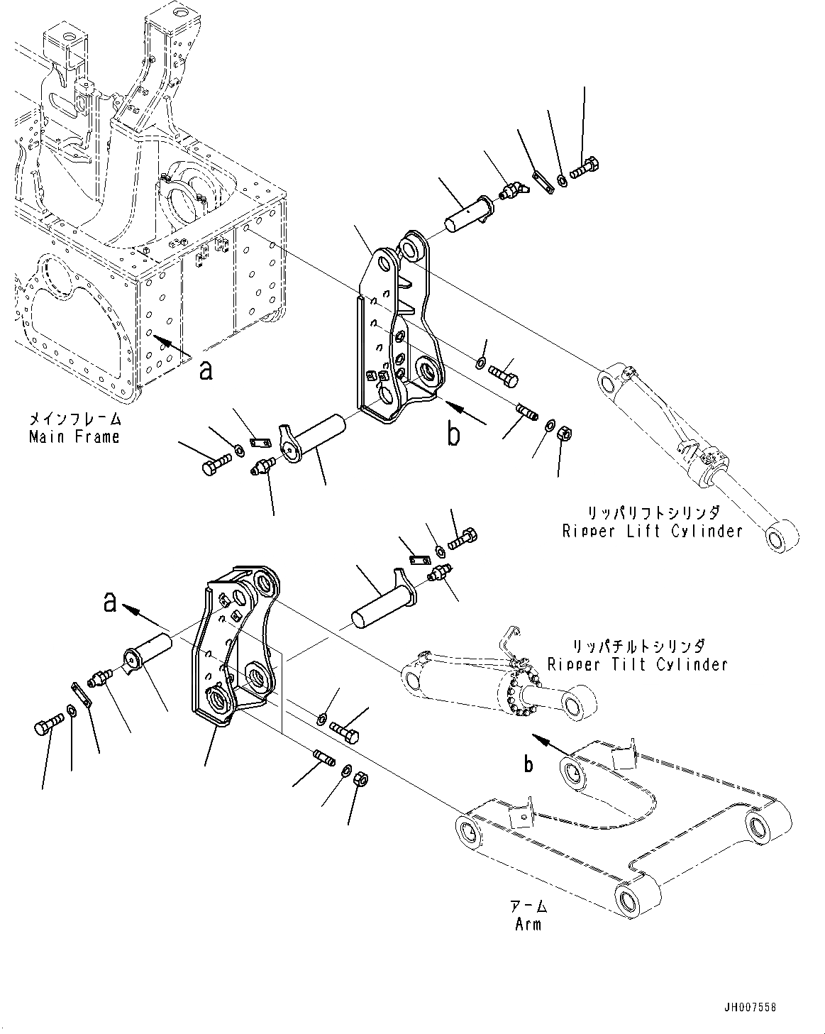
Запчасти Komatsu D155AX-7 РЫХЛИТЕЛЬ КРЕПЛЕНИЕ (№9-) РЫХЛИТЕЛЬ КРЕПЛЕНИЕ

Схема запчастей Komatsu D155AX-7 - РЫХЛИТЕЛЬ КРЕПЛЕНИЕ (№9-) РЫХЛИТЕЛЬ КРЕПЛЕНИЕ
1
22
23
8
7
15
16
18
19
17
5
6
21
18
13
14
12
27
26
20
19
17
16
24
15
9
11
10
2
4
3
25
FIT
1:1
100%

Артикул

Название

Примечание

Количество

1

17A-78-41112

Bracket

SN: 90001-UP

1шт.

2

205-70-61560

Plate

SN: 90001-UP

1шт.

3

01010-82040

Bolt

SN: 90001-UP

2шт.

4

01643-32060

Washer

SN: 90001-UP

2шт.

5

205-70-61560

Plate

SN: 90001-UP

1шт.

6

01010-82040

Bolt

SN: 90001-UP

2шт.

7

01643-32060

Washer

SN: 90001-UP

2шт.

8

17A-78-47920

Bracket

SN: 90001-UP

1шт.

9

205-70-61560

Plate

SN: 90001-UP

1шт.

10

01010-82040

Bolt

SN: 90001-UP

2шт.

11

01643-32060

Washer

SN: 90001-UP

2шт.

12

205-70-61560

Plate

SN: 90001-UP

1шт.

13

01010-82040

Bolt

SN: 90001-UP

2шт.

14

01643-32060

Washer

SN: 90001-UP

2шт.

15

01018-33990

Bolt

SN: 90001-UP

14шт.

16

195-69-11140

Washer

SN: 90001-UP

14шт.

17

195-78-11270

Stud

SN: 90001-UP

4шт.

18

195-69-11131

Nut

SN: 90001-UP

4шт.

19

195-69-11140

Washer

SN: 90001-UP

4шт.

20

17A-78-44110

Pin

SN: 90001-UP

1шт.

21

07020-00000

Fitting, Grease

SN: 90001-UP

1шт.

22

17A-78-44150

Pin

SN: 90001-UP

1шт.

23

07020-00000

Fitting, Grease

SN: 90001-UP

1шт.

24

17A-78-44110

Pin

SN: 90001-UP

1шт.

25

07020-00000

Fitting, Grease

SN: 90001-UP

1шт.

26

17A-78-44161

Pin

SN: 90001-UP

1шт.

27

07020-00675

Fitting, Grease

SN: 90001-UP

1шт.

Выбрано товаров: 0