Запчасти Komatsu D155AX-7 РЫХЛИТЕЛЬ СИСТЕМА ТРУБ СТОПОРН. ПАЛЬЦА (№9-) РЫХЛИТЕЛЬ СИСТЕМА ТРУБ СТОПОРН. ПАЛЬЦА, ДЛЯ РЕГУЛИР. МНОГОСТОЕЧН. РЫХЛИТ.

Схема запчастей Komatsu D155AX-7 - РЫХЛИТЕЛЬ СИСТЕМА ТРУБ СТОПОРН. ПАЛЬЦА (№9-) РЫХЛИТЕЛЬ СИСТЕМА ТРУБ СТОПОРН. ПАЛЬЦА, ДЛЯ РЕГУЛИР. МНОГОСТОЕЧН. РЫХЛИТ.
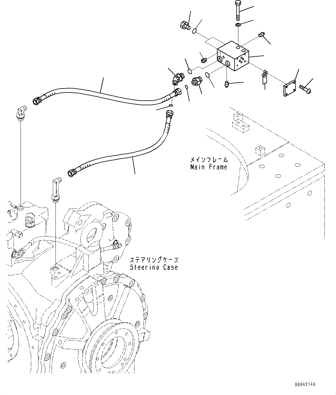
1
2
3
4
5
6
7
8
9
11
12
2
2
5
6
10
12
14
13
FIT
1:1
100%

Артикул

Название

Примечание

Количество

1

17A-79-41310

Body

SN: 90001-UP

1шт.

2

07042-70108

Plug

SN: 90001-UP

3шт.

3

02781-00315

Union

SN: 90001-UP

1шт.

4

02783-10315

Elbow

SN: 90001-UP

1шт.

5

02896-11009

O-ring

SN: 90001-UP

2шт.

6

07002-12034

O-ring

SN: 90001-UP

2шт.

7

07040-12012

Plug

SN: 90001-UP

2шт.

8

07002-12034

O-ring

SN: 90001-UP

2шт.

9

195-79-12410

Plate

SN: 90001-UP

1шт.

10

07000-11009

O-ring

SN: 90001-UP

4шт.

11

01220-40516

Screw, Philips Head

SN: 90001-UP

4шт.

12

17A-61-51670

Hose

SN: 90001-UP

2шт.

13

01010-81275

Bolt

SN: 90001-UP

2шт.

14

01643-31232

Washer

SN: 90001-UP

2шт.

Выбрано товаров: 14