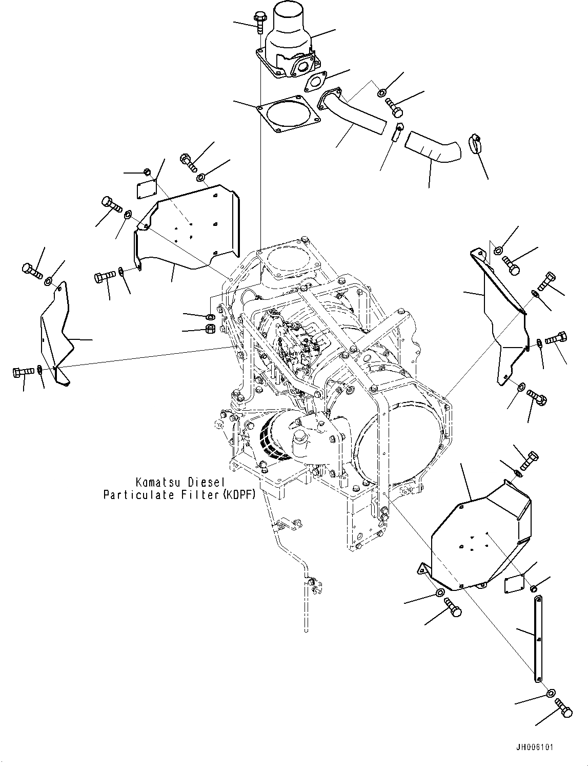
Запчасти Komatsu D155AX-7 КРЕПЛЕНИЕ ДВИГАТЕЛЯ, (/) (№9-) КРЕПЛЕНИЕ ДВИГАТЕЛЯ, БЕЗ LANDFILL СПЕЦ-ЯIFICATION

Схема запчастей Komatsu D155AX-7 - КРЕПЛЕНИЕ ДВИГАТЕЛЯ, (/) (№9-) КРЕПЛЕНИЕ ДВИГАТЕЛЯ, БЕЗ LANDFILL СПЕЦ-ЯIFICATION
10
11
12
13
18
19
20
21
22
23
25
26
28
11
12
14
15
16
17
16
17
16
17
24
27
28
5
4
2
6
3
1
5
7
8
9
6
8
9
5
6
8
8
9
9
FIT
1:1
100%

Артикул

Название

Примечание

Количество

|$0

17A-01-51581

Cover

SN: 90001-UP

1шт.

1

Cover

SN: 90001-UP

1шт.

2

09817-A0005

Rivet

SN: 90001-UP

4шт.

3

09817-A0753

Plate, Warning, High Temperature

SN: 90001-UP

1шт.

4

17A-01-51590

Plate

SN: 90001-UP

1шт.

5

01010-81030

Bolt

SN: 90001-UP

8шт.

6

01643-31032

Washer

SN: 90001-UP

8шт.

7

17A-01-51571

Cover

SN: 90001-UP

1шт.

8

01010-81030

Bolt

SN: 90001-UP

6шт.

9

01643-31032

Washer

SN: 90001-UP

6шт.

10

17A-01-51681

Cover

SN: 90001-UP

1шт.

11

01010-81030

Bolt

SN: 90001-UP

4шт.

12

01643-31032

Washer

SN: 90001-UP

4шт.

12

17A-01-51691

Cover

SN: 90001-UP

1шт.

13

Cover

SN: 90001-UP

1шт.

14

09817-A0005

Rivet

SN: 90001-UP

4шт.

15

09817-A0753

Plate, Warning, High Temperature

SN: 90001-UP

1шт.

16

01010-81030

Bolt

SN: 90001-UP

5шт.

17

01643-31032

Washer

SN: 90001-UP

5шт.

18

17A-01-51222

Pipe

SN: 90001-UP

1шт.

19

6262-11-5490

Gasket

SN: 90001-UP

1шт.

20

01435-01245

Bolt

SN: 90001-UP

4шт.

21

01581-01210

Nut, Stainless

SN: 90001-UP

4шт.

22

01643-A1232

Washer

SN: 90001-UP

4шт.

23

17A-01-51141

Tube

SN: 90001-UP

1шт.

24

6162-13-5611

Gasket

SN: 90001-UP

1шт.

25

01010-81030

Bolt

SN: 90001-UP

2шт.

26

01643-31032

Washer

SN: 90001-UP

2шт.

27

17A-01-51151

Hose

SN: 90001-UP

1шт.

28

07289-00055

Clamp

SN: 90001-UP

2шт.

Выбрано товаров: 30