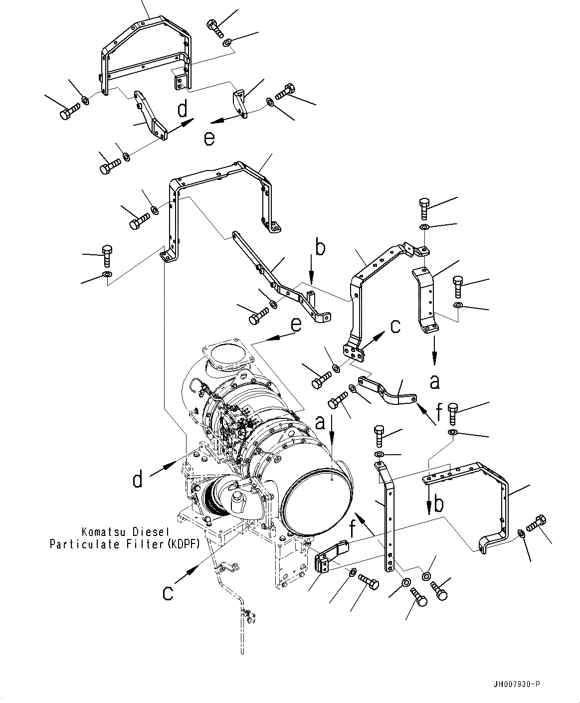
Запчасти Komatsu D155AX-7 КРЕПЛЕНИЕ ДВИГАТЕЛЯ, (/) (№9-) КРЕПЛЕНИЕ ДВИГАТЕЛЯ, ДЛЯ LANDFILL СПЕЦ-ЯIFICATION

Схема запчастей Komatsu D155AX-7 - КРЕПЛЕНИЕ ДВИГАТЕЛЯ, (/) (№9-) КРЕПЛЕНИЕ ДВИГАТЕЛЯ, ДЛЯ LANDFILL СПЕЦ-ЯIFICATION
17
8
9
31
30
31
30
41
40
16
36
35
20
19
3
2
5
6
34
33
27
28
14
13
39
38
17
11
12
24
25
21
22
32
26
18
23
15
37
29
10
16
1
7
4
FIT
1:1
100%

Артикул

Название

Примечание

Количество

1

17A-01-52140

Bracket

SN: 90001-UP

1шт.

2

01010-81235

Bolt

SN: 90001-UP

2шт.

3

01643-31232

Washer

SN: 90001-UP

2шт.

4

17A-01-52191

Bracket

SN: 90001-UP

1шт.

5

01010-81235

Bolt

SN: 90001-UP

2шт.

6

01643-31232

Washer

SN: 90001-UP

2шт.

7

17A-01-52180

Bracket

SN: 90001-UP

1шт.

8

01010-81235

Bolt

SN: 90001-UP

2шт.

9

01643-31232

Washer

SN: 90001-UP

2шт.

10

17A-01-52160

Bracket

SN: 90001-UP

1шт.

11

01010-81245

Bolt

SN: 90001-UP

1шт.

12

01643-31232

Washer

SN: 90001-UP

1шт.

13

01010-81235

Bolt

SN: 90001-UP

2шт.

14

01643-31232

Washer

SN: 90001-UP

2шт.

15

17A-01-52171

Bracket

SN: 90001-UP

1шт.

16

01010-81235

Bolt

SN: 90001-UP

2шт.

17

01643-31232

Washer

SN: 90001-UP

2шт.

18

17A-01-52120

Bracket

SN: 90001-UP

1шт.

19

01010-81235

Bolt

SN: 90001-UP

2шт.

20

01643-31232

Washer

SN: 90001-UP

2шт.

21

01010-81245

Bolt

SN: 90001-UP

1шт.

22

01643-31232

Washer

SN: 90001-UP

1шт.

23

17A-01-52130

Bracket

SN: 90001-UP

1шт.

24

01010-81235

Bolt

SN: 90001-UP

2шт.

25

01643-31232

Washer

SN: 90001-UP

2шт.

26

17A-01-52111

Bracket

SN: 90001-UP

1шт.

27

01010-81235

Bolt

SN: 90001-UP

4шт.

28

01643-31232

Washer

SN: 90001-UP

4шт.

29

17A-01-52320

Bracket

SN: 90001-UP

1шт.

30

01010-81245

Bolt

SN: 90001-UP

2шт.

31

01643-31232

Washer

SN: 90001-UP

2шт.

32

17A-01-52210

Bracket

SN: 90001-UP

1шт.

33

01010-81235

Bolt

SN: 90001-UP

2шт.

34

01643-31232

Washer

SN: 90001-UP

2шт.

35

01010-81245

Bolt

SN: 90001-UP

1шт.

36

01643-31232

Washer

SN: 90001-UP

1шт.

37

17A-01-52150

Bracket

SN: 90001-UP

1шт.

38

01010-81245

Bolt

SN: 90001-UP

1шт.

39

01643-31232

Washer

SN: 90001-UP

1шт.

40

01010-81255

Bolt

SN: 90001-UP

1шт.

41

01643-31232

Washer

SN: 90001-UP

1шт.

Выбрано товаров: 41