Запчасти Komatsu D155S-1 VANDALISUM ЗАЩИТА ОПЦИОННЫЕ КОМПОНЕНТЫ

Схема запчастей Komatsu D155S-1 - VANDALISUM ЗАЩИТА ОПЦИОННЫЕ КОМПОНЕНТЫ
FIT
1:1
100%

Артикул

Название

Примечание

Количество

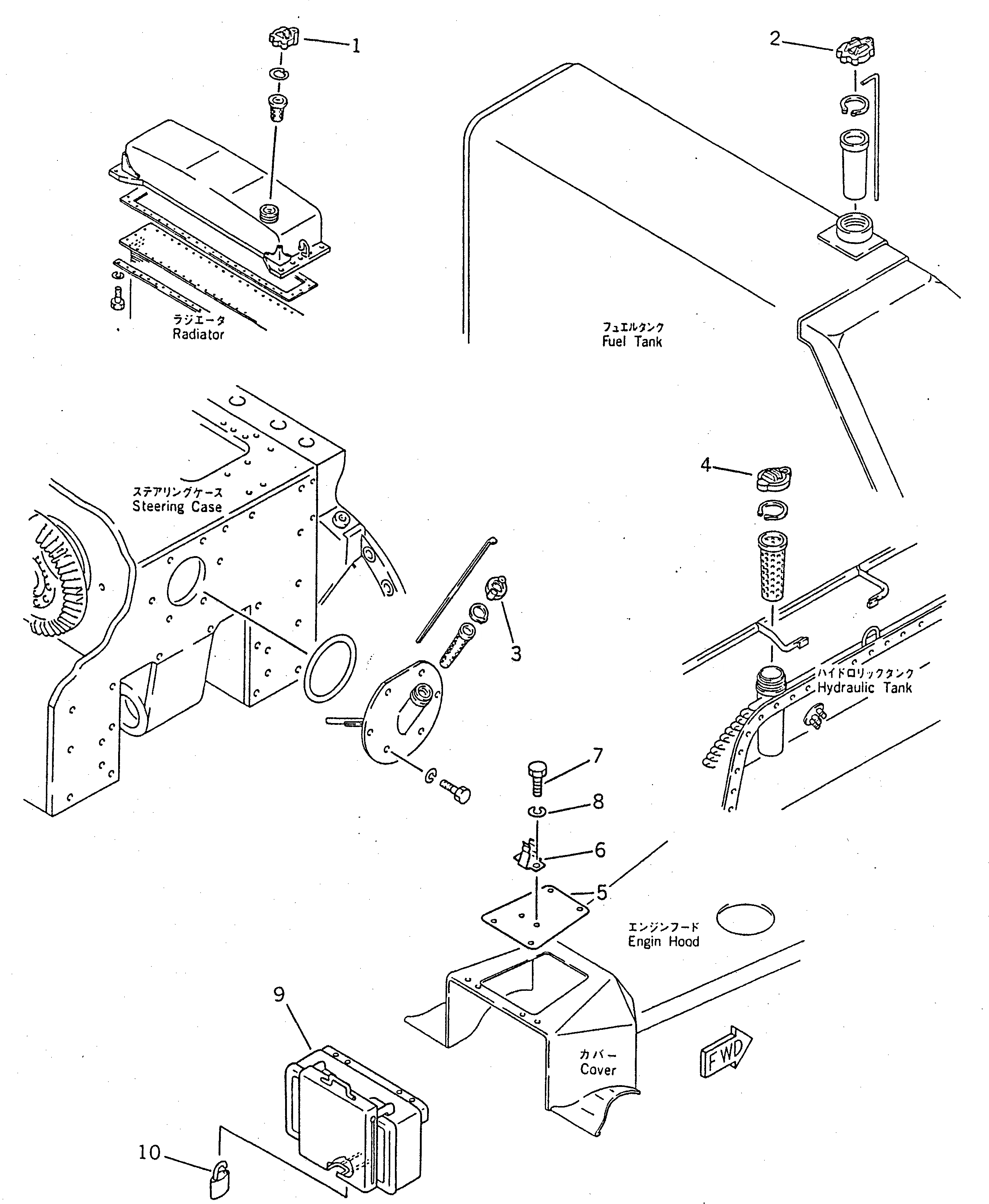
1

07093-20000

CAP,(FOR RADIATOR)

SN: 1001-UP

1шт.

2

07091-01200

CAP,(FOR FUEL TANK)

SN: 1001-UP

1шт.

3

07092-00000

CAP,(FOR STEERING CASE)

SN: 1001-UP

1шт.

4

07092-00000

CAP,(FOR HYDRAULIC TANK)

SN: 1001-UP

1шт.

5

178-54-12330

COVER

SN: 1001-UP

1шт.

6

198-54-19150

SPRING

SN: 1001-UP

1шт.

7

01010-30610

BOLT

SN: 1001-UP

2шт.

8

01602-00619

WASHER,SPRING

SN: 1001-UP

2шт.

9

178-54-12320

COVER

SN: 1001-UP

1шт.

10

09460-00000

LOCK

SN: 1001-UP

1шт.

Выбрано товаров: 10