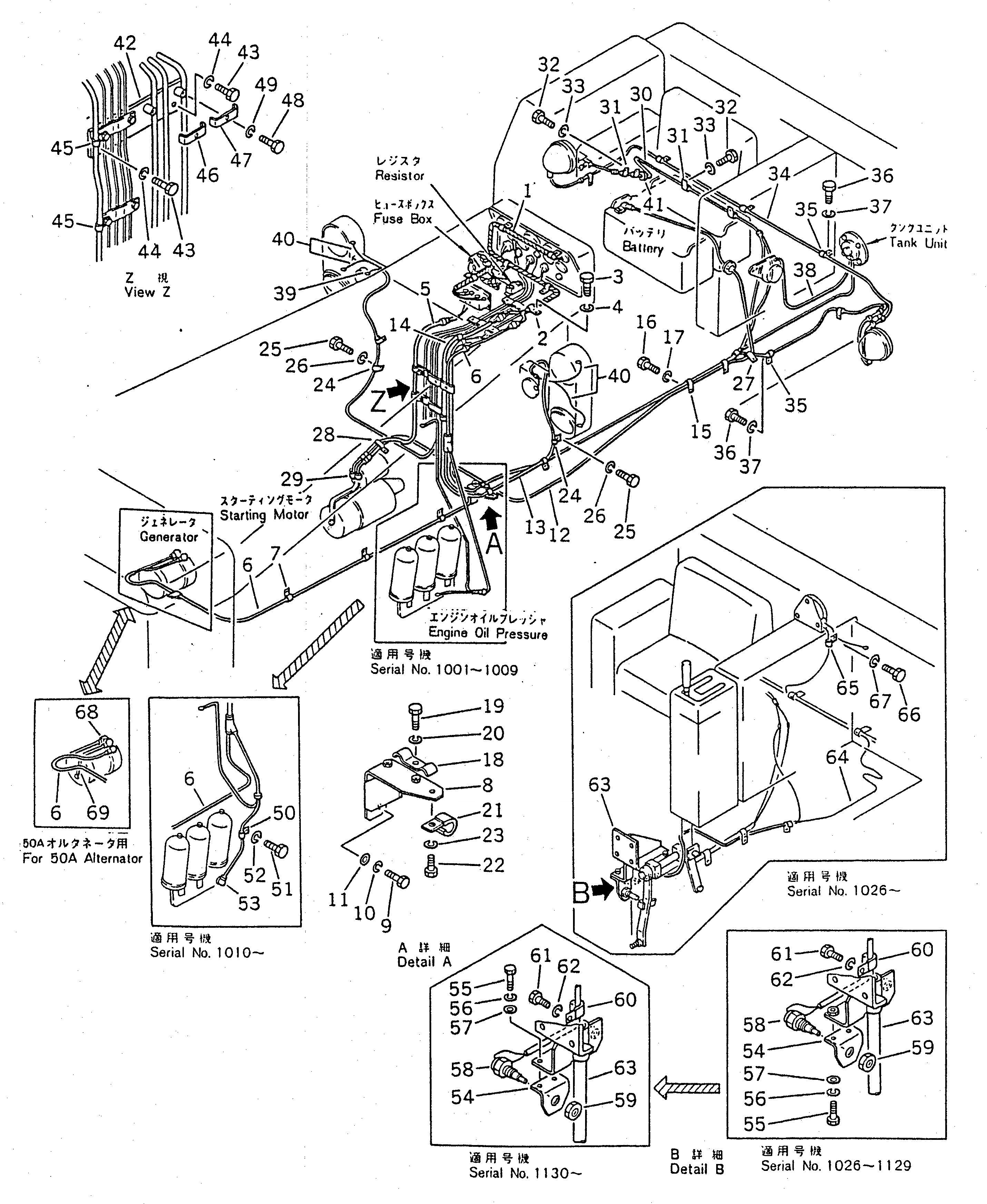
Запчасти Komatsu D155S-1 ЭЛЕКТРОПРОВОДКА (ДЛЯ ШЛАКОВОЕ. ПР-ВО) КОМПОНЕНТЫ ДВИГАТЕЛЯ И ЭЛЕКТРИКА

Схема запчастей Komatsu D155S-1 - ЭЛЕКТРОПРОВОДКА (ДЛЯ ШЛАКОВОЕ. ПР-ВО) КОМПОНЕНТЫ ДВИГАТЕЛЯ И ЭЛЕКТРИКА
FIT
1:1
100%

Артикул

Название

Примечание

Количество

1

178-06-15470

WIRE ASS'Y

SN: 1001-UP

1шт.

|1

178-06-13170

WIRE ASS'Y,(FOR 50A ALTERNATOR)

SN: 1026-UP

1шт.

2

08036-01214

CLIP

SN: 1001-UP

7шт.

3

01010-31025

BOLT

SN: 1001-UP

4шт.

4

01602-01030

WASHER,SPRING

SN: 1001-UP

4шт.

5

178-06-15140

WIRE ASS'Y

SN: 1001-UP

1шт.

6

178-06-12222

WIRE ASS'Y

SN: 1026-UP

1шт.

|6

178-06-15420

WIRE ASS'Y

SN: 1001-1025

1шт.

|6

178-06-13180

WIRE ASS'Y,(FOR 50A ALTERNATOR)

SN: 1026-UP

1шт.

7

08036-01414

CLIP

SN: 1001-UP

4шт.

8

178-06-12530

BRACKET

SN: 1001-UP

1шт.

9

01010-31225

BOLT

SN: 1001-UP

2шт.

10

01602-01236

WASHER,SPRING

SN: 1001-UP

2шт.

11

01640-21223

WASHER

SN: 1001-UP

2шт.

12

178-06-15130

WIRE ASS'Y

SN: 1001-UP

1шт.

13

178-06-12241

WIRE ASS'Y

SN: 1026-UP

1шт.

|13

178-06-15160

WIRE ASS'Y

SN: 1001-1025

1шт.

14

178-06-15170

WIRE ASS'Y

SN: 1001-UP

1шт.

15

155-06-15180

CLAMP

SN: 1001-UP

2шт.

16

01010-31225

BOLT

SN: 1001-UP

2шт.

17

01602-01236

WASHER,SPRING

SN: 1001-UP

2шт.

18

08039-03708

CLAMP

SN: 1001-UP

1шт.

19

01010-31020

BOLT

SN: 1001-UP

1шт.

20

01602-01030

WASHER,SPRING

SN: 1001-UP

1шт.

21

154-06-33140

CLAMP

SN: 1001-UP

1шт.

22

01010-31020

BOLT

SN: 1001-UP

1шт.

23

01602-01030

WASHER,SPRING

SN: 1001-UP

1шт.

24

08036-01414

CLIP

SN: 1001-UP

4шт.

25

01010-31220

BOLT

SN: 1001-UP

4шт.

26

01602-01236

WASHER,SPRING

SN: 1001-UP

4шт.

27

154-06-33140

CLAMP

SN: 1001-UP

1шт.

28

154-06-18250

CLAMP

SN: 1001-UP

1шт.

29

140-06-18260

CAP,RUBBER

SN: 1001-UP

2шт.

30

178-06-12322

WIRE ASS'Y

SN: 1026-UP

1шт.

|30

178-06-15210

WIRE ASS'Y

SN: 1001-1025

1шт.

31

08035-01508

CLIP

SN: 1001-UP

4шт.

32

01010-30820

BOLT

SN: 1001-UP

4шт.

33

01602-00825

WASHER,SPRING

SN: 1001-UP

4шт.

34

178-06-15220

WIRE ASS'Y

SN: 1001-UP

1шт.

35

08036-01414

CLIP

SN: 1001-UP

8шт.

36

01010-31220

BOLT

SN: 1001-UP

7шт.

37

01602-01236

WASHER,SPRING

SN: 1001-UP

7шт.

38

178-06-15180

WIRE

SN: 1001-UP

1шт.

39

178-06-15190

WIRE,HORN

SN: 1001-UP

2шт.

40

178-06-12271

WIRE,HEAD LAMP

SN: 1010-UP

4шт.

|40

08128-00250

WIRE,HEAD LAMP

SN: 1001-1009

4шт.

41

08037-03614

GROMMET

SN: 1010-UP

1шт.

42

178-06-12521

PLATE

SN: 1001-UP

1шт.

43

01010-31225

BOLT

SN: 1001-UP

2шт.

44

01602-01236

WASHER,SPRING

SN: 1001-UP

2шт.

45

08035-03014

CLIP

SN: 1001-UP

2шт.

46

08039-04612

CLAMP

SN: 1001-UP

1шт.

47

08039-05015

CLAMP

SN: 1001-UP

1шт.

48

01010-31225

BOLT

SN: 1001-UP

2шт.

49

01602-01236

WASHER,SPRING

SN: 1001-UP

2шт.

50

08036-00614

CLIP

SN: 1010-UP

1шт.

51

01010-31220

BOLT

SN: 1010-UP

1шт.

52

01602-01236

WASHER,SPRING

SN: 1010-UP

1шт.

53

140-06-18260

CAP

SN: 1010-UP

1шт.

54

178-06-12340

BRACKET

SN: 1130-UP

1шт.

54

0

BRACKET

SN: 1026-1129

1шт.

|$$62

(178-06-12340{178-43-12132)}

-1шт.

55

01010-31025

BOLT

SN: 1026-UP

2шт.

56

01602-01030

WASHER,SPRING

SN: 1026-UP

2шт.

57

01643-31032

WASHER

SN: 1026-UP

2шт.

58

08074-10000

SWITCH

SN: 1026-UP

1шт.

59

01583-01811

NUT

SN: 1026-UP

1шт.

60

08036-00610

CLIP

SN: 1026-UP

1шт.

61

01010-31016

BOLT

SN: 1026-UP

1шт.

62

01602-01030

WASHER,SPRING

SN: 1026-UP

1шт.

63

178-43-12132

BRACKET

SN: 1130-UP

1шт.

|63

178-43-12131

BRACKET

SN: 1026-1129

1шт.

64

178-06-12280

WIRE ASS'Y

SN: 1026-UP

1шт.

65

08036-00610

CLIP

SN: 1026-UP

1шт.

66

01010-30816

BOLT

SN: 1026-UP

1шт.

67

01602-00825

WASHER,SPRING

SN: 1026-UP

1шт.

68

154-06-36830

CONNECTOR,(FOR 50A ALTERNATOR)

SN: 1026-UP

1шт.

69

175-06-39760

WIRE,(FOR 50A ALTERNATOR)

SN: 1026-UP

1шт.

Выбрано товаров: 78