Запчасти Komatsu D155S-1 ТОРМОЗНАЯ ЛЕНТА И МЕХАНИЗМ СИСТЕМАУПРАВЛЕНИЯ ПОВОРОТОМ И КОНЕЧНАЯ ПЕРЕДАЧА

Схема запчастей Komatsu D155S-1 - ТОРМОЗНАЯ ЛЕНТА И МЕХАНИЗМ СИСТЕМАУПРАВЛЕНИЯ ПОВОРОТОМ И КОНЕЧНАЯ ПЕРЕДАЧА
FIT
1:1
100%

Артикул

Название

Примечание

Количество

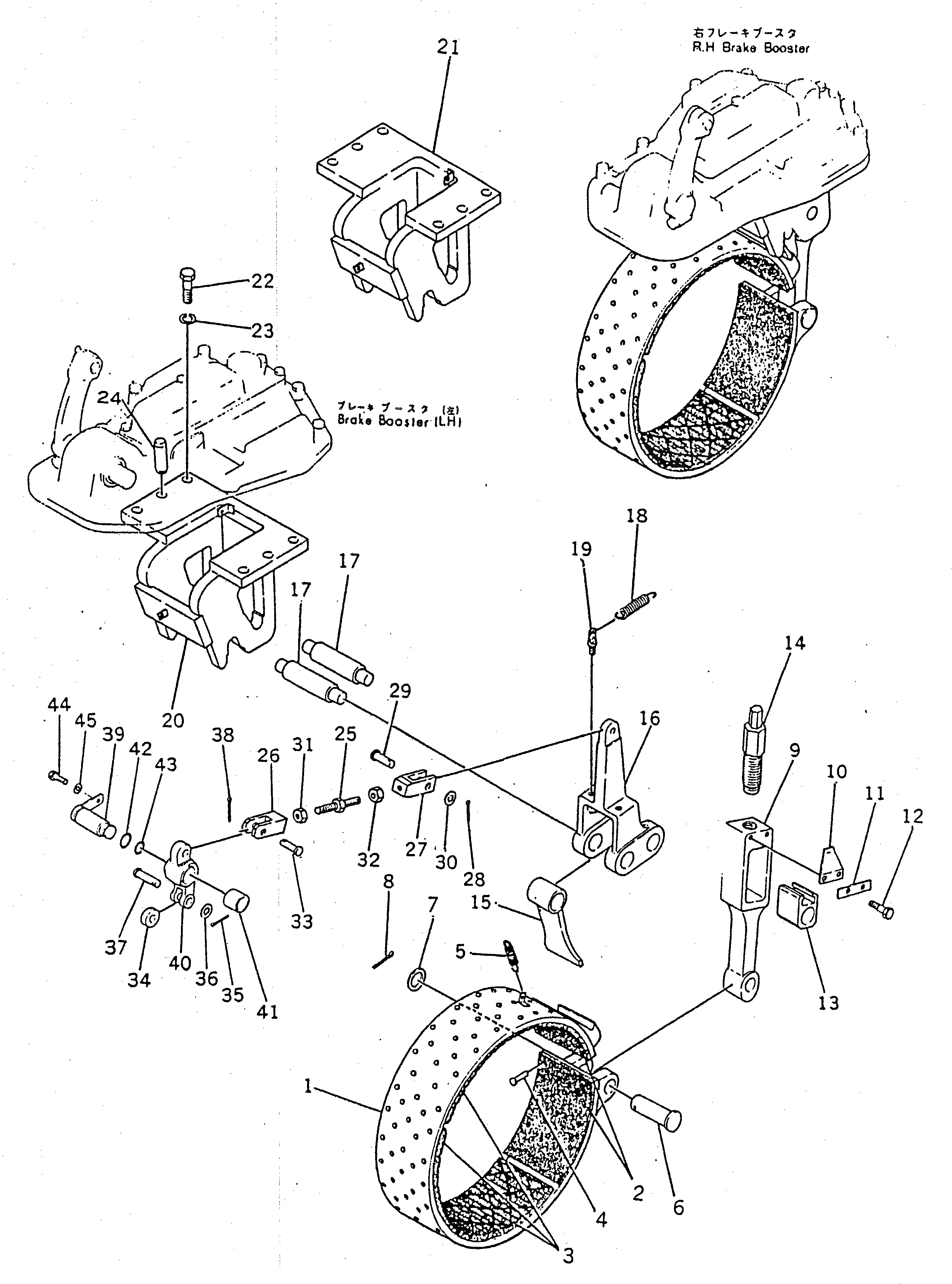
|1

175-33-00021

BRAKE BAND ASS'Y

SN: 1001-UP

2шт.

1

0

BAND

SN: 1001-UP

1шт.

2

0

LINING

SN: 1001-UP

2шт.

3

0

LINING

SN: 1001-UP

3шт.

4

04412-00514

RIVET

SN: 1001-UP

99шт.

5

100-33-13120

SPRING

SN: 1001-UP

2шт.

6

175-33-24210

PIN

SN: 1001-UP

2шт.

7

175-33-24220

WASHER

SN: 1001-UP

2шт.

8

04050-04050

PIN,COTTER

SN: 1001-UP

2шт.

9

175-33-24230

ROD

SN: 1001-UP

2шт.

10

154-33-11610

SPRING,LOCK

SN: 1001-UP

2шт.

11

154-33-11620

PLATE,LOCK

SN: 1001-UP

2шт.

12

01010-31016

BOLT

SN: 1001-UP

4шт.

13

154-33-11540

BLOCK

SN: 1001-UP

2шт.

14

178-33-12270

BOLT

SN: 1001-UP

2шт.

15

175-33-24240

END

SN: 1001-UP

2шт.

16

178-33-12350

LEVER \

SN: 1001-UP

2шт.

17

175-33-24260

PIN

SN: 1001-UP

4шт.

18

178-33-12360

SPRING

SN: 1001-UP

2шт.

19

154-33-11650

SEAT

SN: 1001-UP

2шт.

20

175-33-24280

BRACKET,L.H.

SN: 1001-UP

1шт.

21

175-33-24290

BRACKET,R.H.

SN: 1001-UP

1шт.

22

01010-32055

BOLT

SN: 1001-UP

8шт.

23

01602-02060

WASHER,SPRING

SN: 1001-UP

8шт.

24

154-33-11720

PIN,DOWEL

SN: 1001-UP

4шт.

25

178-33-12340

BOLT \

SN: 1001-UP

2шт.

26

178-33-12320

YOKE \

SN: 1001-UP

2шт.

27

178-33-12330

YOKE \

SN: 1001-UP

2шт.

28

04050-04028

PIN,COTTER

SN: 1001-UP

2шт.

29

175-33-24390

PIN

SN: 1001-UP

2шт.

30

01640-21826

WASHER

SN: 1001-UP

2шт.

31

01583-01811

NUT

SN: 1001-UP

2шт.

32

178-33-12260

NUT

SN: 1001-UP

2шт.

33

175-33-24450

PIN

SN: 1001-UP

2шт.

34

170-33-13330

ROLLER

SN: 1001-UP

2шт.

35

04050-04025

PIN,COTTER

SN: 1001-UP

2шт.

36

01641-21626

WASHER

SN: 1001-UP

2шт.

37

04205-01645

PIN

SN: 1001-UP

2шт.

38

04050-04028

PIN,COTTER

SN: 1001-UP

2шт.

39

178-33-12310

SHAFT

SN: 1001-UP

2шт.

|40

175-33-00050

LEVER ASS'Y

SN: 1001-UP

2шт.

40

0

LEVER

SN: 1001-UP

1шт.

41

154-33-21290

BUSHING

SN: 1001-UP

1шт.

42

07000-03030

O-RING

SN: 1001-UP

2шт.

43

07000-03025

O-RING

SN: 1001-UP

2шт.

44

01010-31025

BOLT

SN: 1001-UP

2шт.

45

01602-01030

WASHER,SPRING

SN: 1001-UP

2шт.

Выбрано товаров: 47