Запчасти Komatsu D155S-1 ГИДРАВЛИКА РУЛ. УПРАВЛЕНИЯ (/) СИСТЕМАУПРАВЛЕНИЯ ПОВОРОТОМ И КОНЕЧНАЯ ПЕРЕДАЧА

Схема запчастей Komatsu D155S-1 - ГИДРАВЛИКА РУЛ. УПРАВЛЕНИЯ (/) СИСТЕМАУПРАВЛЕНИЯ ПОВОРОТОМ И КОНЕЧНАЯ ПЕРЕДАЧА
FIT
1:1
100%

Артикул

Название

Примечание

Количество

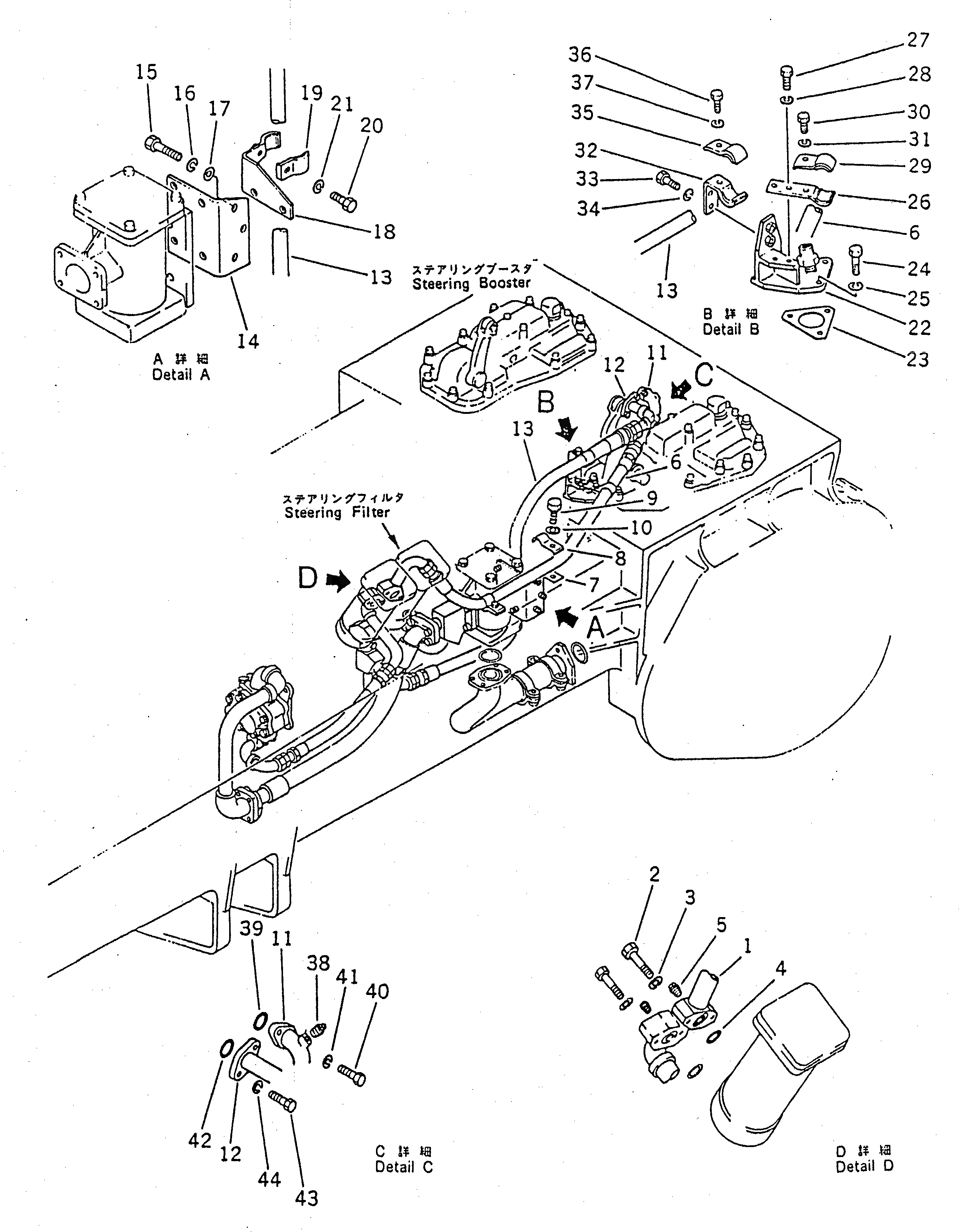
1

178-49-11210

TUBE

SN: 1001-UP

1шт.

2

01010-31060

BOLT

SN: 1001-UP

2шт.

3

01602-01030

WASHER,SPRING

SN: 1001-UP

2шт.

4

07000-03035

O-RING

SN: 1001-UP

1шт.

5

07042-00108

PLUG

SN: 1001-UP

1шт.

6

07102-21012

HOSE

SN: 1001-UP

1шт.

7

175-49-22471

CLAMP

SN: 1026-UP

2шт.

|7

178-49-11340

CLAMP

SN: 1001-1025

2шт.

8

175-49-22471

CLAMP

SN: 1001-UP

2шт.

9

01010-31230

BOLT

SN: 1001-UP

2шт.

10

01602-01236

WASHER,SPRING

SN: 1001-UP

2шт.

11

178-49-11350

TUBE

SN: 1001-UP

1шт.

12

178-49-11360

TUBE

SN: 1001-UP

1шт.

13

07102-21014

HOSE

SN: 1001-UP

1шт.

14

178-49-11620

BRACKET

SN: 1001-UP

1шт.

15

01010-31230

BOLT

SN: 1001-UP

3шт.

16

01602-01236

WASHER,SPRING

SN: 1001-UP

3шт.

17

01643-31232

WASHER

SN: 1001-UP

3шт.

18

175-49-22272

PLATE

SN: 1001-UP

1шт.

19

175-49-22471

CLAMP

SN: 1001-UP

1шт.

20

01010-31230

BOLT

SN: 1001-UP

1шт.

21

01602-01236

WASHER,SPRING

SN: 1001-UP

1шт.

22

178-49-11370

BRACKET

SN: 1001-UP

1шт.

23

178-49-11170

GASKET

SN: 1001-UP

1шт.

24

01010-31230

BOLT

SN: 1001-UP

3шт.

25

01602-01236

WASHER,SPRING

SN: 1001-UP

3шт.

26

178-49-11381

CLAMP

SN: 1026-UP

1шт.

|26

178-49-11380

CLAMP

SN: 1001-1025

1шт.

27

01010-31025

BOLT

SN: 1001-UP

2шт.

28

01602-01030

WASHER,SPRING

SN: 1001-UP

2шт.

29

175-49-22471

CLAMP

SN: 1001-UP

1шт.

30

01010-31230

BOLT

SN: 1001-UP

1шт.

31

01602-01236

WASHER,SPRING

SN: 1001-UP

1шт.

32

178-49-11391

CLAMP

SN: 1026-UP

1шт.

|32

178-49-11390

CLAMP

SN: 1001-1025

1шт.

33

01010-31025

BOLT

SN: 1001-UP

2шт.

34

01602-01030

WASHER,SPRING

SN: 1001-UP

2шт.

35

175-49-22471

CLAMP

SN: 1001-UP

1шт.

36

01010-31230

BOLT

SN: 1001-UP

1шт.

37

01602-01236

WASHER,SPRING

SN: 1001-UP

1шт.

38

07042-00108

PLUG

SN: 1001-UP

1шт.

39

07000-03032

O-RING

SN: 1001-UP

1шт.

40

01010-31030

BOLT

SN: 1001-UP

2шт.

41

01602-01030

WASHER,SPRING

SN: 1001-UP

2шт.

42

07000-03032

O-RING

SN: 1001-UP

1шт.

43

01010-31030

BOLT

SN: 1001-UP

2шт.

44

01602-01030

WASHER,SPRING

SN: 1001-UP

2шт.

Выбрано товаров: 47